GM Service Manual Online
For 1990-2009 cars only
Makes
🢒
Pontiac
🢒
2007
🢒
Wave
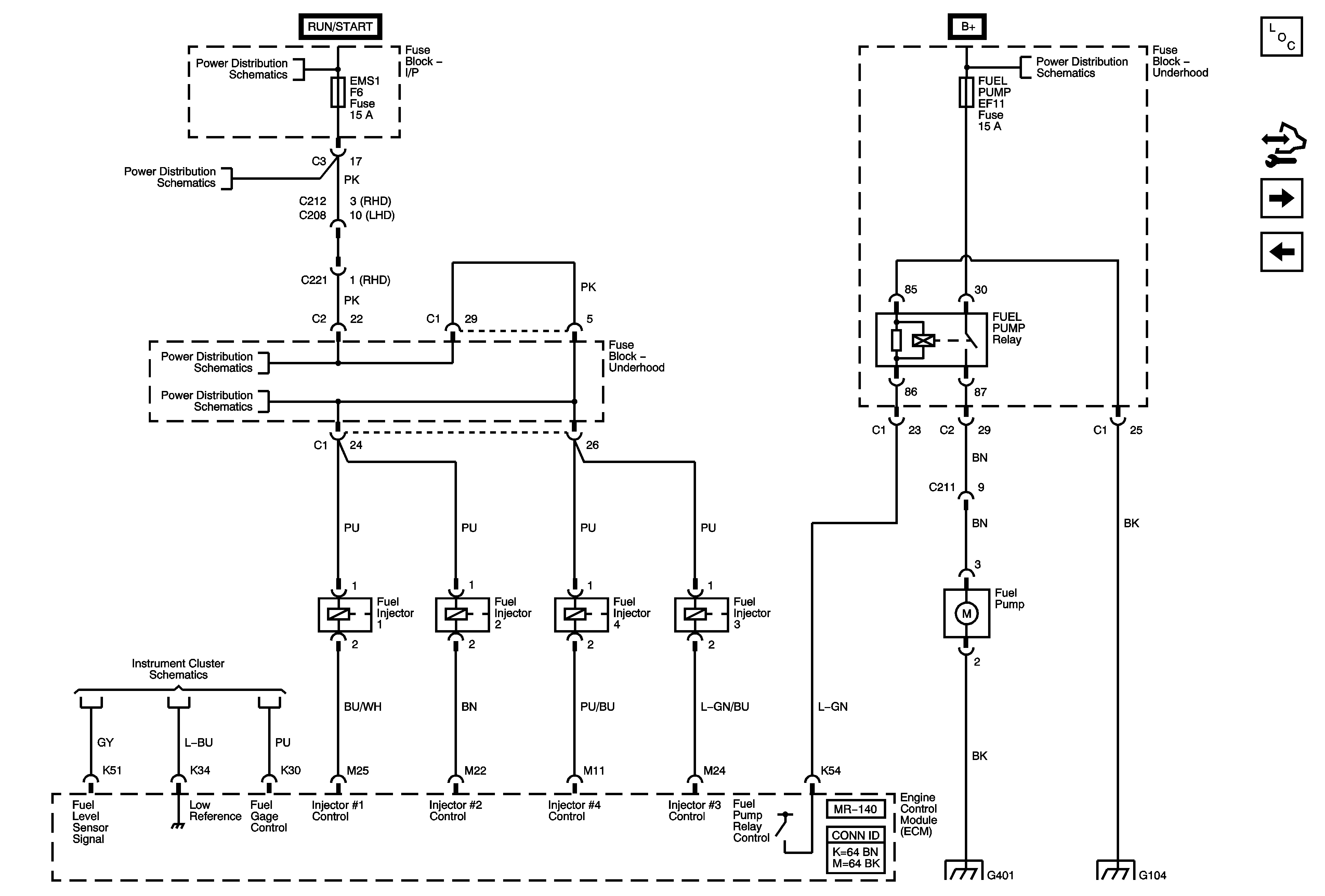
🢒 Fuel Pump Relay and Fuel Injectors
Fuel Pump Relay and Fuel Injectors
Fuel Pump Relay and Fuel Injectors
Master Electrical Component List (Notchback)
Control Module References
EVAP Canister Purge Solenoid Valve
CKP, CMP, A/C Refrigerant, Rough Road Sensors and Fuel Pump
SDM, EMS 1, EMS 2 Fuses
ABS, HAZARD, ECU, FUEL PUMP Fuses
SDM, EMS 1, EMS 2 Fuses
PK/LP Relay and Fuses
PK/LP Relay and Fuses
G401, G402
G104