GM Service Manual Online
For 1990-2009 cars only
Makes
🢒
Pontiac
🢒
2007
🢒
Wave
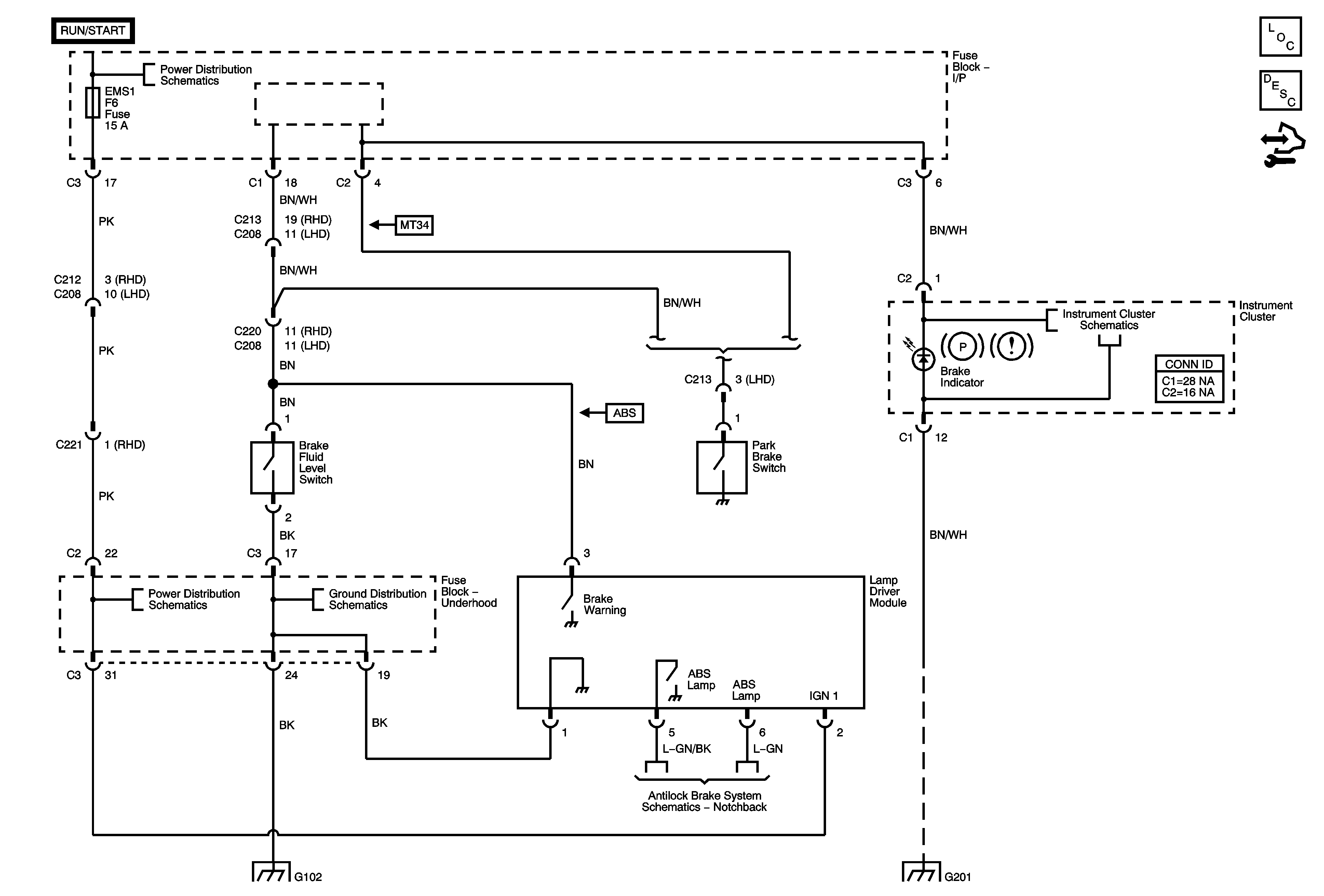
🢒 Hydraulic Brakes Schematics
Hydraulic Brakes Schematics
Master Electrical Component List Notchback
Hydraulic Brake System Description and Operation
Control Module References
SDM, EMS 1, EMS 2 Fuses
Charge, Brake, MIL, Seat Belt, Air Bag, Oil Pressure, HOLD, ABS, Door Open Indicators
Headlamps, A/C, Fan Relays
G102
Electronic Brake Control Module (EBCM) Power and Ground Distribution, Serial Data, Lamp Driver Module and Stop Lamp Switch
G102
G201 - 1 of 3