GM Service Manual Online
For 1990-2009 cars only
Makes
🢒
Pontiac
🢒
2007
🢒
Wave
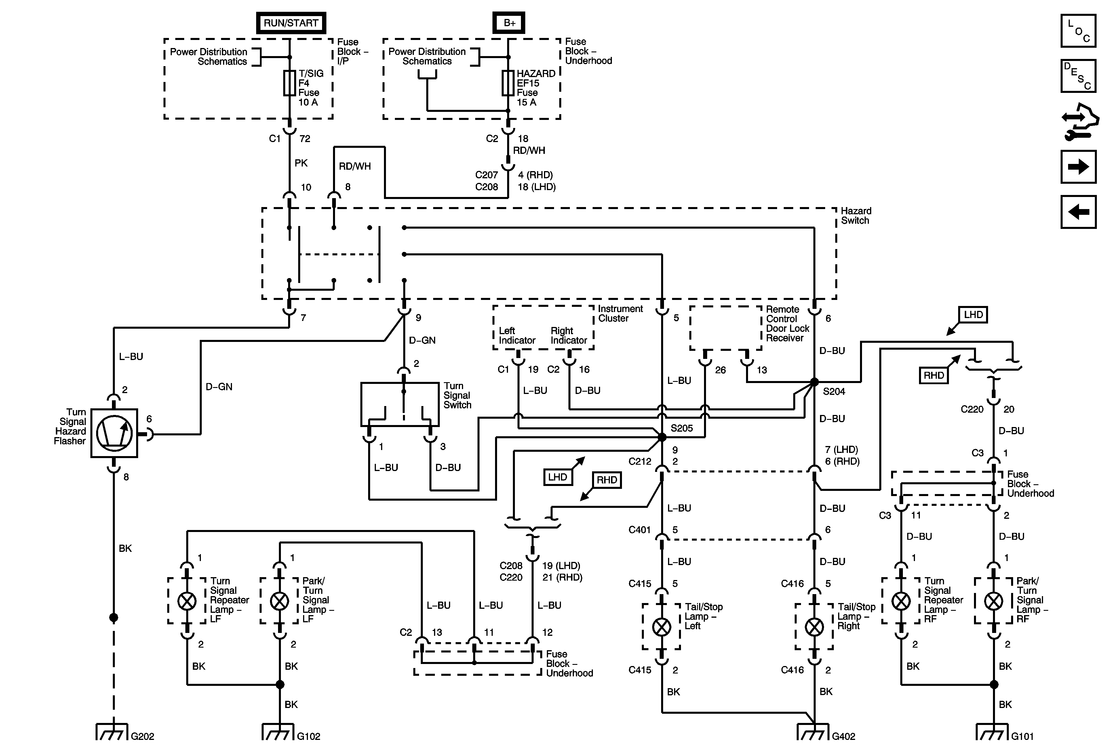
🢒 Turn Signals
Turn Signals
Turn Signals
Master Electrical Component List Notchback
Exterior Lighting Systems Description and Operation
Control Module References
Battery Saver Schematics
Tail Lamp Assembly and Stop Lamp Switch
IGN 2/ST Fuse, Ignition Switch, CIGAR, AUDIO/CLOCK, CLUSTER, T/SIG Fuses
ABS, HAZARD, ECU, FUEL PUMP Fuses
G201 - 3 of 3, G202
G102
G401, G402
G101, G103, G104