GM Service Manual Online
For 1990-2009 cars only
Makes
🢒
Pontiac
🢒
2007
🢒
Wave
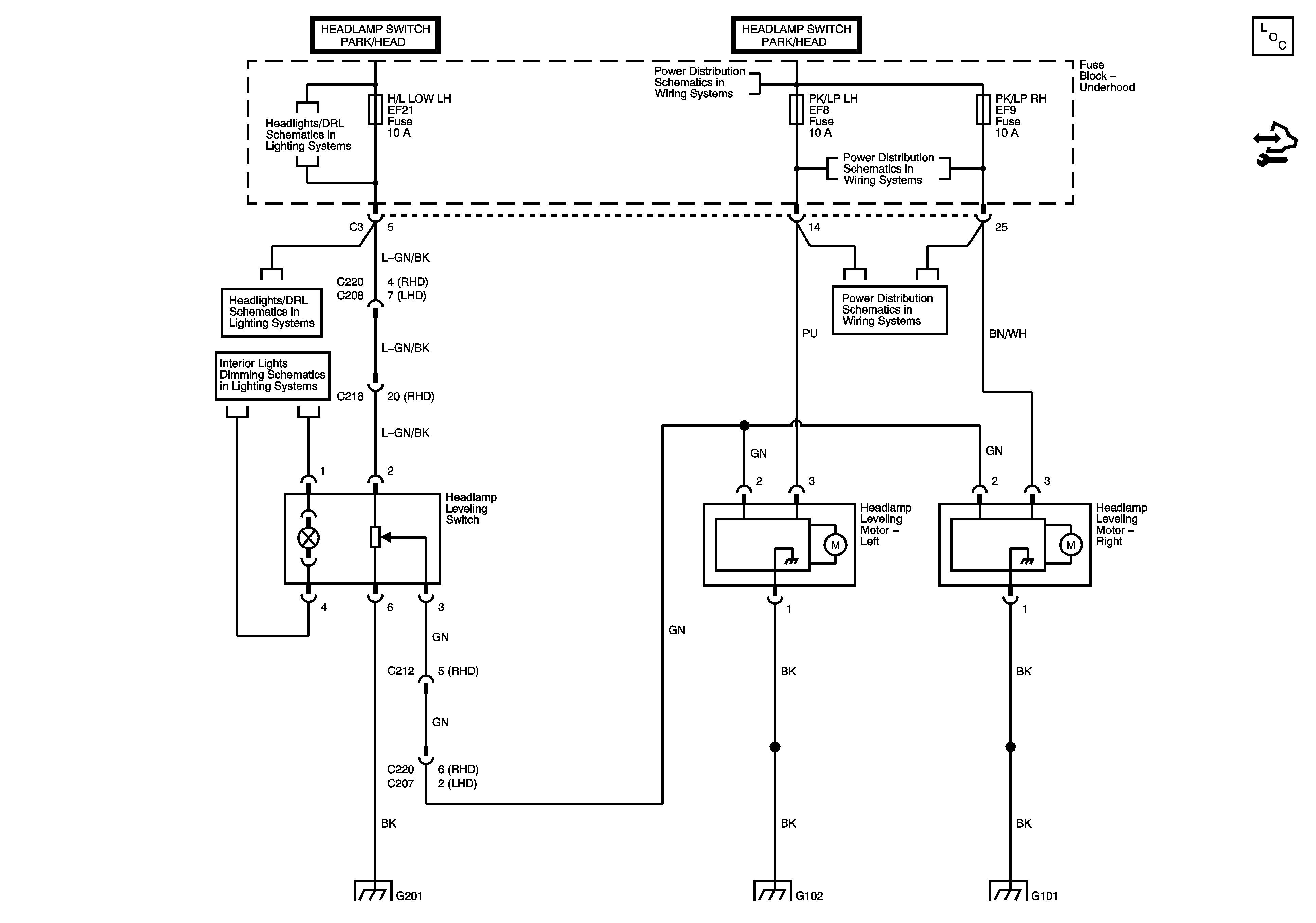
🢒 Headlamp Leveling Schematics
Headlamp Leveling Schematics
Master Electrical Component List Notchback
Control Module References
Oil Pressure and Headlamp Switch
PK/LP Relay and Fuses
PK/LP Relay and Fuses
Oil Pressure and Headlamp Switch
RHD
PK/LP Relay and Fuses
G201 - 1 of 3
G102
G101, G103, G104