GM Service Manual Online
For 1990-2009 cars only
Makes
🢒
Pontiac
🢒
2007
🢒
Wave
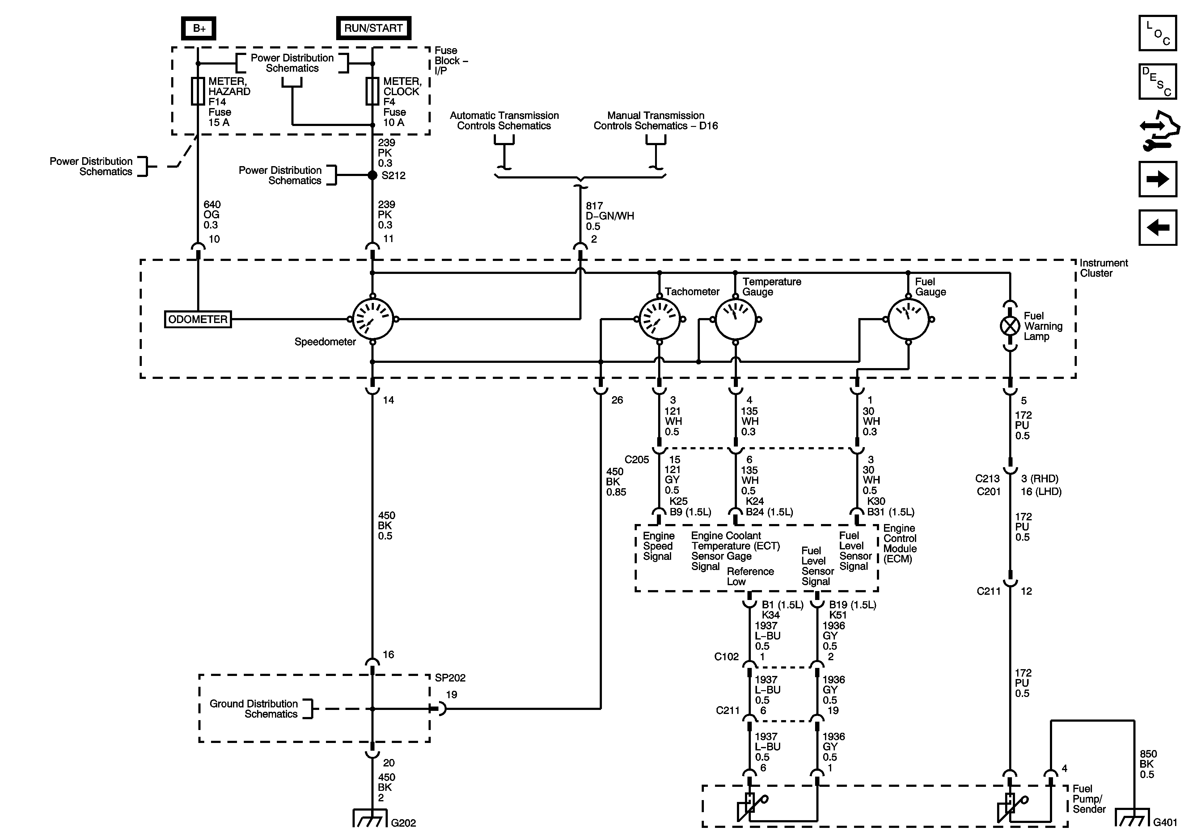
🢒 Instrument Cluster Gages 1.4L, 1.5L
Instrument Cluster Gages 1.4L, 1.5L
1.4L, 1.5L Gages
Master Electrical Component List Hatchback
Instrument Panel Description
Control Module References
Instrument Cluster Gages 1.6L
Instrument Cluster Gages 1.2L
Battery Feed
Battery Feed
Battery Feed
Power and Grounds
VSS 1.6L
Ground Distribution G101, G102 - 1 of 2 and G105
Ground Distribution G202 - 1 of 3
Ground Distribution G401