GM Service Manual Online
For 1990-2009 cars only
Makes
🢒
Pontiac
🢒
2007
🢒
Wave
🢒 Hatchback
Hatchback
Hatchback
Master Electrical Component List Hatchback
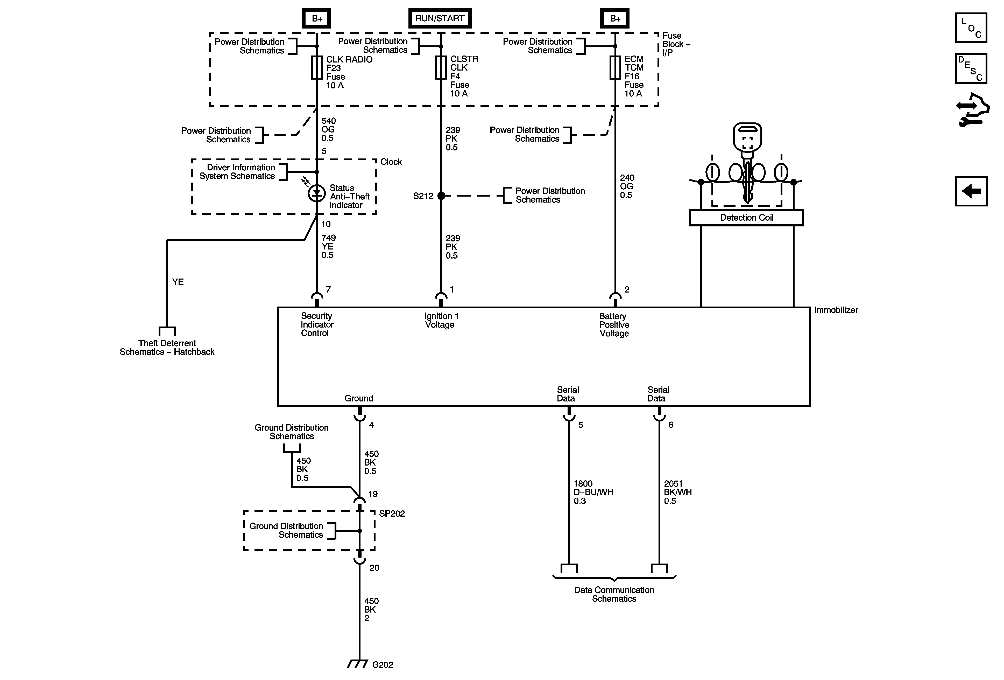
Immobilizer Description and Operation
Control Module References
Notchback
Power Distribution Fuses EF7,F12, 13, 14, 15, 16 and 23
Ignition Switch and Fuses EF5, F1, 2, 3, 4, 5, 8, and 11
Power Distribution Fuses EF7,F12, 13, 14, 15, 16 and 23
Power Distribution Fuses EF7,F12, 13, 14, 15, 16 and 23
Power Distribution Fuses EF7,F12, 13, 14, 15, 16 and 23
Clock
Ignition Switch and Fuses EF5, F1, 2, 3, 4, 5, 8, and 11
Power, Serial Data, Inputs, Indicator and Alarm Controls
Ground Distribution G202 - 3 of 3, G201
Ground Distribution G202 - 3 of 3, G201
Ground Distribution G202 - 1 of 3
Data Communications