GM Service Manual Online
For 1990-2009 cars only
Makes
🢒
Pontiac
🢒
2007
🢒
Wave
🢒 Notchback
Notchback
Notchback
Master Electrical Component List Notchback
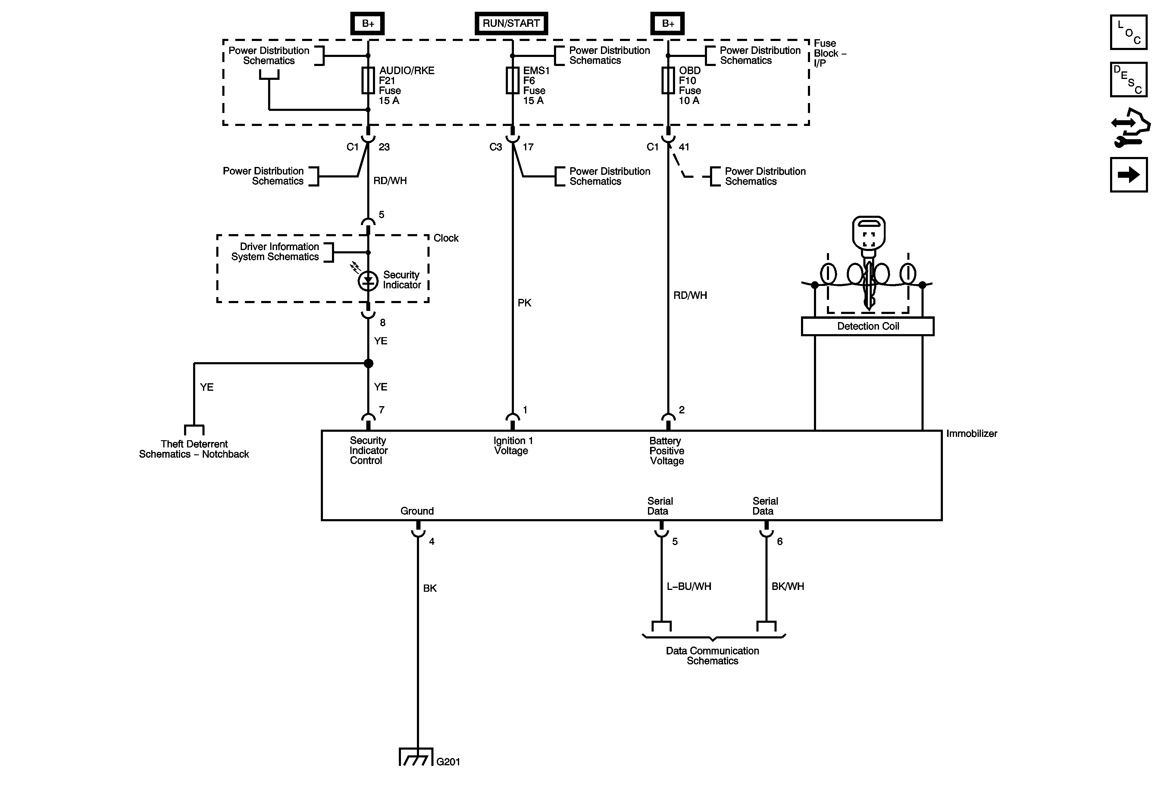
Immobilizer Description and Operation
Control Module References
Hatchback
AUDIO/RKE, DEFOGGER, DEFOG MIRROR Fuses
SDM, EMS 1, EMS 2 Fuses
Headlamp, Fog Lamp Relays and Fuses, BATT Fuse
AUDIO/RKE, DEFOGGER, DEFOG MIRROR Fuses
SDM, EMS 1, EMS 2 Fuses
Headlamp, Fog Lamp Relays and Fuses, BATT Fuse
Driver Information Schematics
Remote Control Door Lock Receiver Power and Inputs
Data Communication Schematics
G201 - 1 of 3