GM Service Manual Online
For 1990-2009 cars only
Figure 1:

Power Seat Controls - Power, Ground, and Switch Controls


Object Number: 1533271  Size: FS
Master Electrical Component List
Memory Seats Description and Operation
Control Module References
Power Seat Controls - Motors and Position Sensors
B+ Bus - Rear Fuse Block
AMP, DDM, PDM Fuses, LT DOORS, RT DOORS, and SEATS Circuit Breakers
HVAC B, LGM/DSM, OH BATT/ONSTAR, and RADIO Fuses
G302 - 1 of 2, G303, and G304
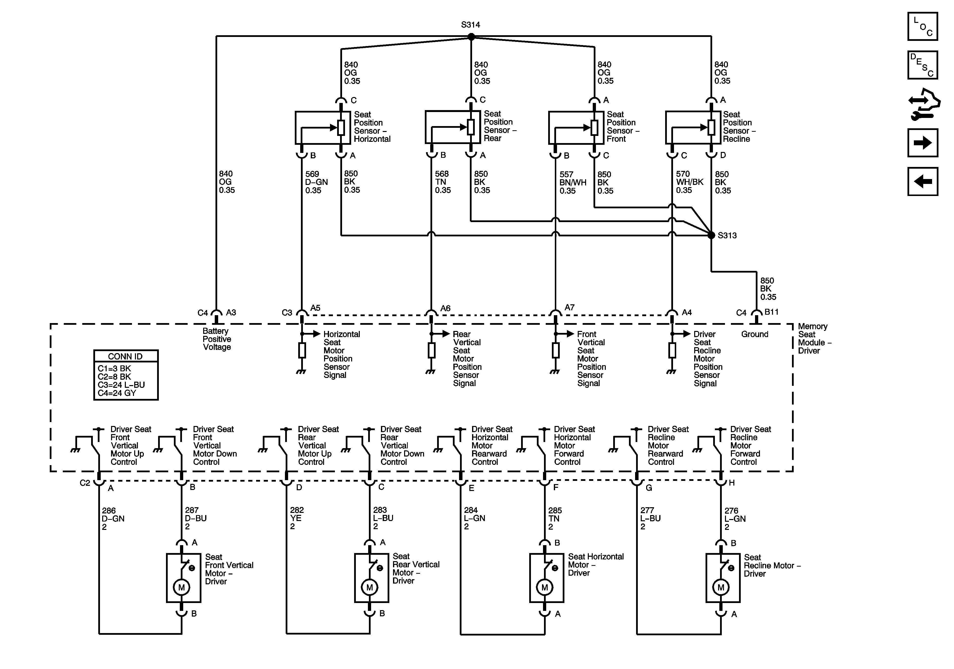
Figure 2:

Power Seat Controls - Motors and Position Sensors


Object Number: 1533272  Size: FS
Master Electrical Component List
Memory Seats Description and Operation
Control Module References
Lumbar Controls
Power Seat Controls - Power, Ground, and Switch Controls
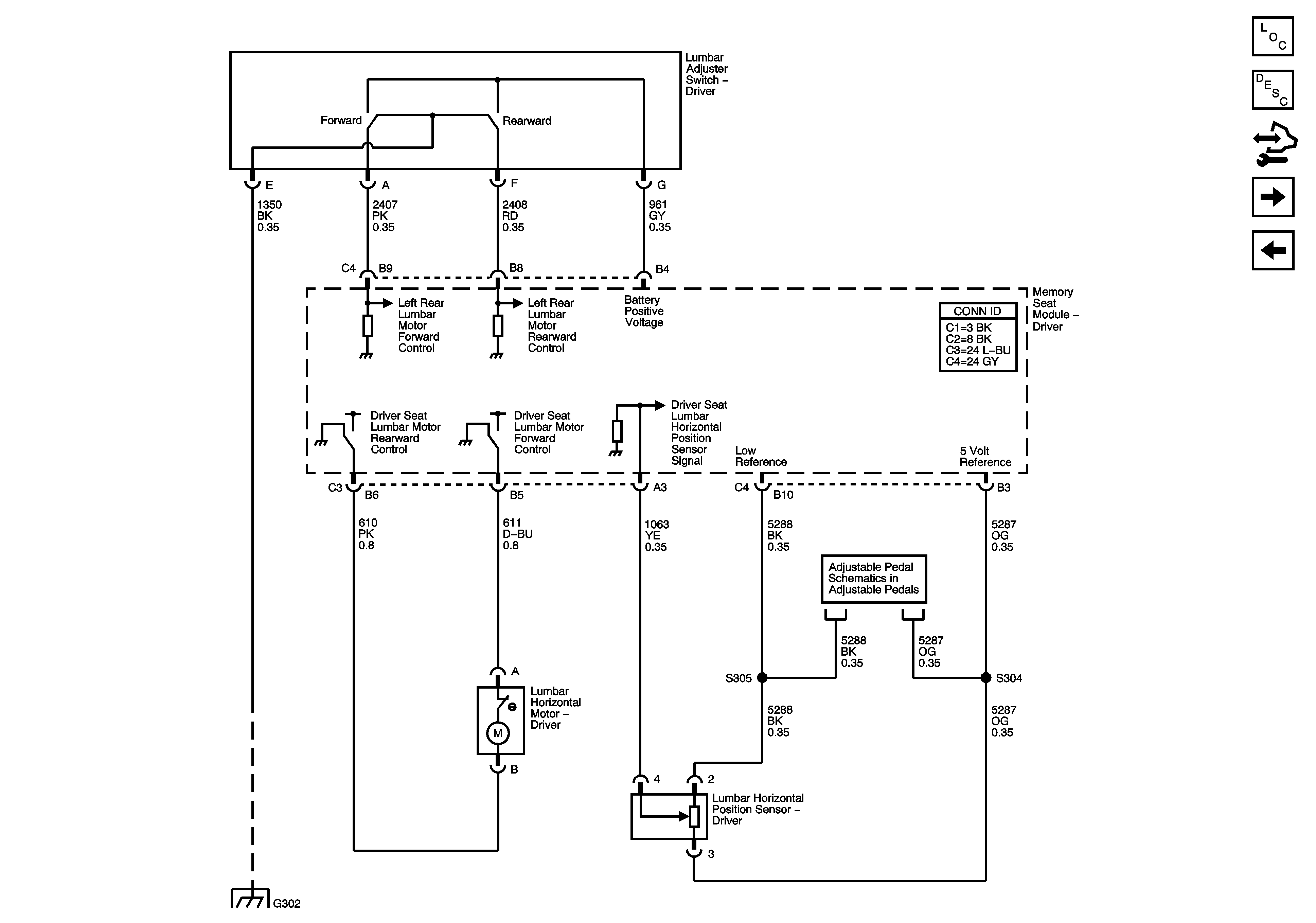
Figure 3:

Lumbar Controls


Object Number: 1533273  Size: FS
Master Electrical Component List
Lumbar Support Description and Operation
Control Module References
Heat Controls
Power Seat Controls - Motors and Position Sensors
G302 - 1 of 2, G303, and G304
Adjustable Pedals
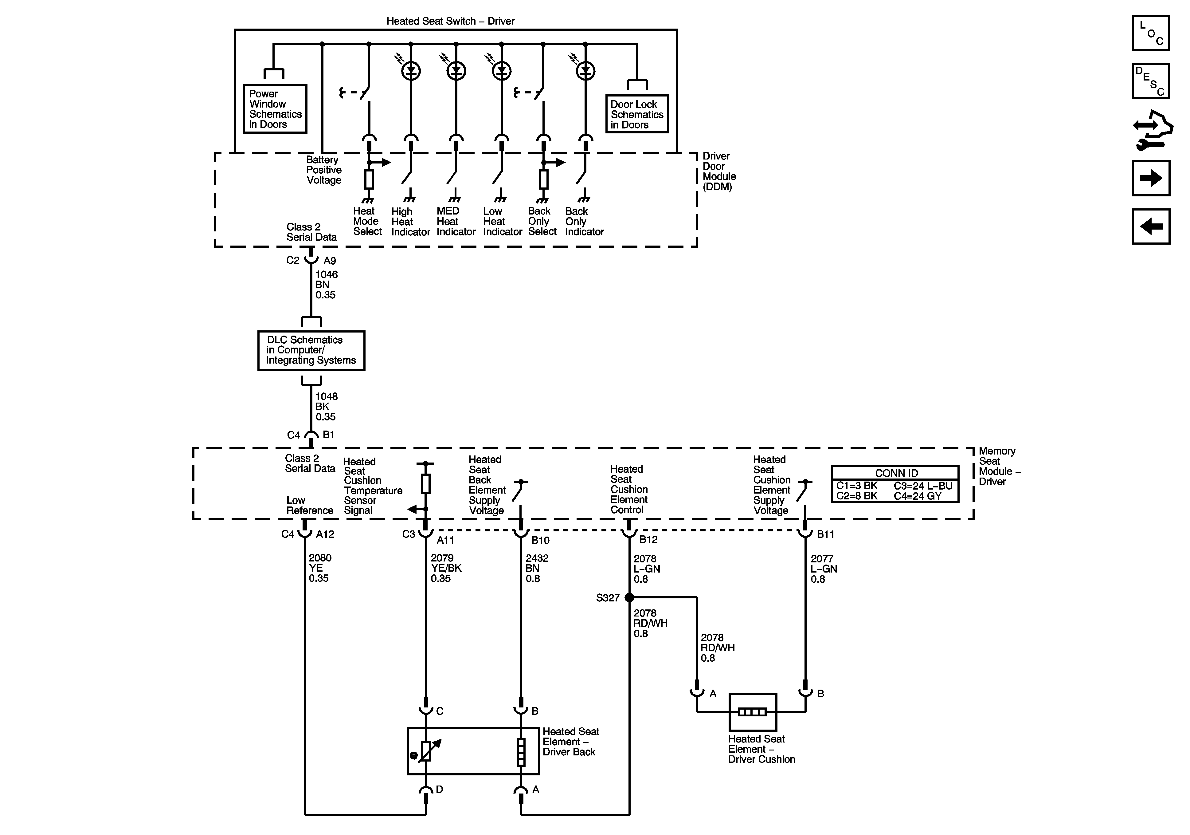
Figure 4:

Heat Controls


Object Number: 1533274  Size: FS
Master Electrical Component List
Heated Seats Description and Operation
Control Module References
Memory Controls
Lumbar Controls
SP306
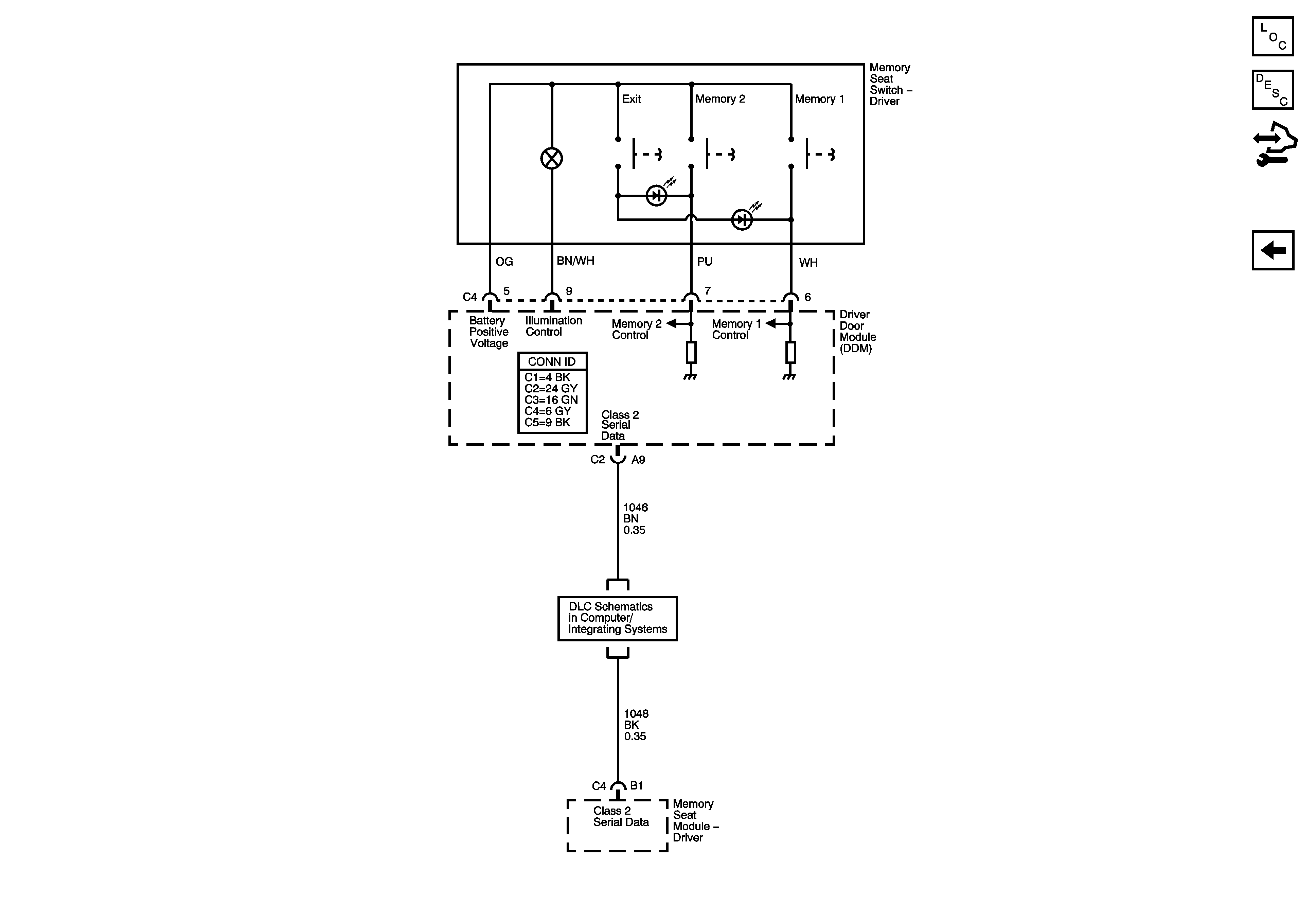
Figure 5:

Memory Controls


Object Number: 1533275  Size: FS
Master Electrical Component List
Memory Seats Description and Operation
Control Module References
Heat Controls
SP306