GM Service Manual Online
For 1990-2009 cars only
Figure 1:

Power, Ground, and Subsystem References


Object Number: 1748939  Size: FS
Master Electrical Component List
Control Module References
Serial Data and Subsystem References
B+ BUS - Rear Fuse Block
AMP, DDM, PDM Fuses, LT DRS, RT DRS, and SEATS Circuit Breakers
Left Turn Signals
Theft Deterrent System Schematics
Power Windows - Left
Front Doors and Liftgate
Left Turn Signals
Outside Rearview Mirror Schematics
G302 - 1 of 2, G303, and G304
Figure 2:

Serial Data and Subsystem References


Object Number: 1748941  Size: FS
Master Electrical Component List
Control Module References
Front Passenger
Power, Ground, and Subsystem References
SP306
Door Switch and Liftgate Inputs
Outside Rearview Mirror Schematics
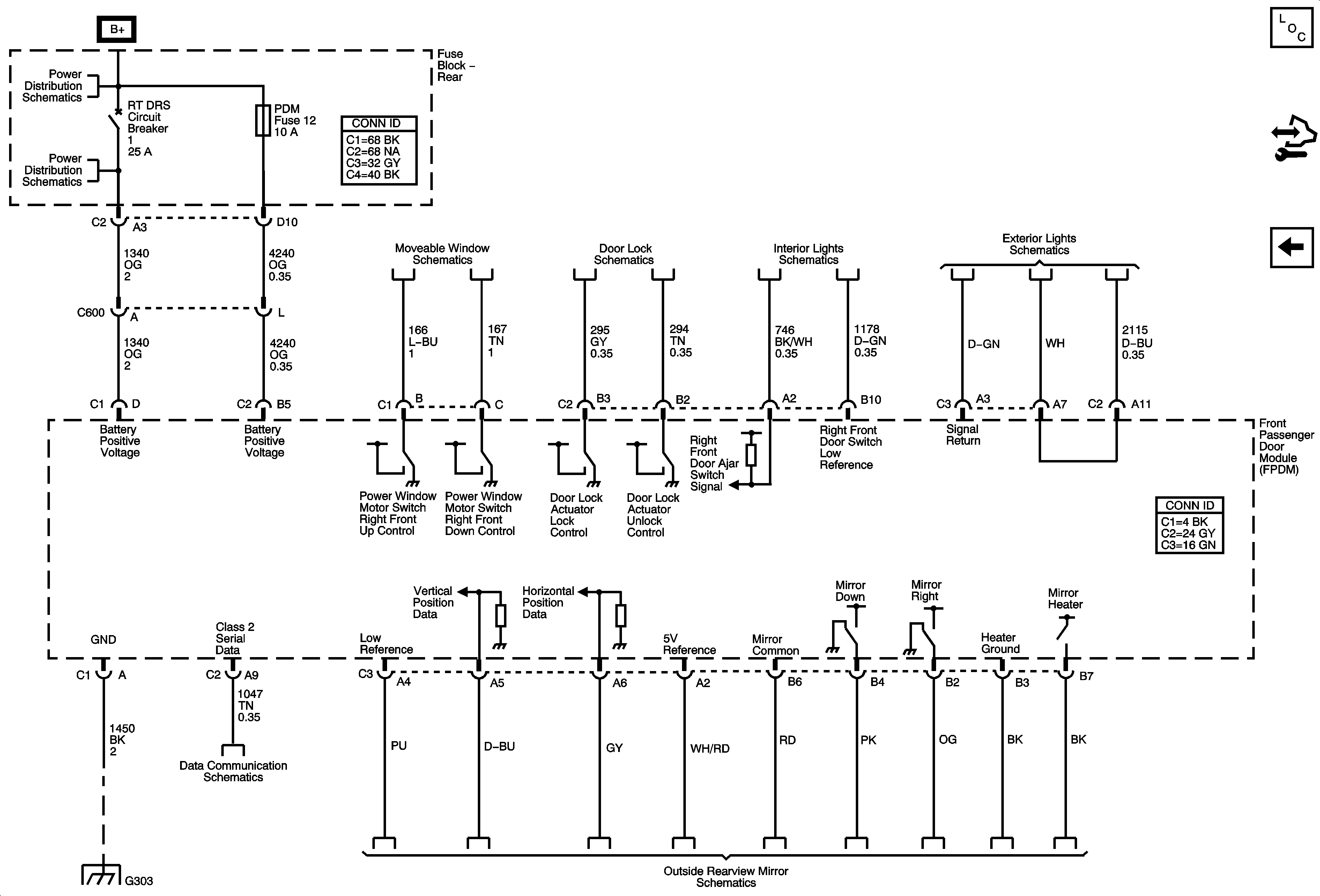
Figure 3:

Front Passenger


Object Number: 1748942  Size: FS
Master Electrical Component List
Control Module References
Serial Data and Subsystem References
B+ BUS - Rear Fuse Block
AMP, DDM, PDM Fuses, LT DRS, RT DRS, and SEATS Circuit Breakers
Power Windows - Right
Front Doors and Liftgate
Door Switch and Liftgate Inputs
Right Turn Signals
SP306
Outside Rearview Mirror Schematics
G302 - 1 of 2, G303, and G304