GM Service Manual Online
For 1990-2009 cars only
Makes
🢒
Saturn
🢒
2007
🢒
AURA
🢒
Diagnostic Navigation
🢒
Vehicle Diagnostic Information
🢒 Cruise Control Schematics
Figure
1:
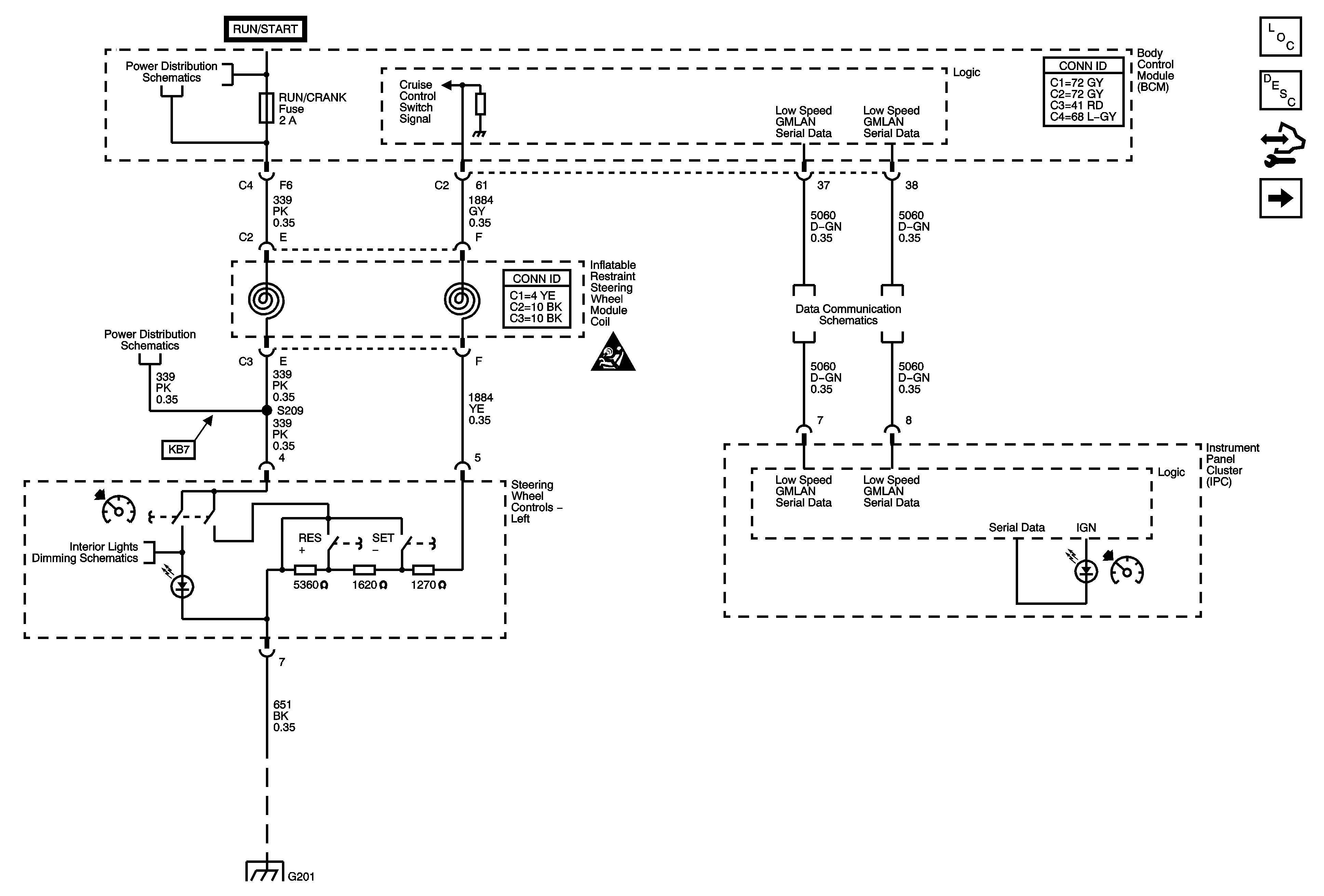
Steering Wheel Controls
Master Electrical Component List
Cruise Control Description and Operation
Control Module References
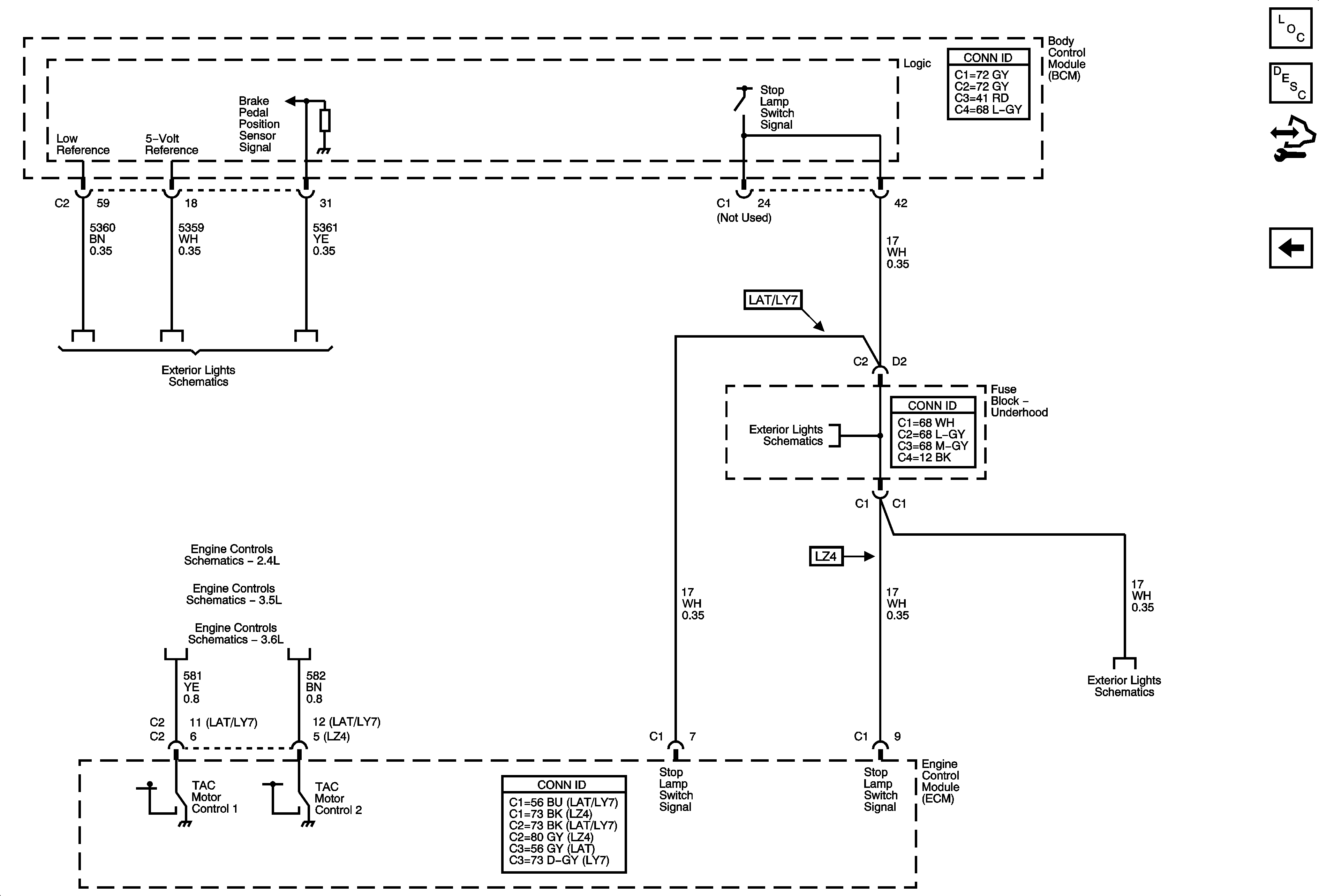
Brake Pedal Position Sensor and Stop Lamp Switch Signal
Underhood Fuse Block IBCM (RUN/CRANK) Fuse, Body Control Module (BCM) Air Bag (IGN), EPS and RUN/CRANK Fuses
Underhood Fuse Block IBCM (RUN/CRANK) Fuse, Body Control Module (BCM) Air Bag (IGN), EPS and RUN/CRANK Fuses
Cruise Control Schematic Icons
Low Speed Serial Data
G201
Cruise Control Schematic Icons
G201
Figure
2:
Brake Pedal Position Sensor and Stop Lamp Switch Signal
Master Electrical Component List
Cruise Control Description and Operation
Control Module References
Steering Wheel Controls
Stop Lamps
Electronic Throttle Controls
Electronic Throttle Controls