GM Service Manual Online
For 1990-2009 cars only
Makes
🢒
Saturn
🢒
2007
🢒
AURA
🢒
Diagnostic Navigation
🢒
Vehicle Diagnostic Information
🢒 Remote Function Schematics
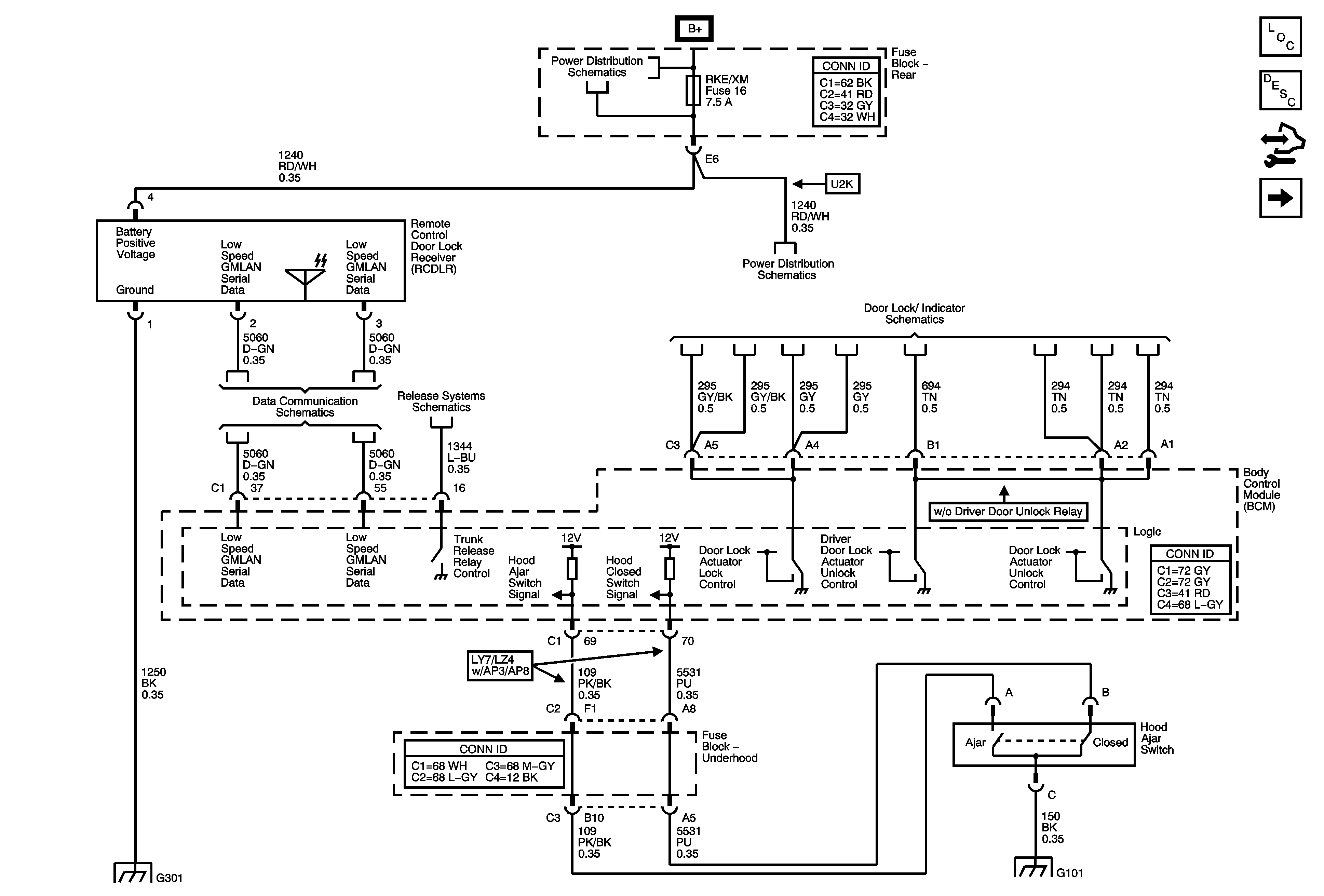
Figure
1:
Keyless Entry (w/o HP7)
Master Electrical Component List
Keyless Entry System Description and Operation
Control Module References
Universal Garage Door Opener
Underhood Fuse Block RBEC1 and Rear Fuse Block , BCK/UP Lamps, CIG/AUX, HTD MIR, HTD SEAT, RKE/XM RR DEFOG and S/ROOF Fuses
Underhood Fuse Block RBEC1 and Rear Fuse Block , BCK/UP Lamps, CIG/AUX, HTD MIR, HTD SEAT, RKE/XM RR DEFOG and S/ROOF Fuses
Low Speed Serial Data
Release System Schematics
Door Lock Actuators
G301
G101 and G102
Figure
2:
Keyless Entry - HP7
Master Electrical Component List
Keyless Entry System Description and Operation
Control Module References
Universal Garage Door Opener
Keyless Entry
Underhood Fuse Block RBEC1 and Rear Fuse Block , BCK/UP Lamps, CIG/AUX, HTD MIR, HTD SEAT, RKE/XM RR DEFOG and S/ROOF Fuses
Underhood Fuse Block RBEC1 and Rear Fuse Block , BCK/UP Lamps, CIG/AUX, HTD MIR, HTD SEAT, RKE/XM RR DEFOG and S/ROOF Fuses
Low Speed Serial Data
Release System Schematics
Door Lock Actuators
G301
G101 and G102
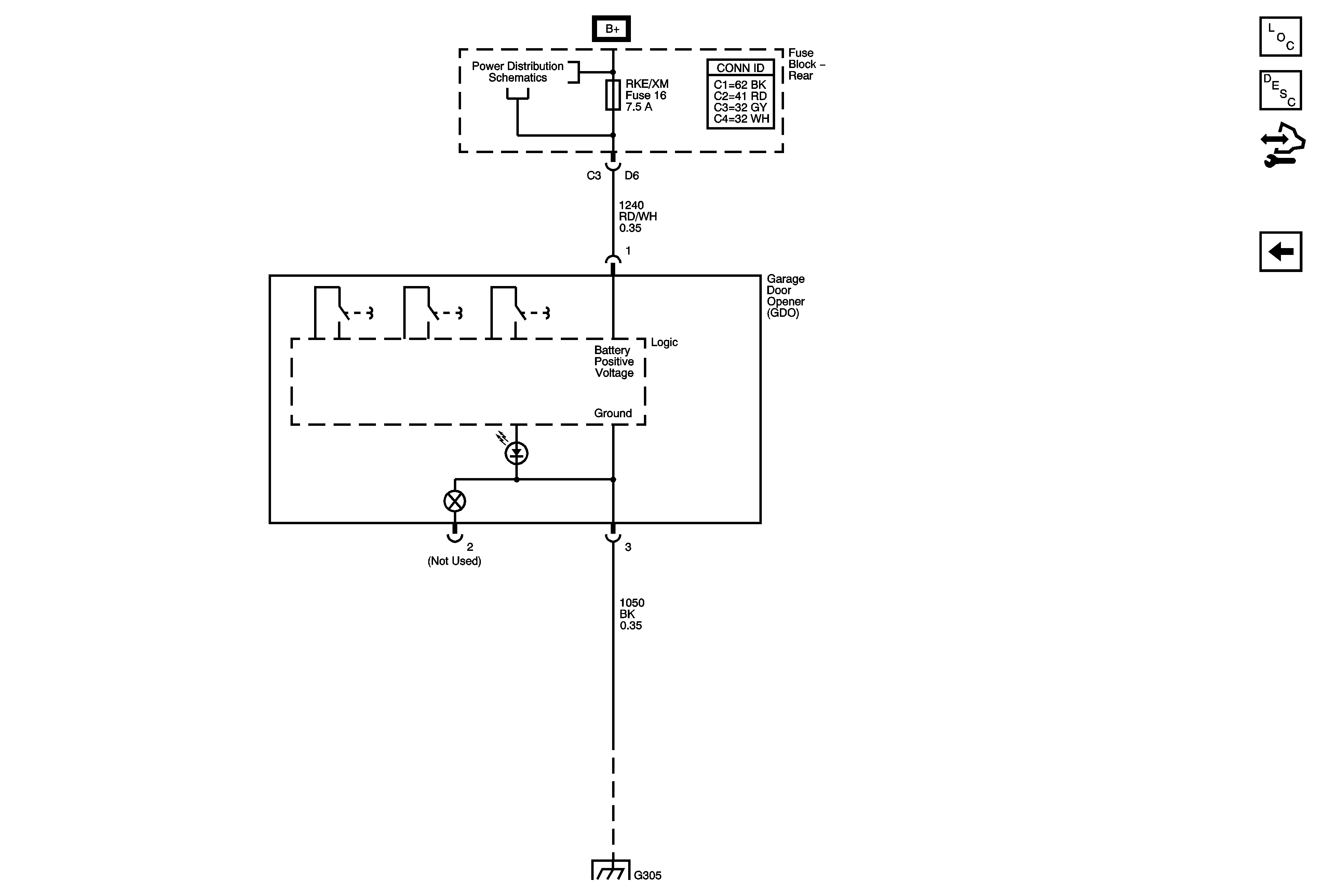
Figure
3:
Universal Garage Door Opener
Master Electrical Component List
Garage Door Opener Description and Operation (One LED)
Control Module References
Keyless Entry
Underhood Fuse Block RBEC1 and Rear Fuse Block , BCK/UP Lamps, CIG/AUX, HTD MIR, HTD SEAT, RKE/XM RR DEFOG and S/ROOF Fuses
G305
G305