GM Service Manual Online
For 1990-2009 cars only
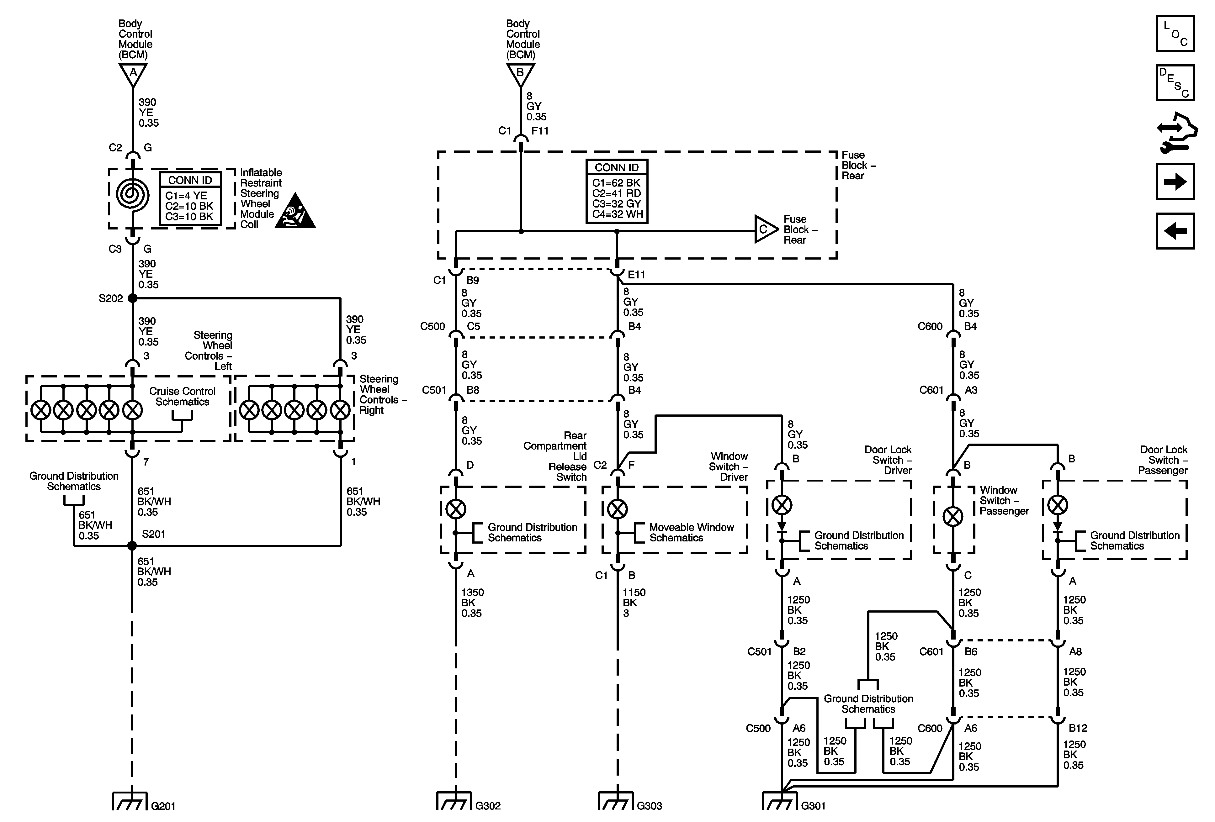
Figure 1:

Displays


Object Number: 1807608  Size: FS
Master Electrical Component List
Interior Lighting Systems Description and Operation
Control Module References
Switches
Marker Lamps and Tail Lamps
Ambient Light Sensor, Brake Pedal Position Sensor, Hazard Switch and Turn Signal/Multifunction Switch
Switches
Switches
Fog Lights Schematics
G203
G201
Switches
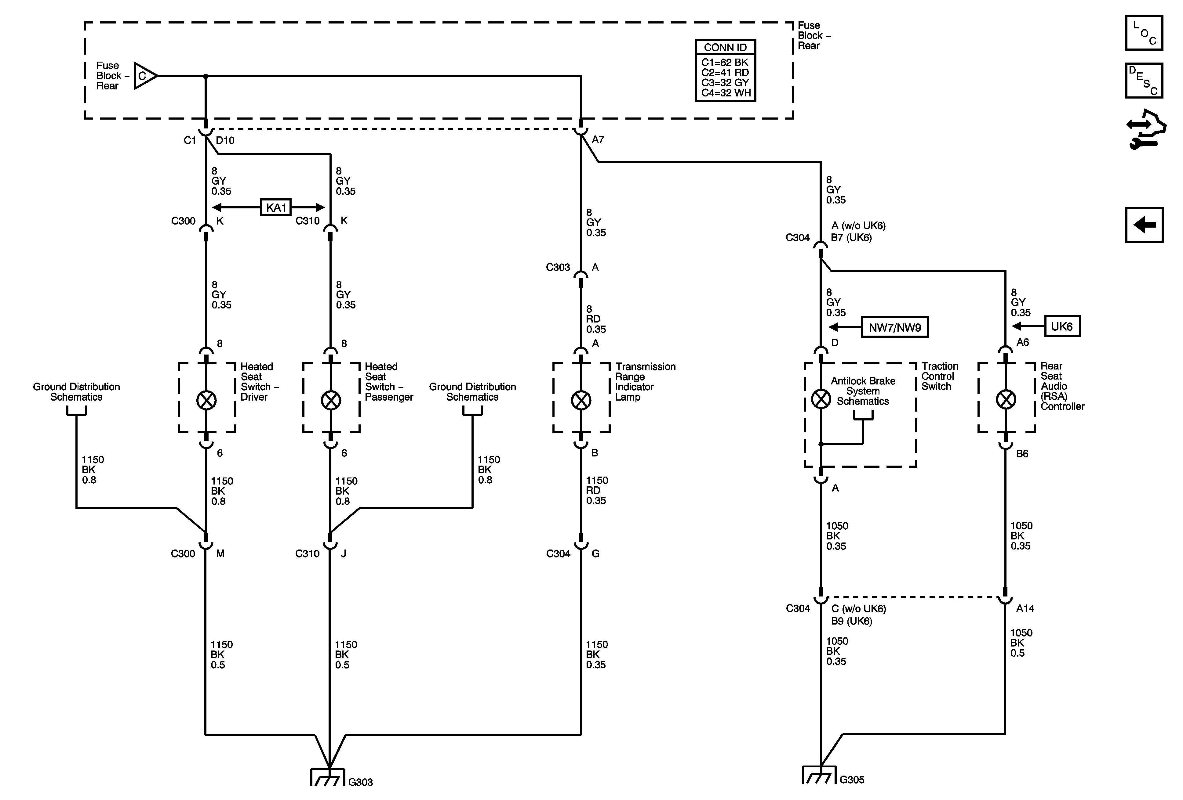
Figure 2:

Switches


Object Number: 1807612  Size: FS
Master Electrical Component List
Interior Lighting Systems Description and Operation
Control Module References
Center Console and Seats
Displays
Displays
Lighting Systems Schematic Icons
Displays
Center Console and Seats
G201
Lighting Systems Schematic Icons
G302
Power, Ground, and Front Windows
G301
G301
G301
G301
G201
G302
G303
G301
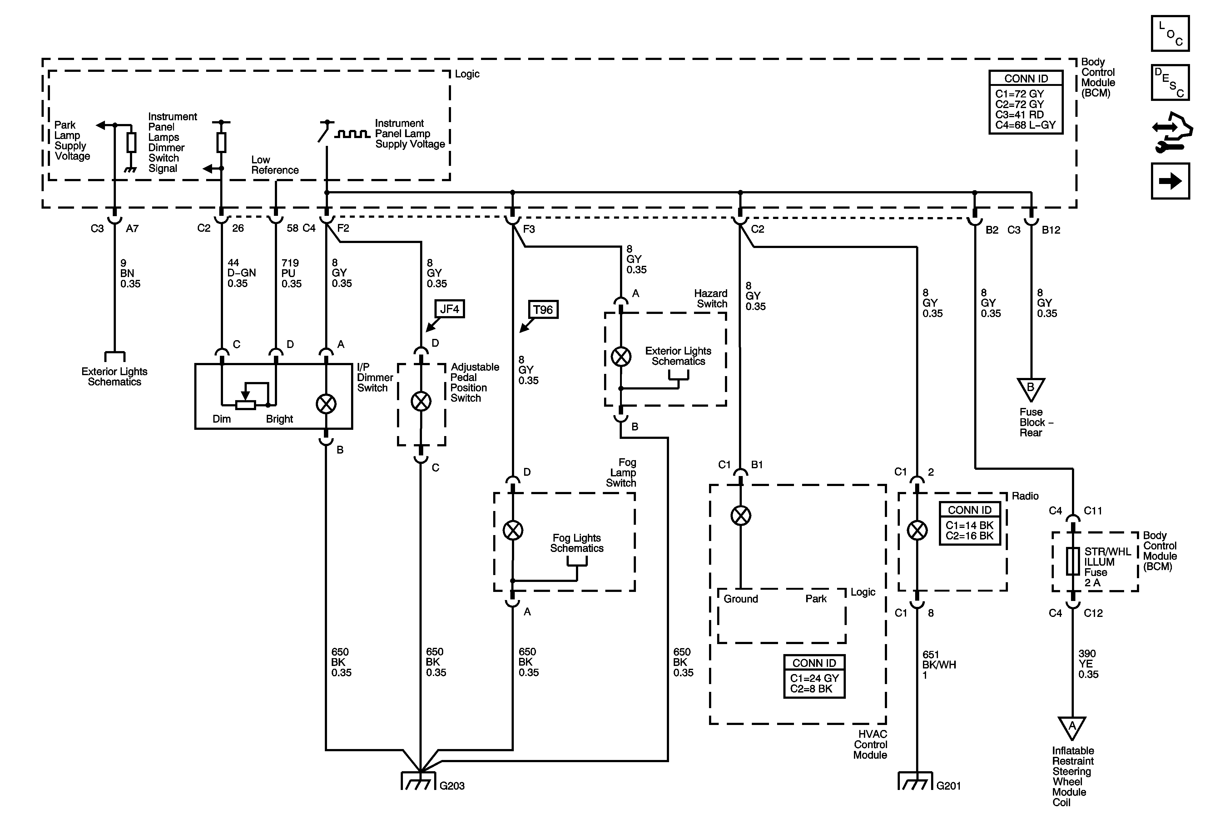
Figure 3:

Center Console and Seats


Object Number: 1807615  Size: FS
Master Electrical Component List
Interior Lighting Systems Description and Operation
Control Module References
Switches
Switches
G303
G303
Brake Pedal Position Sensor, Data Link Communications and Traction Control Switch 2 of 2
G303
G305