GM Service Manual Online
For 1990-2009 cars only
Makes
🢒
Saturn
🢒
2008
🢒
Astra
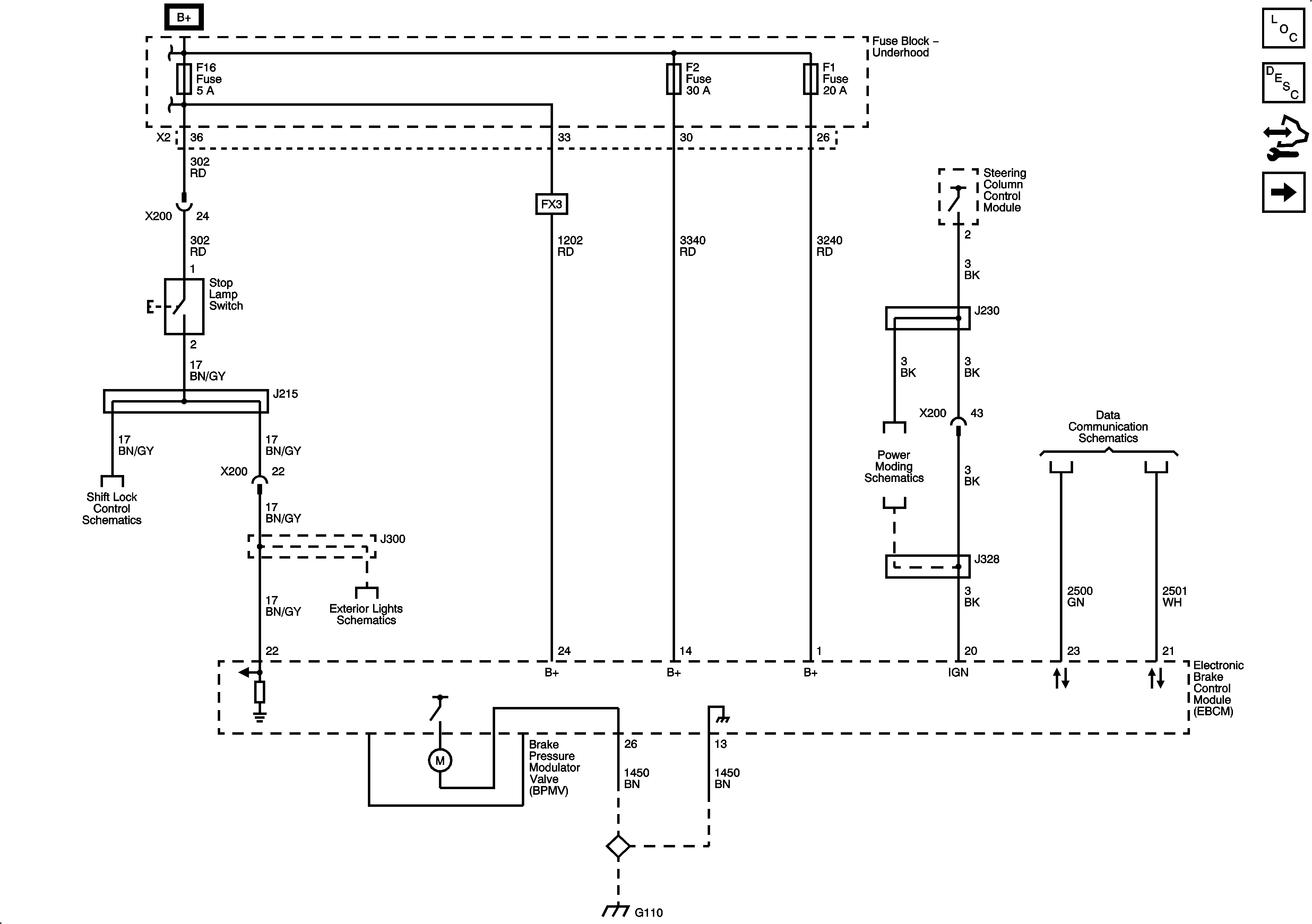
🢒 Power, Ground, Stop Lamp Switch, and Data Communications
Power, Ground, Stop Lamp Switch, and Data Communications
Power, Ground, Stop Lamp Switch, and Data Communications
Master Electrical Component List
ABS Description and Operation
Control Module References
Wheel Speed Sensors
B+ Bus 2 of 2
Fuse Block - Underhood F35 and F16 Fuses
Shift Lock Control
Brake, Hazard, and Turn Signal Switching
Power Moding
GM High Speed Serial Data (CAN C)
G109 and G110