GM Service Manual Online
For 1990-2009 cars only
Makes
🢒
Saturn
🢒
2005
🢒
ION
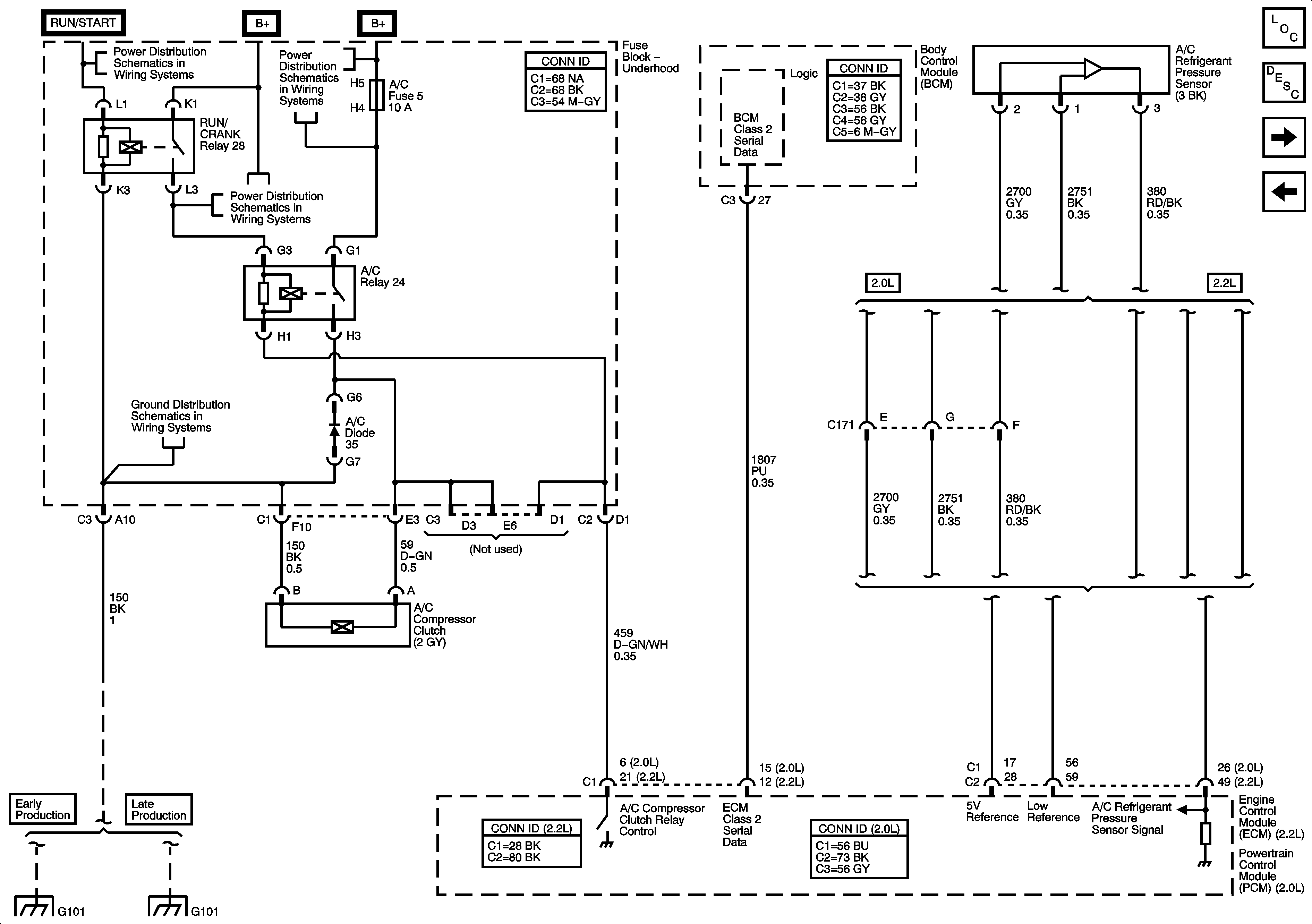
🢒 A/C Compressor Controls (C60)
A/C Compressor Controls (C60)
A/C Compressor Controls (C60)
Master Electrical Component List
Air Temperature Description and Operation
Air Recirculation Controls (C60)
Blower Controls
Ignition Switch
Fuse Block - Underhood Fuses: ABS, ABS1, ABS2, ECM, ECM/TCM, IGN, LH HDLP, Prem Audio, RH HDLP, Run/Crank
Fuse Block - Underhood BUS
G101 - Early Production
G101 - Early Production
G101 - Late Production