GM Service Manual Online
For 1990-2009 cars only
Makes
🢒
Saturn
🢒
2005
🢒
ION
🢒 Defogger Schematics
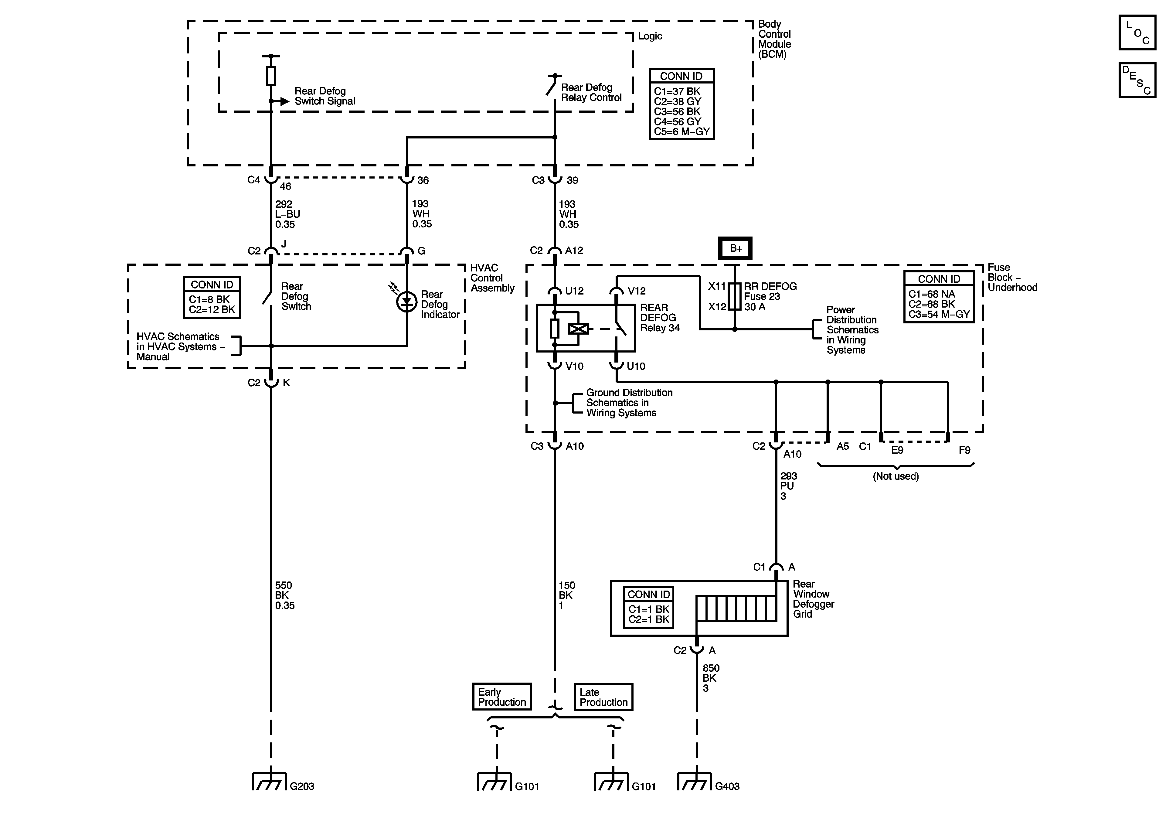
Defogger Schematics
Master Electrical Component List
Rear Window Defogger Description and Operation
Air Recirculation Controls (C60)
G101 - Early Production
Fuse Block - Underhood BUS
G203
G101 - Early Production
G101 - Late Production
G403 and G502