GM Service Manual Online
For 1990-2009 cars only
Makes
🢒
Saturn
🢒
2005
🢒
ION
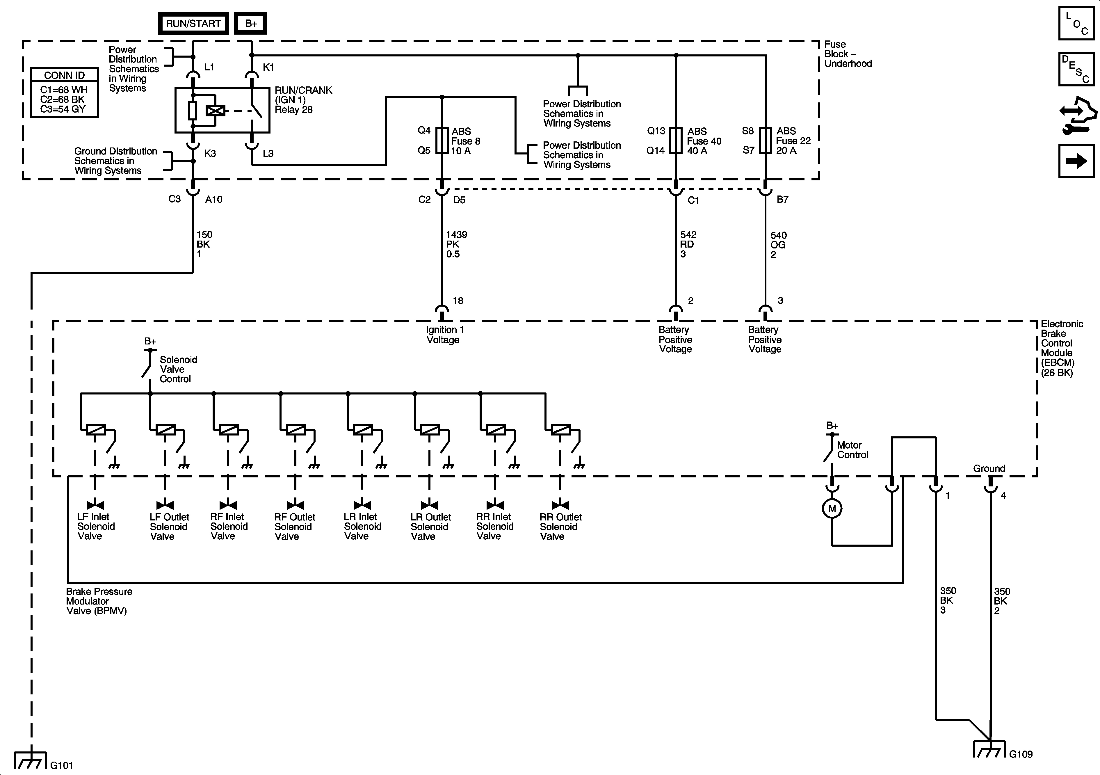
🢒 Power, Ground, and BPMV Controls
Power, Ground, and BPMV Controls
Power, Ground, and BPMV Controls
Master Electrical Component List
ABS Description and Operation
Control Module References
Traction Control, DLC, and Indicators
Ignition Switch and RUN/CRANK Fuse
G101
Fuseblock - Underhood Bus
ABS (10A), BACK UP, BOOST, ECM, TRANS 1, and TRANS 2 Fuses
G101
G103 (2.2L), G105 (2.2L), G109