GM Service Manual Online
For 1990-2009 cars only
Makes
🢒
Saturn
🢒
2006
🢒
ION
🢒
Body
🢒
Wiring Systems
🢒 SIR Schematics
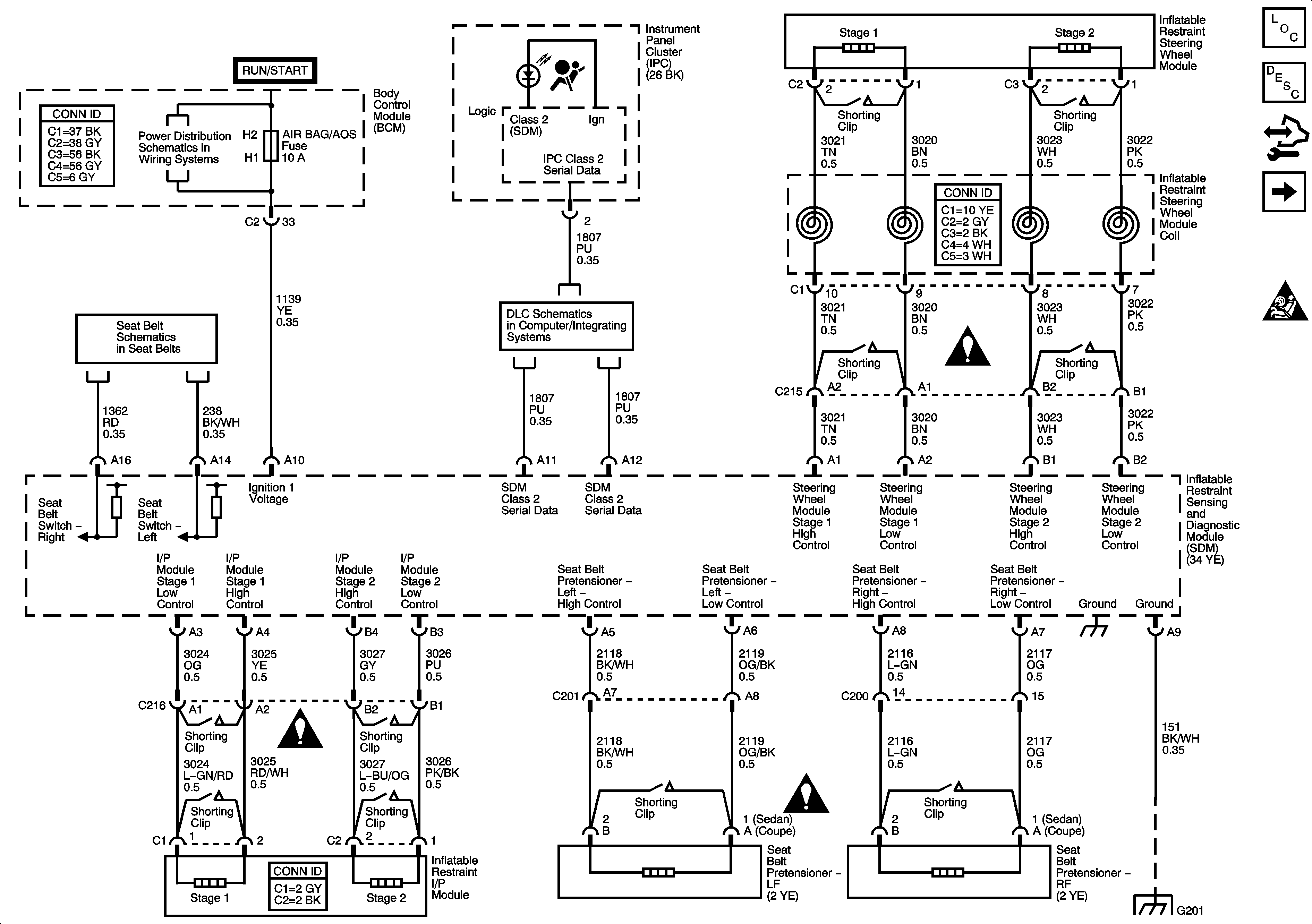
Figure
1:
Indicators and Power
Master Electrical Component List
SIR System Description and Operation
Control Module References
Side Impact ASF
SIR Schematic Icons
AIR BAG/AOS, CLUTCH/BRAKE/AOS, and EPS/CRUISE Fuses
Seat Belt Schematics
DLC Power, Ground, Class 2, and Low Speed GM LAN
SIR Schematic Icons
SIR Schematic Icons
SIR Schematic Icons
G201
Figure
2:
Side Impact - ASF
Master Electrical Component List
SIR System Description and Operation
Control Module References
Indicators and Power
SIR Schematic Icons
SIR Schematic Icons
SIR Schematic Icons
SIR Schematic Icons
SIR Schematic Icons
SIR Schematic Icons
Figure
3:
Passenger Presence System
Master Electrical Component List
SIR System Description and Operation
Control Module References
Side Impact ASF
SIR Schematic Icons
AIR BAG/AOS, CLUTCH/BRAKE/AOS, and EPS/CRUISE Fuses
BCM ELECT, CLUSTER/AOS, EPS (60A), FUEL PUMP, HVAC, IGN SW, IP BATT 2, RUN (IGN 3), and STOP Fuses, RUN and FUEL PUMP Relays
AIR BAG/AOS, CLUTCH/BRAKE/AOS, and EPS/CRUISE Fuses
SIR Schematic Icons
G201
G203