GM Service Manual Online
For 1990-2009 cars only
Makes
🢒
Saturn
🢒
2006
🢒
ION
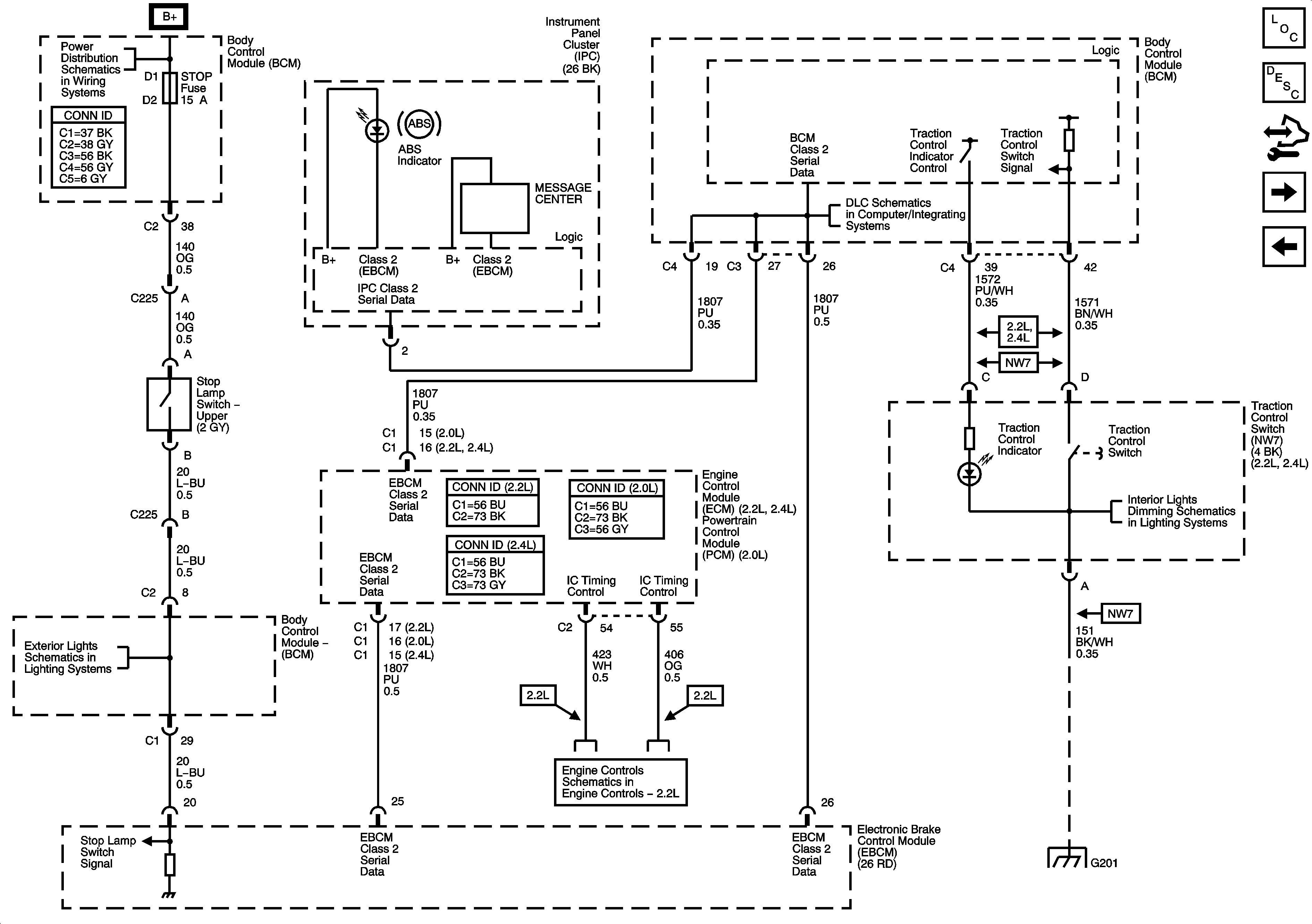
🢒 Traction Control, DLC, and Indicators
Traction Control, DLC, and Indicators
Traction Control, DLC, and Indicators
Master Electrical Component List
ABS Description and Operation
Control Module References
WSS
Power, Ground, and BPMV Controls
BCM ELECT, CLUSTER/AOS, EPS (60A), FUEL PUMP, HVAC, IGN SW, IP BATT 2, RUN (IGN 3), and STOP Fuses, RUN and FUEL PUMP Relays
DLC Power, Ground, Class 2, and Low Speed GM LAN
Stop Lamps
Turn Signal/Multifunction Switch, Instrument Panel Cluster, I/P Dimmer Switch, Hazard Switch, Fog Lamp Switch, Traction Control Switch and Radio
Ignition Controls - 2.2L
G201