GM Service Manual Online
For 1990-2009 cars only

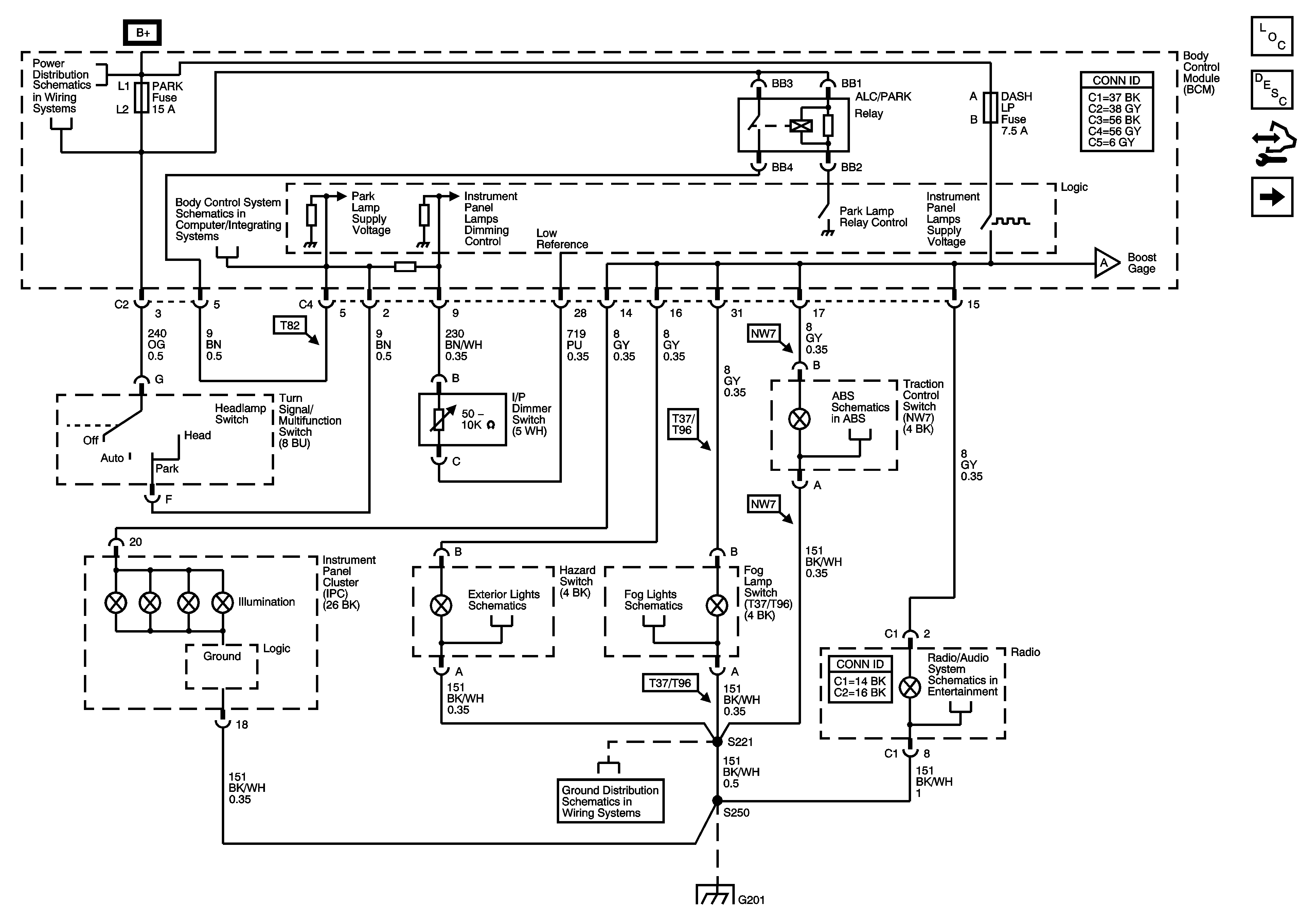
Turn Signal/Multifunction Switch, Instrument Panel Cluster, I/P Dimmer Switch, Hazard Switch, Fog Lamp Switch, Traction Control Switch and Radio

Turn Signal/Multifunction Switch, IPC, I/P Dimmer Switch, Hazard Switch, Fog Lamp Switch, Traction Control Switch and Radio


Object Number: 1592825  Size: FS
Master Electrical Component List
Interior Lighting Systems Description and Operation
Control Module References
Shift Indicator Module, Boost Gage, A/T Shift Indicator and HVAC Control Assembly
BCM (PWR), DASH, IP BATT 1, IP BATT 1A, LIGHTER, ONSTAR, PARK, PWR OUTLET, PWR WINDOWS, RADIO (ACC.), RADIO (BATT), SUN ROOF, and WIPER SW Fuses
G201
Traction Control, DLC, and Indicators
Power and Ground, Signals, and References
Shift Indicator Module, Boost Gage, A/T Shift Indicator and HVAC Control Assembly
G201