GM Service Manual Online
For 1990-2009 cars only
Makes
🢒
Saturn
🢒
2003
🢒
L200/LW200
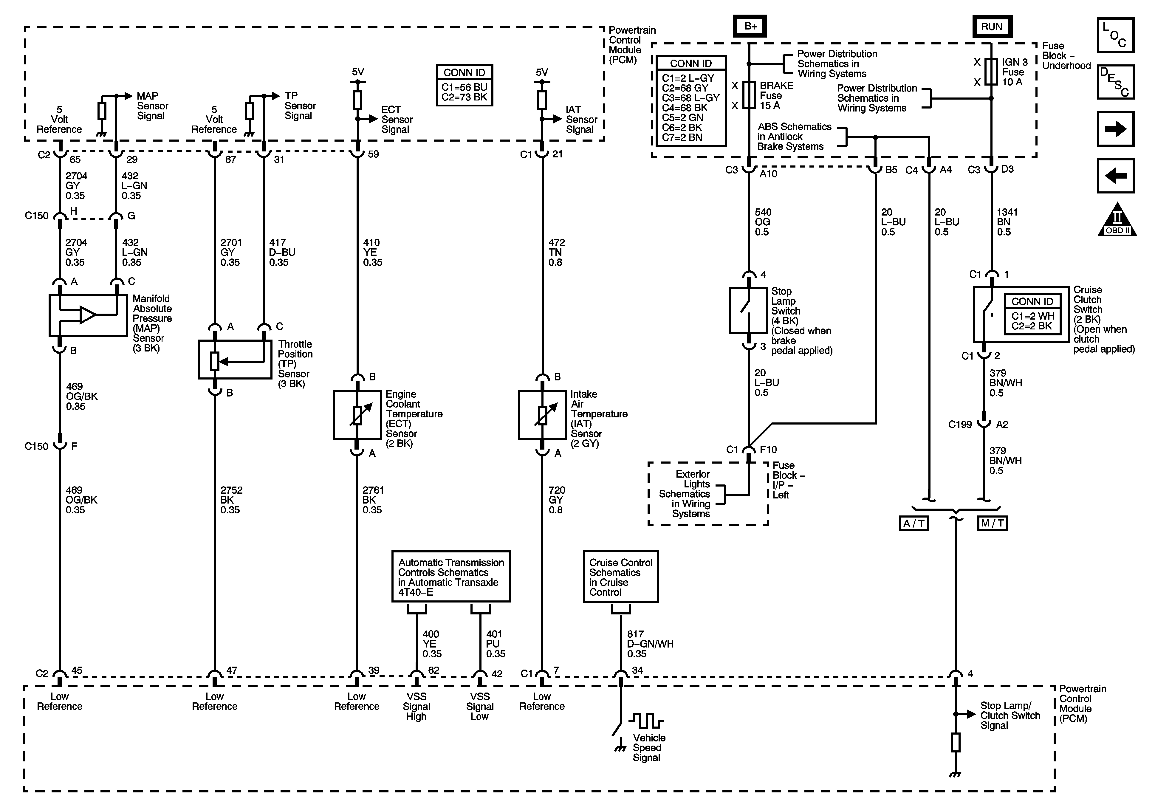
🢒 Engine Data Sensors- A/T, M/T w/ ABS
Engine Data Sensors- A/T, M/T w/ ABS
Engine Data Sensors- Sensors and Switches (A/T or w/ABS)
Master Electrical Component List
Air Intake System Description
Engine Data Sensors- M/T w/o ABS
Engine Data Sensors- 5 Volt and Low Reference
OBD II Symbol Description Notice
Fuse Block-Underhood Bus
Fuse Block-Underhood : IGN3 - Fuse Block-Right I/P : Heated Seat
EBCM Power, Ground, Serial Data, and Switches- 2.2L
Solenoids,Speed Sensors, Stop Lamp Switch
Cruise Control Schematics- 2.2L
Stop Lamps