GM Service Manual Online
For 1990-2009 cars only
Makes
🢒
Saturn
🢒
2003
🢒
L200/LW200
🢒 Washer and Wiper Controls
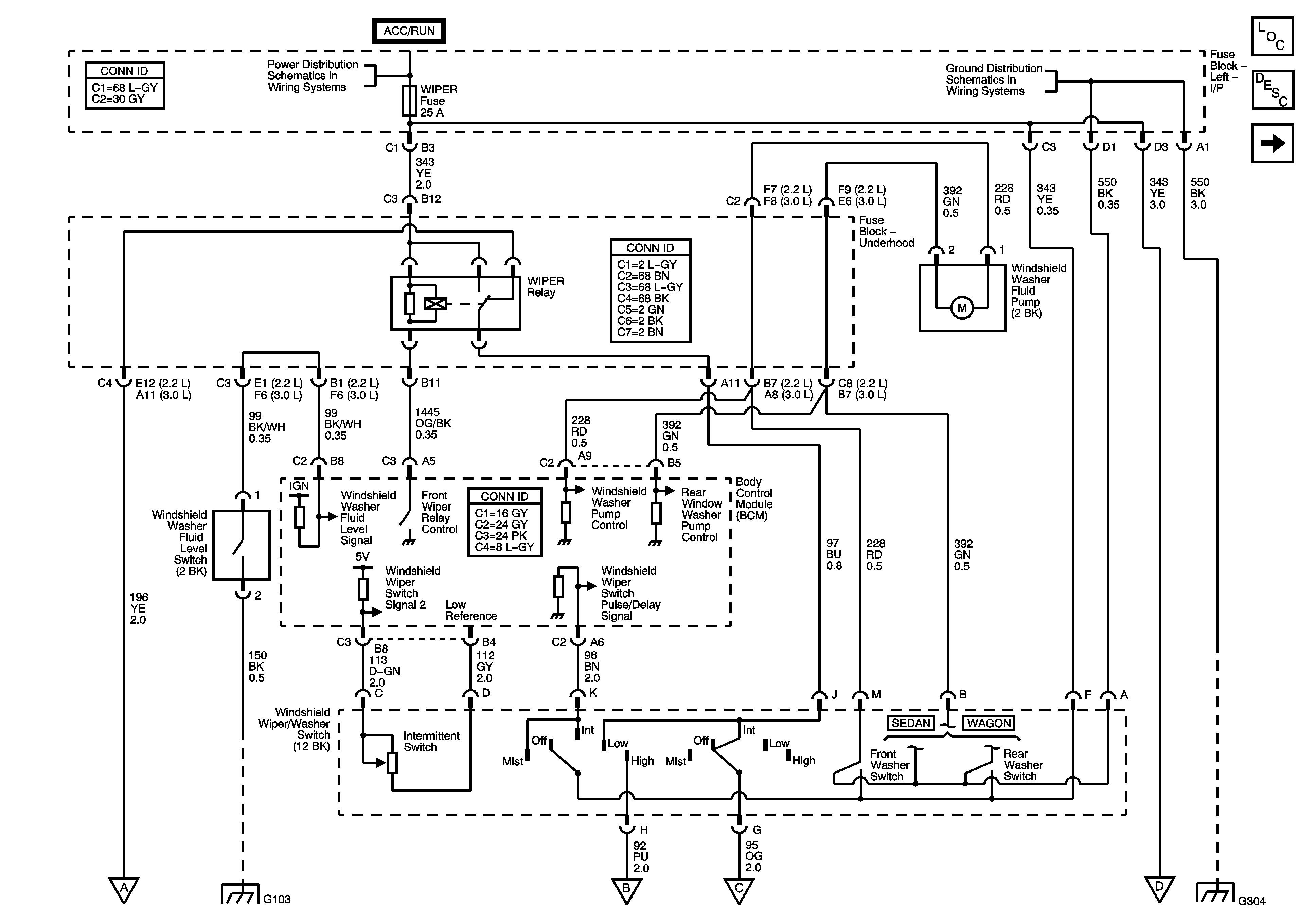
Washer and Wiper Controls
Windshield Wiper/Wiper Switch and Washer Control
Master Electrical Component List
Wiper/Washer System Description and Operation
Wiper Motors
Fuse Block-Right I/P : Rear Wiper/Sunroof - Fuse Block-Left I/P : Wiper, BTSI/BCM/Mirror and Radio
G300, G304
Wiper Motors
G105, G103, G113 and G107
Wiper Motors
Wiper Motors
Wiper Motors
G300, G304