GM Service Manual Online
For 1990-2009 cars only
Makes
🢒
Saturn
🢒
2003
🢒
L200/LW200
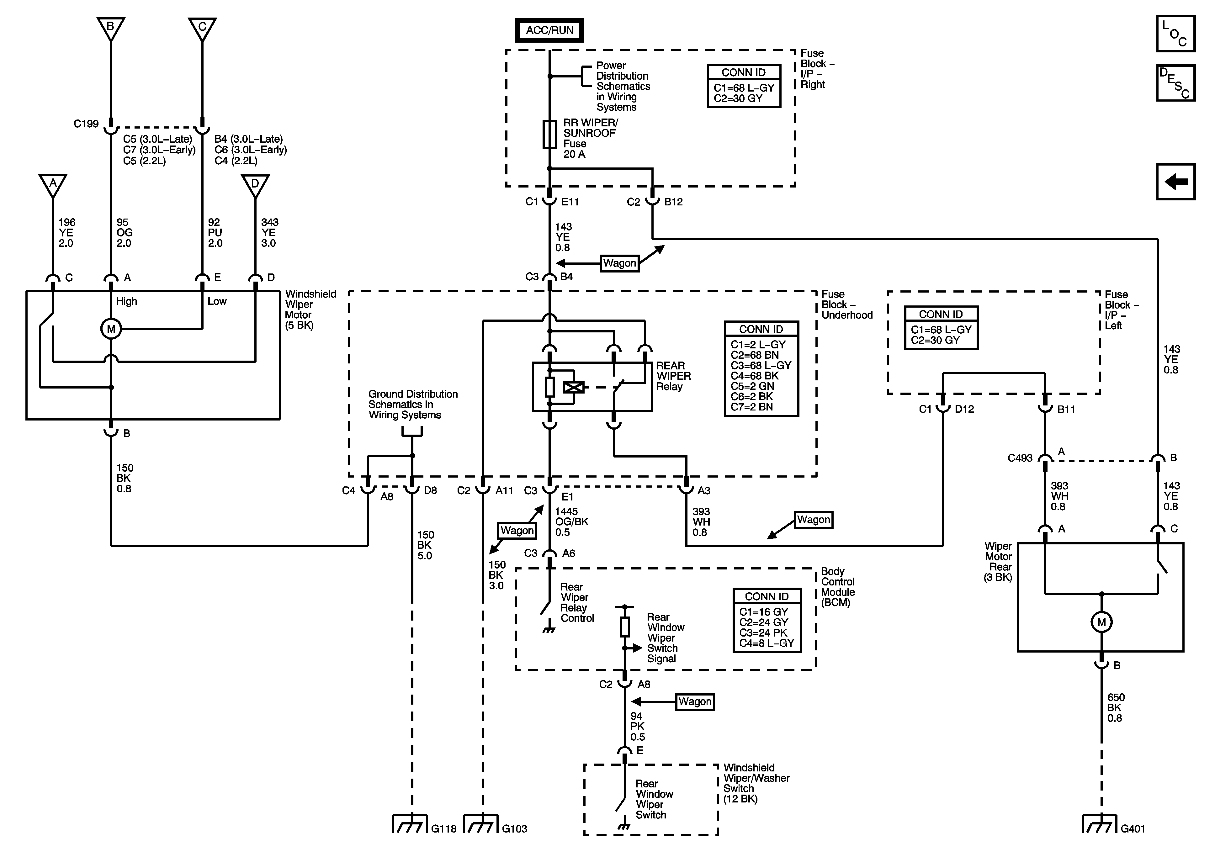
🢒 Wiper Motors
Wiper Motors
Wiper Motors
Master Electrical Component List
Wiper/Washer System Description and Operation
Washer and Wiper Controls
Washer and Wiper Controls
Washer and Wiper Controls
Washer and Wiper Controls
Washer and Wiper Controls
Fuse Block-Right I/P : Rear Wiper/Sunroof - Fuse Block-Left I/P : Wiper, BTSI/BCM/Mirror and Radio
G118
G105, G103, G113 and G107
G464, G401, G463 and G403