GM Service Manual Online
For 1990-2009 cars only
Makes
🢒
Saturn
🢒
2003
🢒
L200/LW200
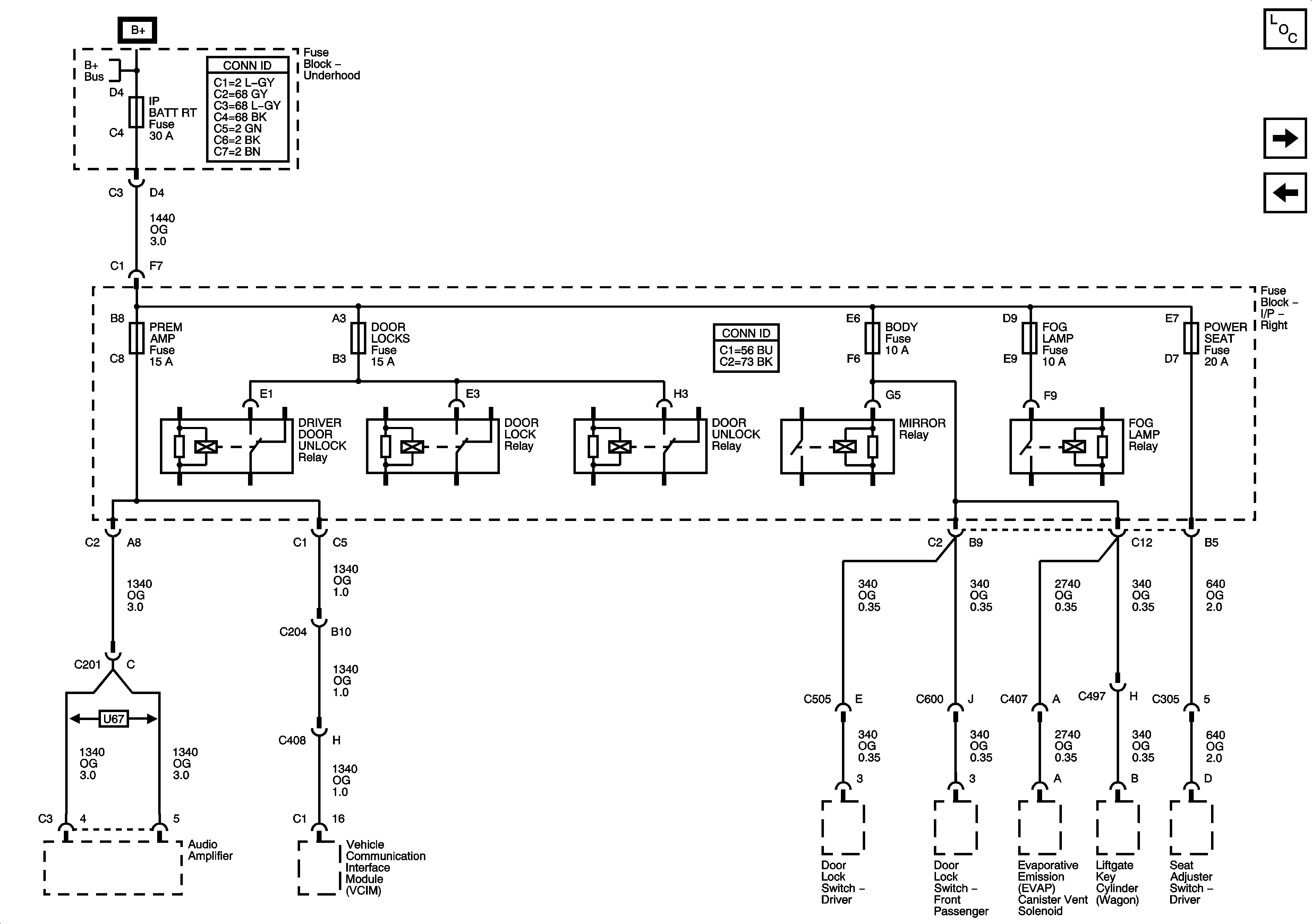
🢒 Fuse Block-Underhood Fuses: IP BATT RT FUse Block- Right I/P Fuses: Prev Amp, Door Locks, Body,Fog Lamps
Fuse Block-Underhood Fuses: IP BATT RT FUse Block- Right I/P Fuses: Prev Amp, Door Locks, Body,Fog Lamps
Fuse Block-Underhood : IP BATT RT . Fuse Block-Right I/P : Prem Amp, Door Locks, Body and Fog Lamp
Master Electrical Component List
Fuse Block Underhood Fuses: HVAC Blower, Radio, CD/DLC Fuse Block-Left I/P Fuses: IGN3
Fuse Block-Underhood: IGN3; Fuse Block-Right I/P: Heated Seat
Fuse Block - Underhood Bus