GM Service Manual Online
For 1990-2009 cars only
Makes
🢒
Saturn
🢒
2003
🢒
L200/LW200
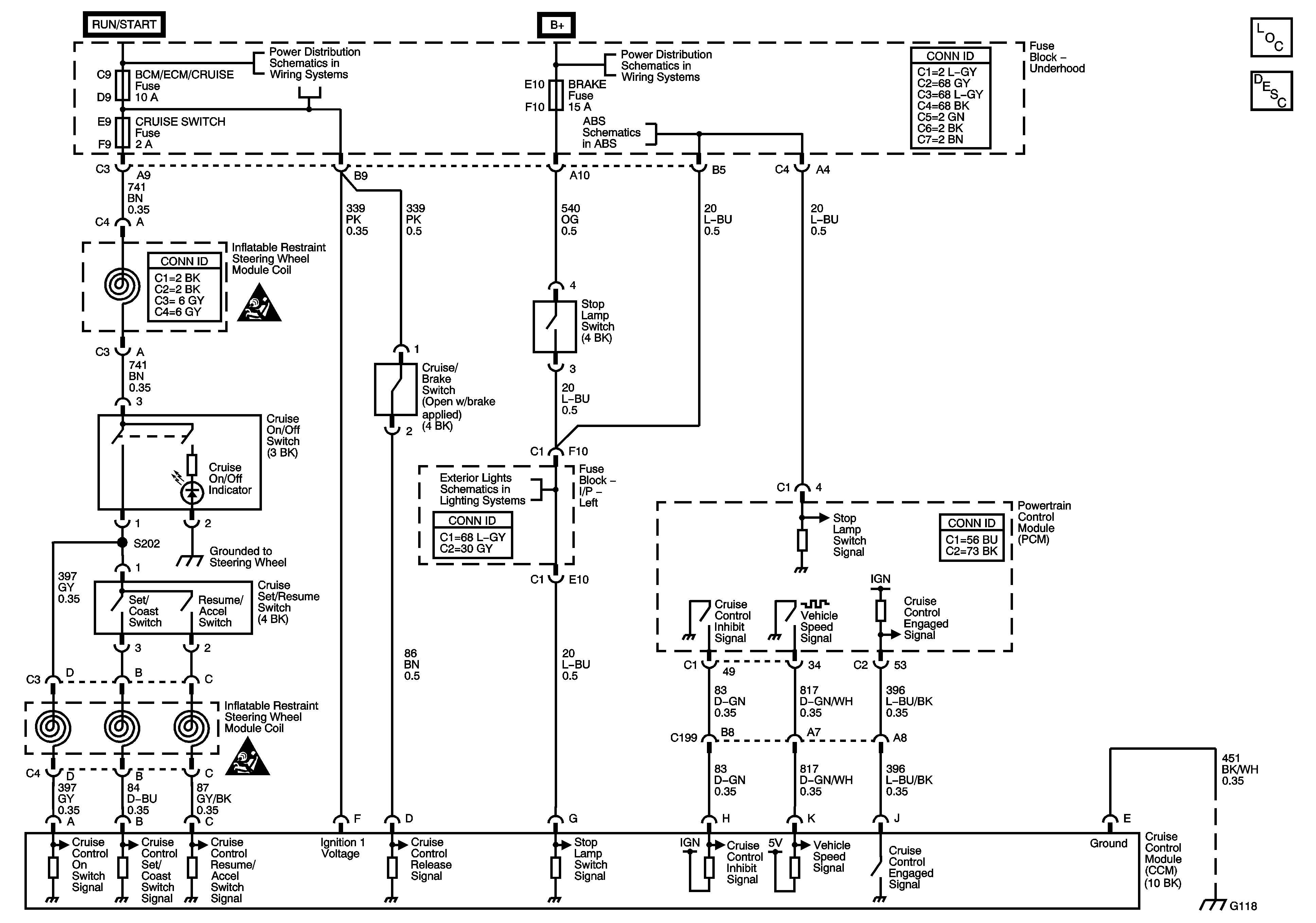
🢒 Cruise Control Schematics - 2.2L
Cruise Control Schematics - 2.2L
Master Electrical Component List
Cruise Control Description and Operation L61
Fuse Block - Underhood Fuses: BCM/ECM/CRUISE/ABS, Cruise Switch, IGN1 and Backup/Turn
Fuse Block - Underhood Bus
Module Power, Ground, Serial Data, and Switches - 2.2L
Fuse Block-Underhood: IGN3; Fuse Block-Right I/P: Heated Seat
SIR Caution for Zoning
SIR Caution for Zoning
Stop Lamps
G102, G110, G118, G114