GM Service Manual Online
For 1990-2009 cars only
Makes
🢒
Saturn
🢒
2003
🢒
L200/LW200
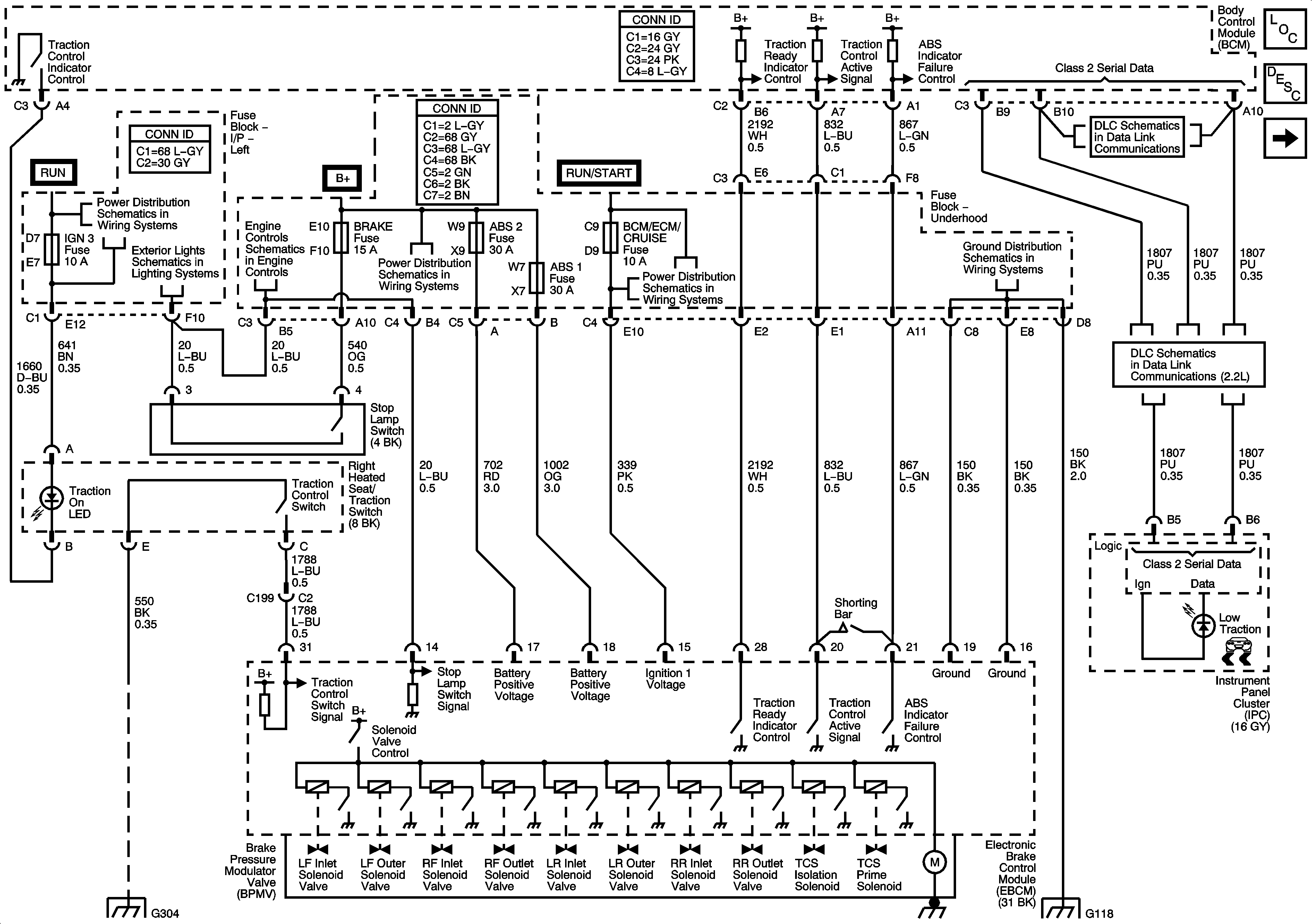
🢒 Module Power, Ground, Serial Data, and Switches - 2.2L
Module Power, Ground, Serial Data, and Switches - 2.2L
EBCM Power, Ground, Serial Data, and Switches- 2.2L
Master Electrical Component List
ABS Description and Operation
Module Power, Ground, Serial Data, and Switches - 3.0L
Fuse Block Underhood Fuses: HVAC Blower, Radio, CD/DLC Fuse Block-Left I/P Fuses: IGN3
Stop Lamps
Engine Data Sensors
Fuse Block - Underhood Bus
Fuse Block - Underhood Fuses: BCM/ECM/CRUISE/ABS, Cruise Switch, IGN1 and Backup/Turn
G118
DLC Schematics (2.2L)
DLC Schematics (2.2L)
G300, G304
G118