GM Service Manual Online
For 1990-2009 cars only
Makes
🢒
Saturn
🢒
2005
🢒
L300/LW300
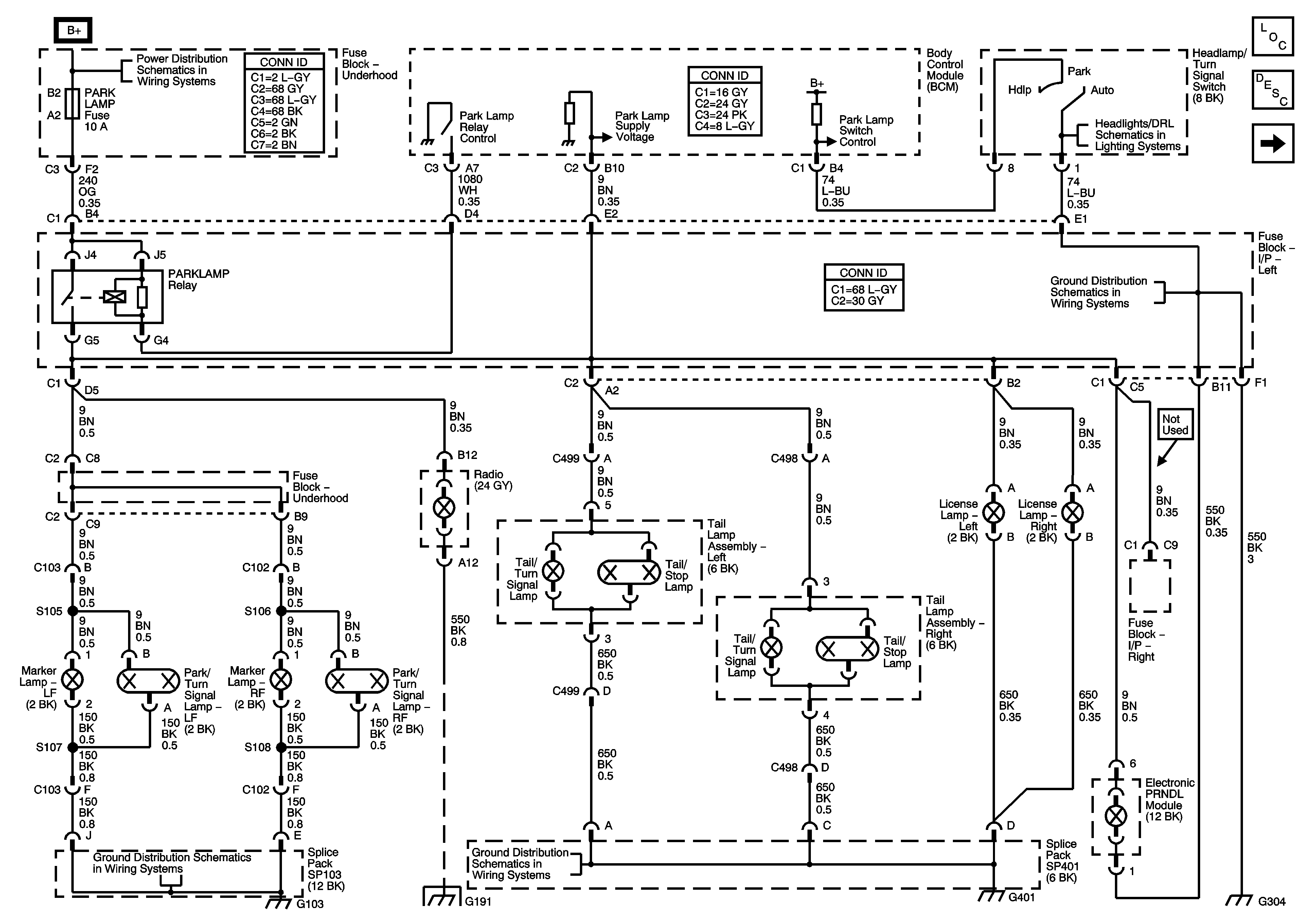
🢒 Parking Lamps
Parking Lamps
Parking Lamps
Master Electrical Component List
Exterior Lighting Systems Description and Operation
Stop Lamps
Fuse Block - Underhood Bus
Headlights/DRL Schematics
G300 (3 of 3) and G304
G103, G105, G107, and G113
G191, G202, and G303
G305, G399, G400, and G401