GM Service Manual Online
For 1990-2009 cars only
Makes
🢒
Saturn
🢒
2005
🢒
L300/LW300
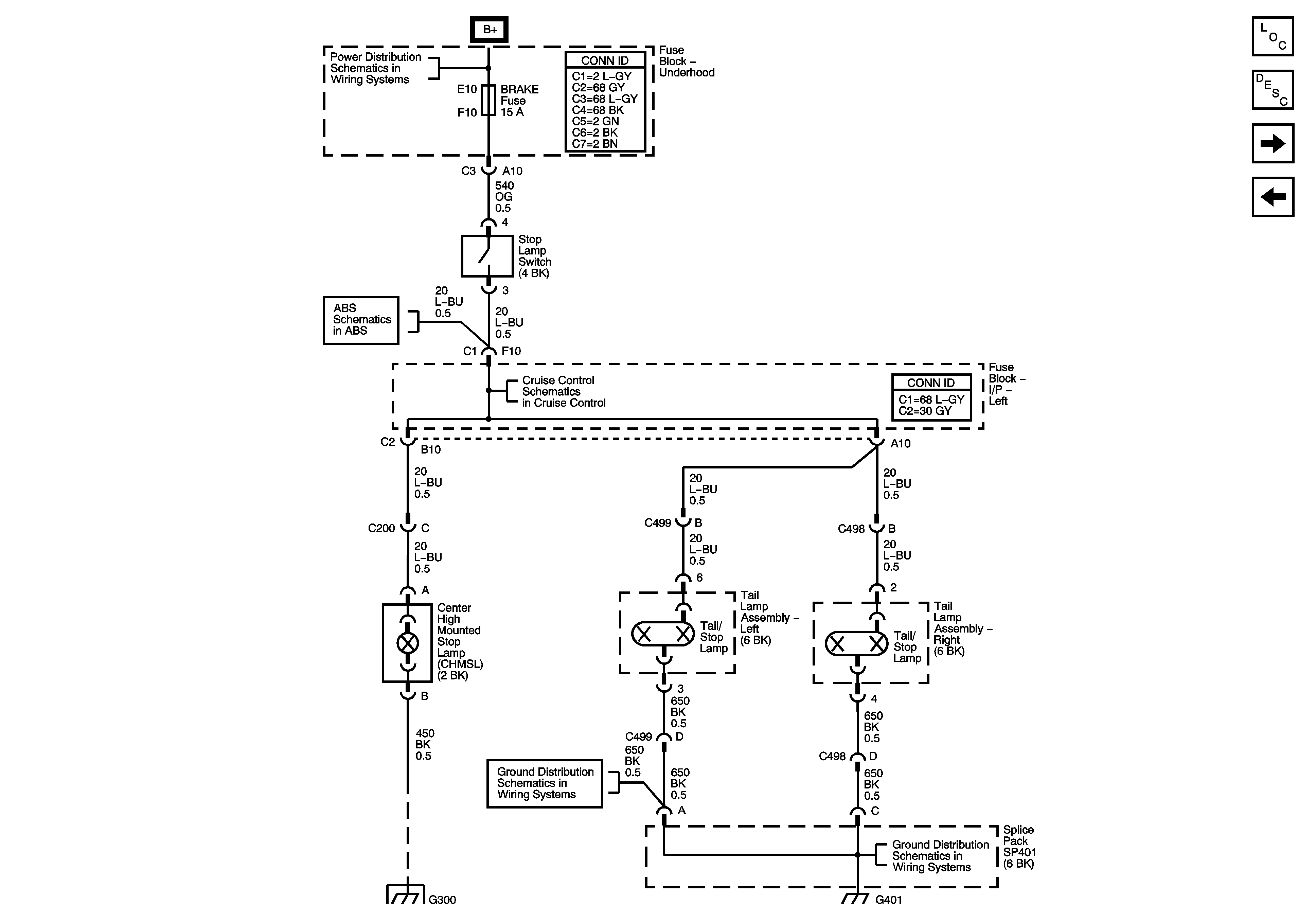
🢒 Stop Lamps
Stop Lamps
Stop Lamps
Master Electrical Component List
Exterior Lighting Systems Description and Operation
Turn/Hazard Lamps
Parking Lamps
Fuse Block - Underhood Bus
Module, Power, Ground, Serial Data, and Switches
Cruise Control
G305, G399, G400, and G401
G300 (1 of 3)
G305, G399, G400, and G401