GM Service Manual Online
For 1990-2009 cars only
Makes
🢒
Saturn
🢒
2005
🢒
L300/LW300
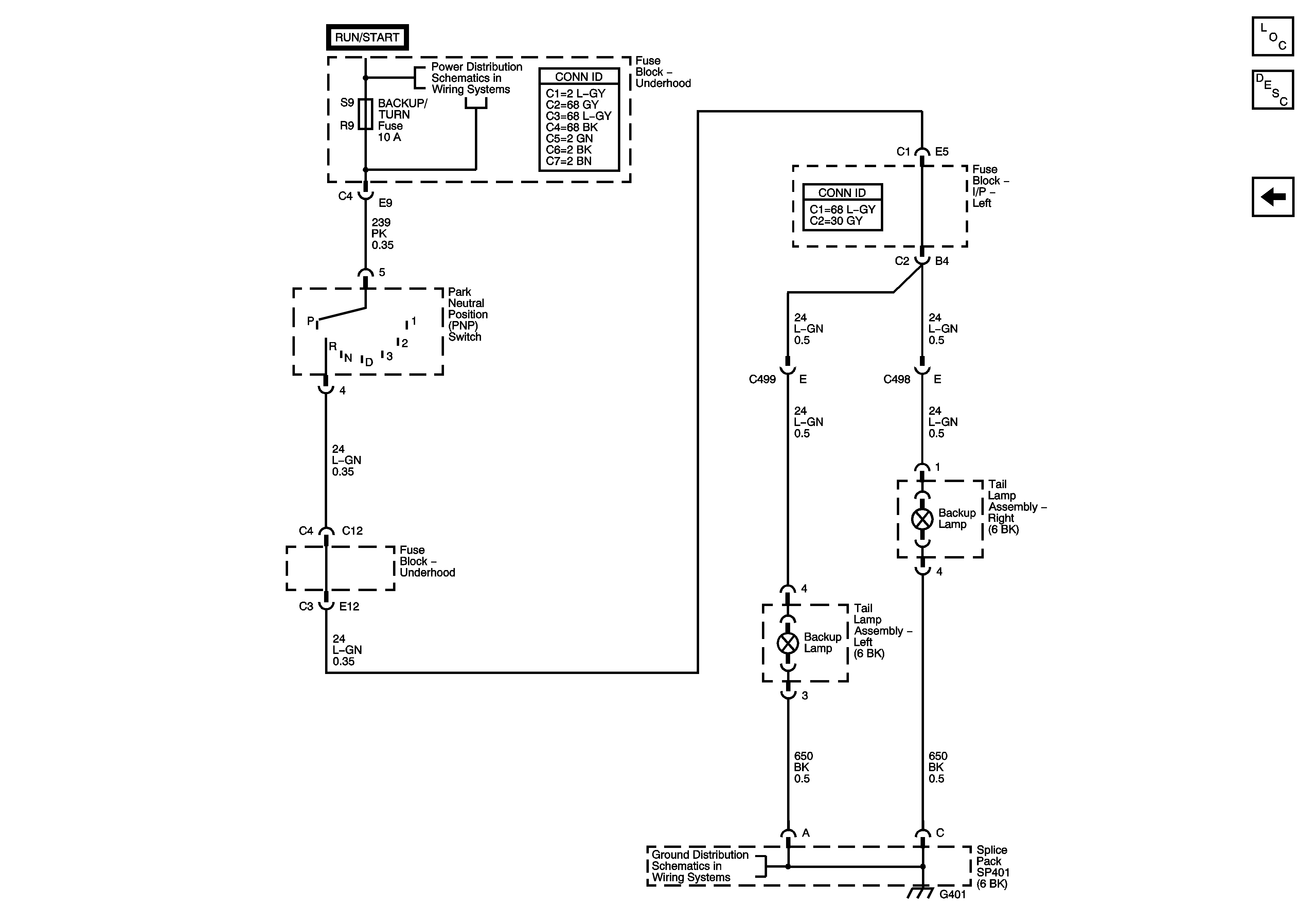
🢒 Backup Lamps
Backup Lamps
Backup Lamps
Master Electrical Component List
Exterior Lighting Systems Description and Operation
Turn/Hazard Lamps
BACKUP/TURN, BCM/ECM/CRUISE, CRUISE SW, and IGN 1 Fuses
G305, G399, G400, and G401