GM Service Manual Online
For 1990-2009 cars only
Makes
🢒
Saturn
🢒
2005
🢒
L300/LW300
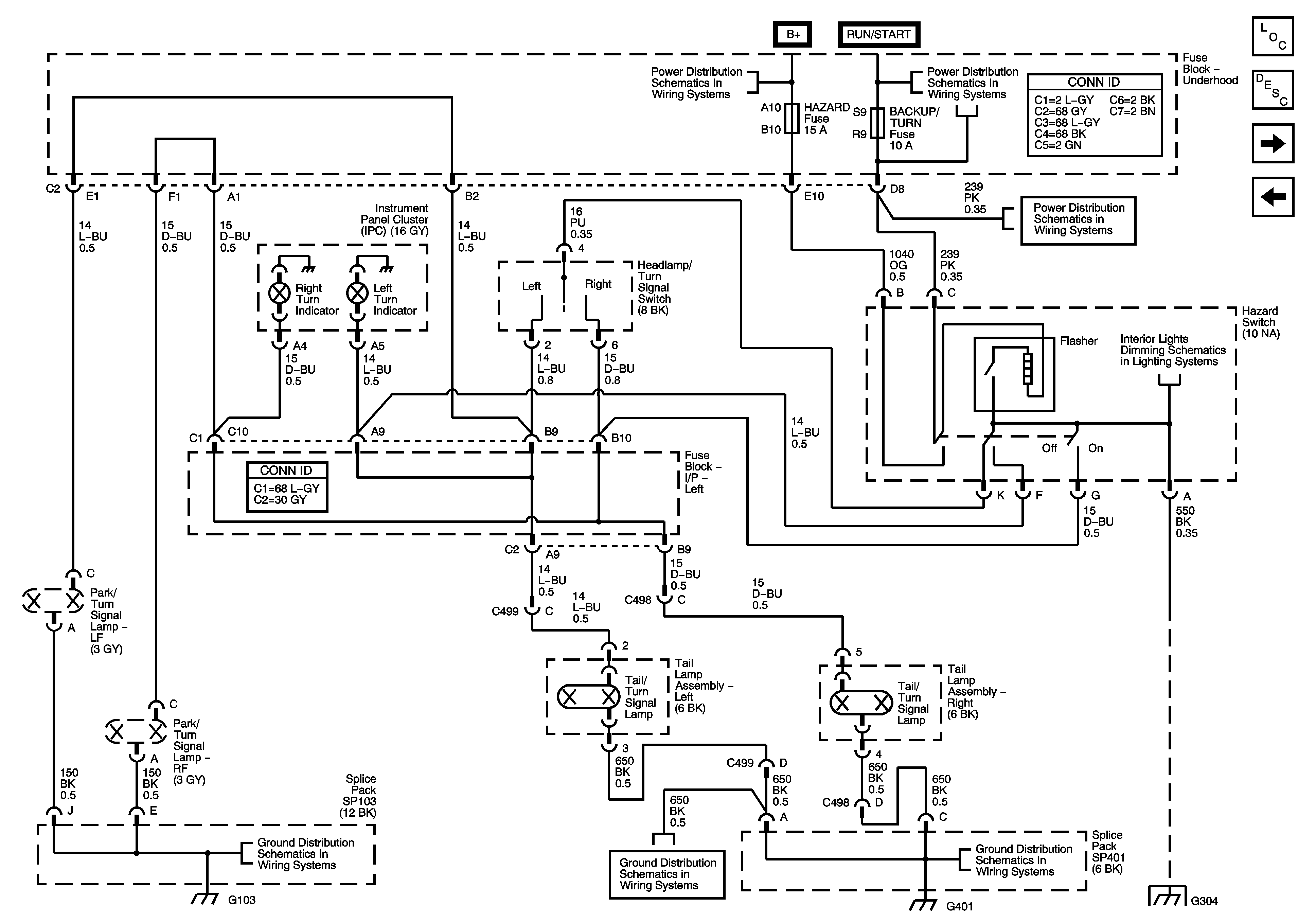
🢒 Turn/Hazard Lamps
Turn/Hazard Lamps
Turn/Hazard Lamps
Master Electrical Component List
Exterior Lighting Systems Description and Operation
Backup Lamps
Stop Lamps
Fuse Block - Underhood Bus
BACKUP/TURN, BCM/ECM/CRUISE, CRUISE SW, and IGN 1 Fuses
BACKUP/TURN, BCM/ECM/CRUISE, CRUISE SW, and IGN 1 Fuses
Interior Lights Dimming
G103, G105, G107, and G113
G305, G399, G400, and G401
G305, G399, G400, and G401
G300 (3 of 3) and G304