GM Service Manual Online
For 1990-2009 cars only
Figure 1:

AG1


Object Number: 1844200  Size: FS
Master Electrical Component List
Power Seats System Description and Operation
Control Module References
AH5
BATT 2, BCK/UP/STOP, HTD/SEAT, LT/TRN/SIG, PDM, PWR/MIRRORS, and RT/TRN/SIG Fuses, LT/PWR/SEAT, PWR/COLUMN, and RT/PWR/SEAT Circuit Breakers
G303 1 of 2
Figure 2:

AH5


Object Number: 1844201  Size: FS
Master Electrical Component List
Power Seats System Description and Operation
Control Module References
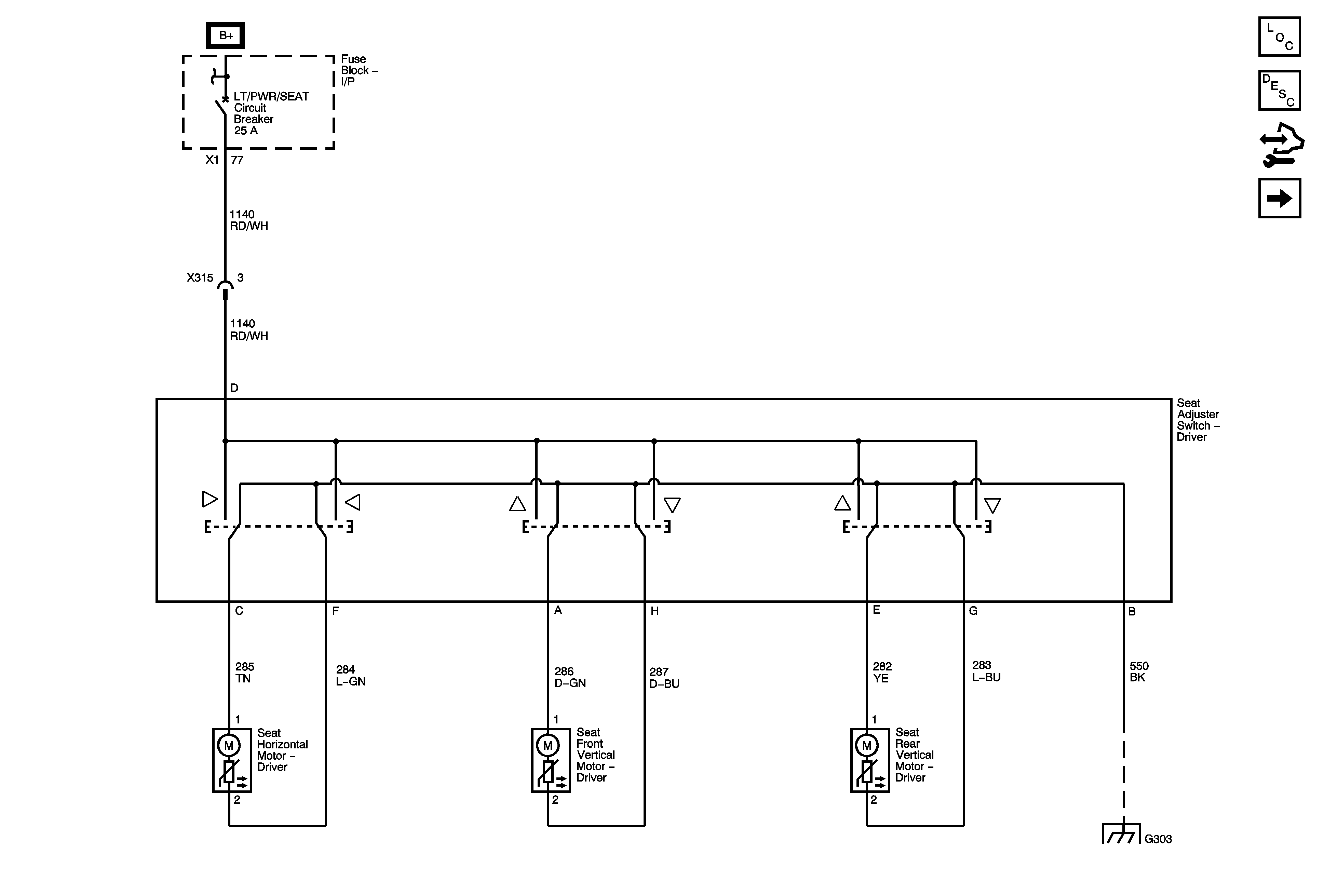
AG3 Module Power and Data Communication, Driver Switches
AG1
BATT 2, BCK/UP/STOP, HTD/SEAT, LT/TRN/SIG, PDM, PWR/MIRRORS, and RT/TRN/SIG Fuses, LT/PWR/SEAT, PWR/COLUMN, and RT/PWR/SEAT Circuit Breakers
G303 1 of 2
Figure 3:

AG3 Module Power and Data Communication, Driver Switches


Object Number: 1844202  Size: FS
Master Electrical Component List
Memory Seats Description and Operation
Control Module References
AG3 Position Sensors and Lumbar Motors
AH5
BATT 2, BCK/UP/STOP, HTD/SEAT, LT/TRN/SIG, PDM, PWR/MIRRORS, and RT/TRN/SIG Fuses, LT/PWR/SEAT, PWR/COLUMN, and RT/PWR/SEAT Circuit Breakers
AIRBAG, AMP, BATT 1, BCM, CNSTR/VENT, CSTY, DISPLAY, INADV/PWR/LED, INFOTAINMENT, MSM, POWER MOD, and RADIO Fuses
AIRBAG, AMP, BATT 1, BCM, CNSTR/VENT, CSTY, DISPLAY, INADV/PWR/LED, INFOTAINMENT, MSM, POWER MOD, and RADIO Fuses
Data Communication Schematics
Data Communication Schematics
Figure 4:

AG3 Position Sensors and Lumbar Motors


Object Number: 1844203  Size: FS
Master Electrical Component List
Memory Seats Description and Operation
Control Module References
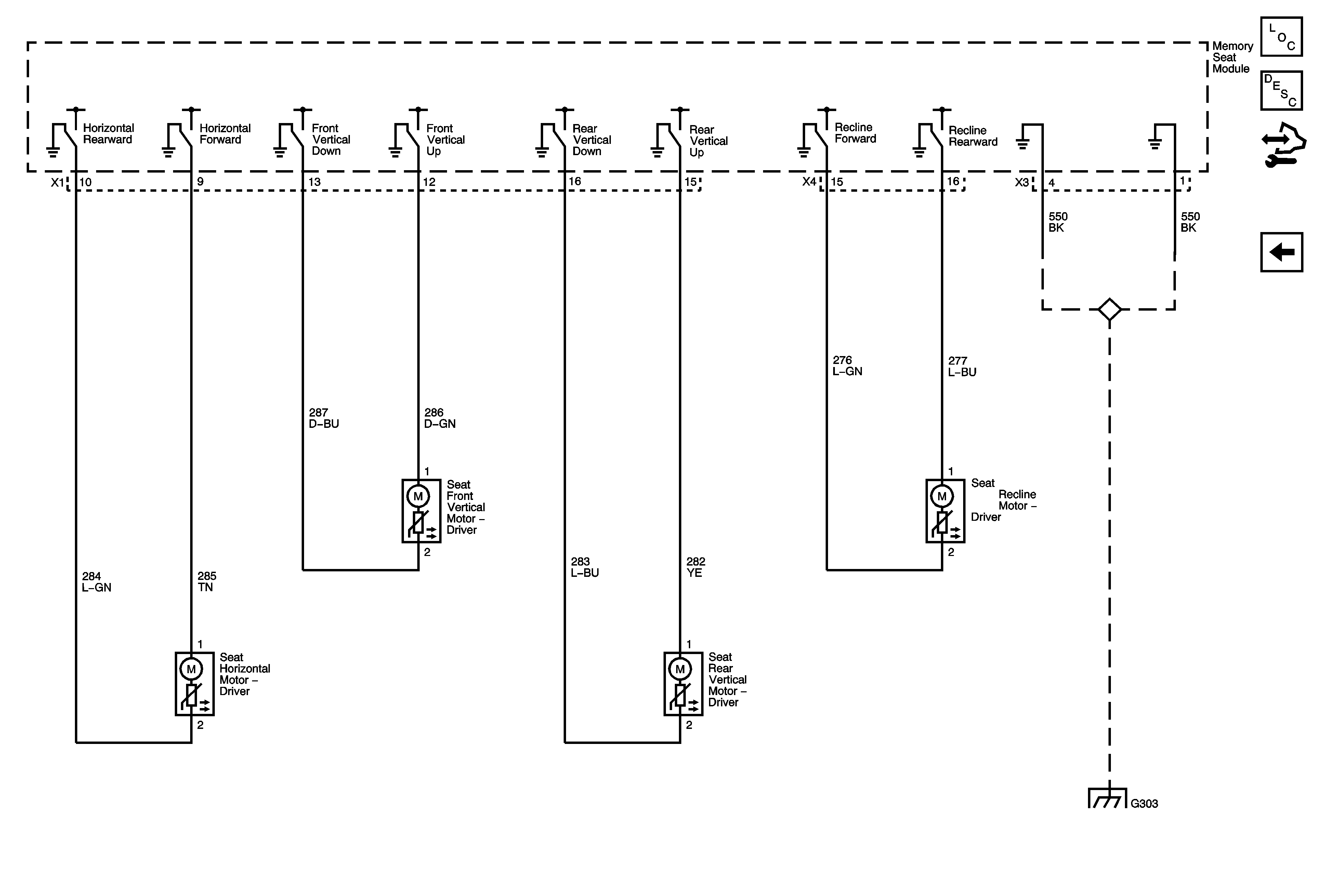
AG3 Module Ground, Recline, Horizontal, and Vertical Motor
AG3 Module Power and Data Communication, Driver Switches
Figure 5:

AG3 Module Ground, Recline, Horizontal, and Vertical Motors


Object Number: 1844204  Size: FS
Master Electrical Component List
Memory Seats Description and Operation
Control Module References
AG3 Position Sensors and Lumbar Motors
G303 1 of 2