GM Service Manual Online
For 1990-2009 cars only
Makes
🢒
Saturn
🢒
2007
🢒
OUTLOOK - FWD
🢒 Starting
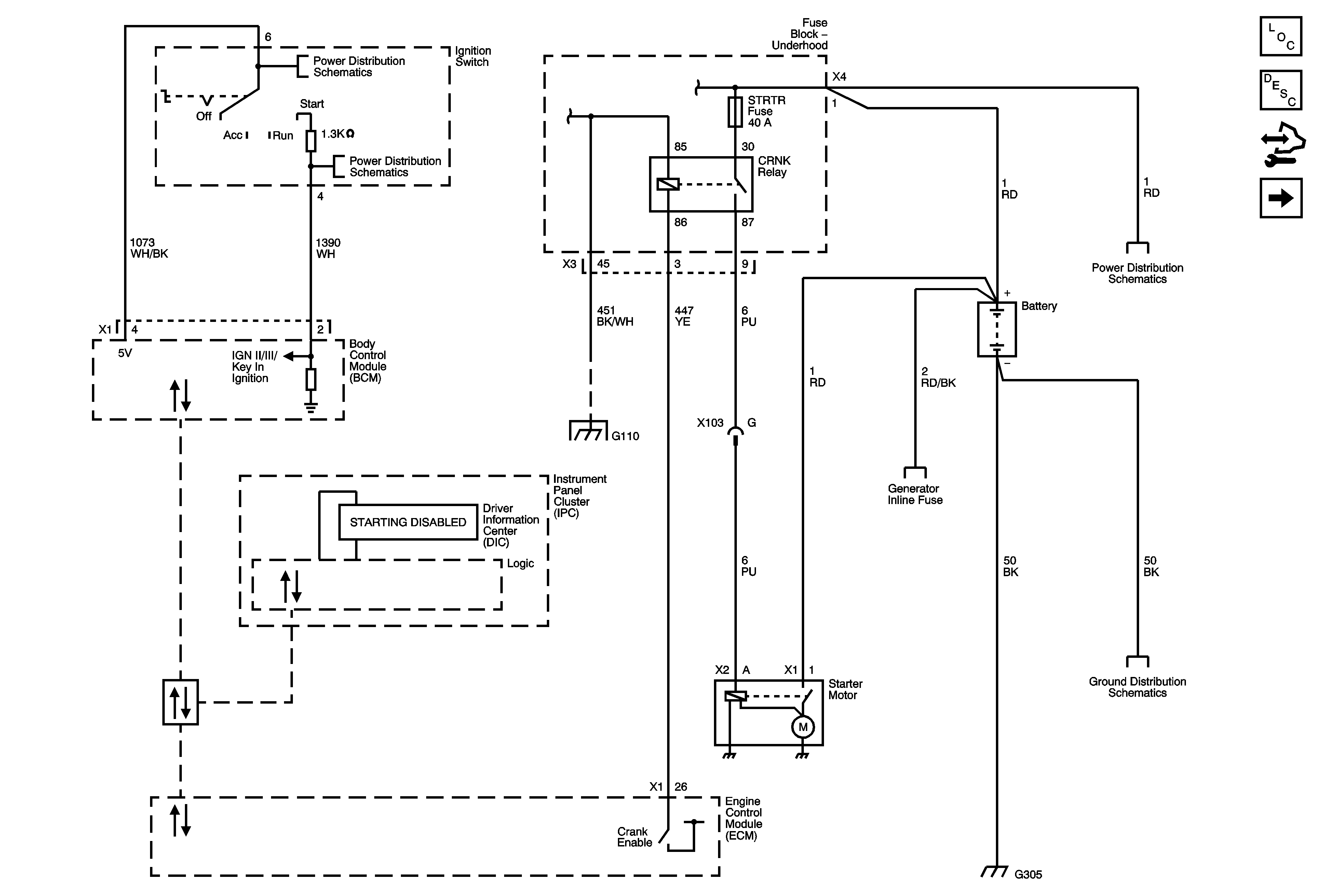
Starting
Starting
Master Electrical Component List
Starting System Description and Operation
Control Module References
Charging
Ignition Switch and AIRBAG, PCM IGN, RR CAMERA, and TRANS Fuses
Ignition Switch and AIRBAG, PCM IGN, RR CAMERA, and TRANS Fuses
G105 and G110
B+ Bus 1 of 2
B+ Bus 1 of 2
B+ Bus 1 of 2
Data Communication Schematics
G303 2 of 2, G304, and G305