GM Service Manual Online
For 1990-2009 cars only
Makes
🢒
Saturn
🢒
2007
🢒
OUTLOOK - FWD
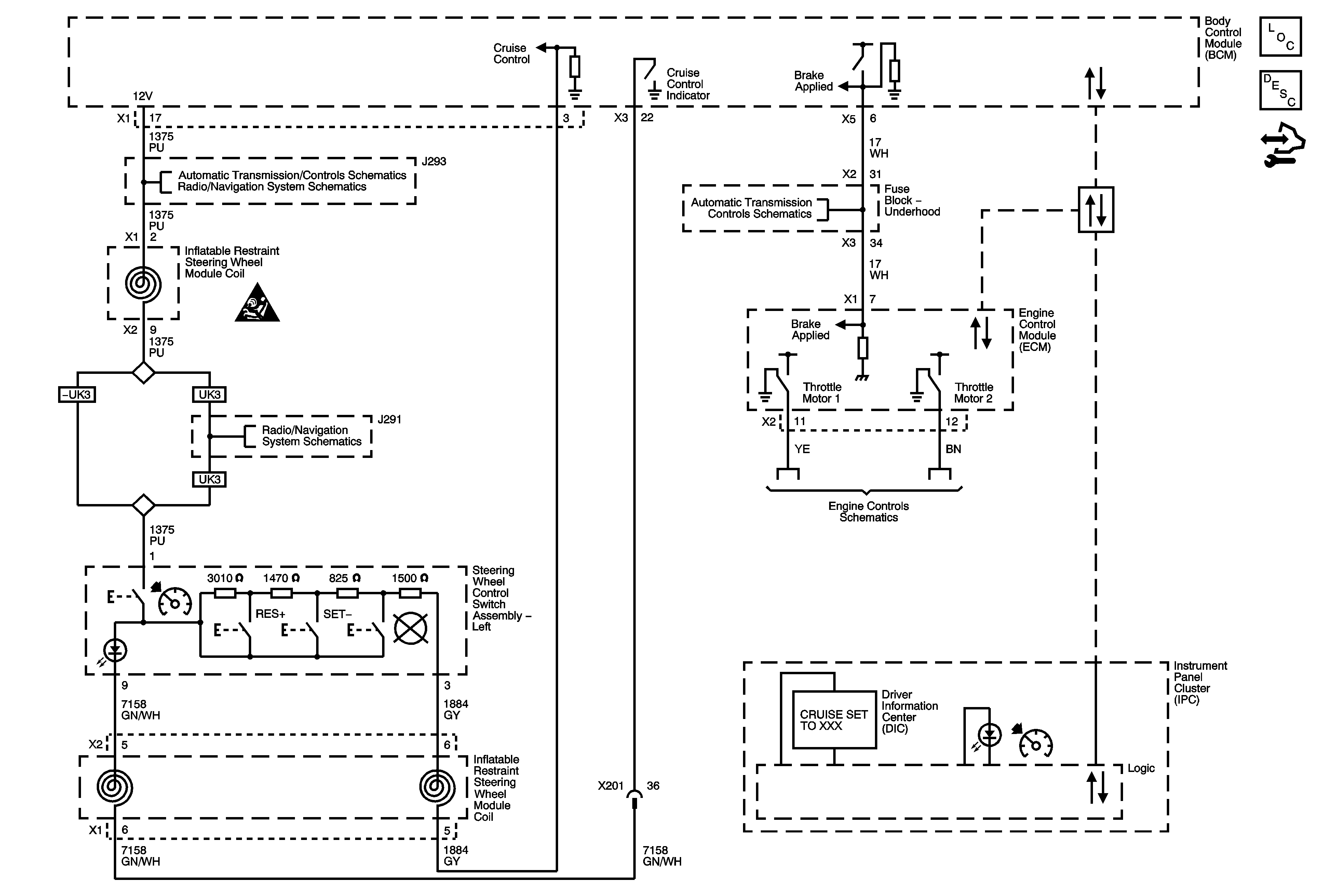
🢒 Cruise Control
Cruise Control
Master Electrical Component List
Cooling Fan Description and Operation
Control Module References
IMS and Tap Up/Tap Down
Module Power, Ground, Data Communication, MIL and Brake Applied Signal
Data Communication Schematics
Secondary Controls
Engine Data Sensors - Throttle Actuator Controls
Cruise Control Schematic Icons