GM Service Manual Online
For 1990-2009 cars only
Makes
🢒
Saturn
🢒
2007
🢒
OUTLOOK - FWD
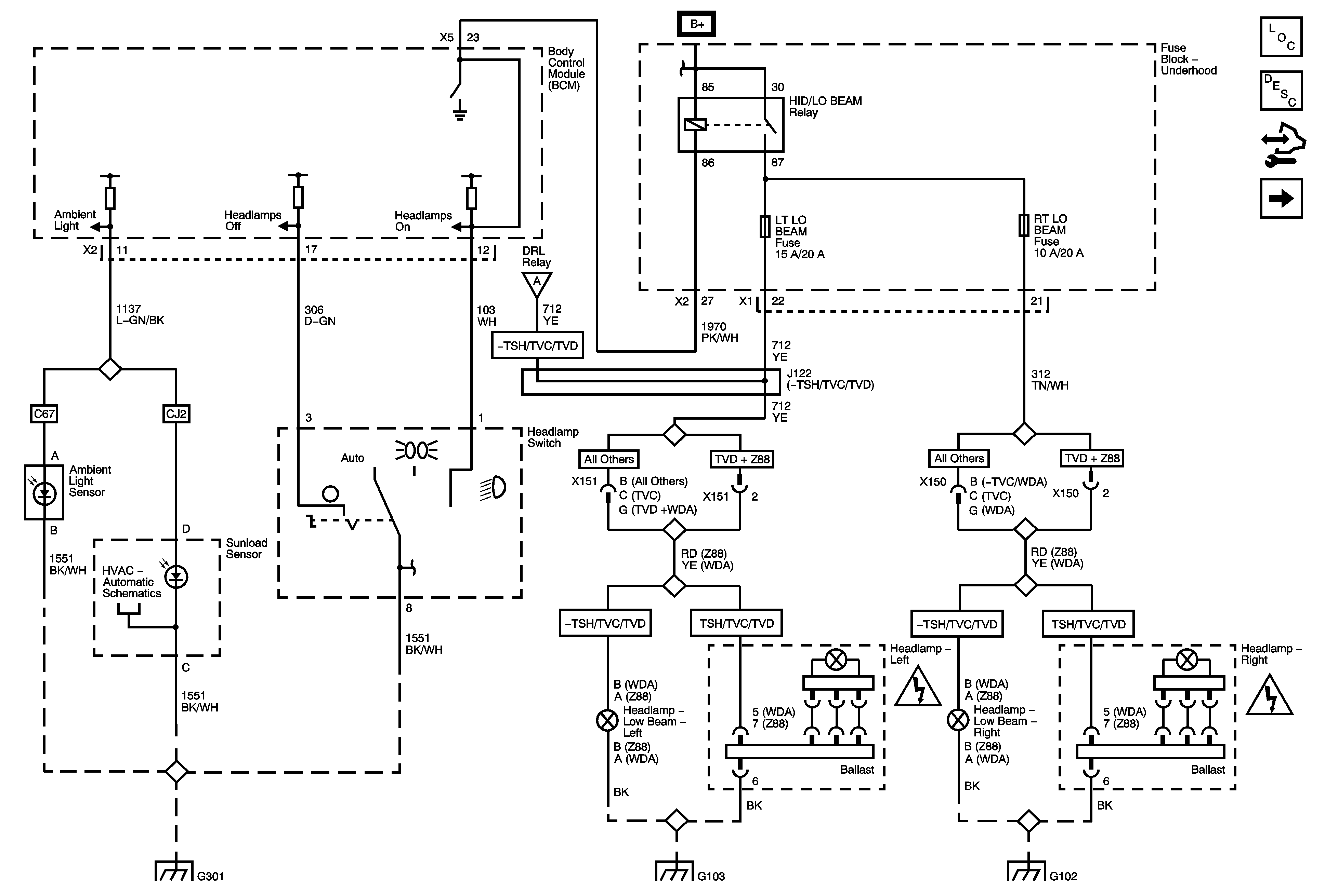
🢒 Low Beams
Low Beams
Low Beams
Master Electrical Component List
Exterior Lighting Systems Description and Operation
Control Module References
High Beams
B+ Bus 1 of 2
Daytime Running Lights
B+ Bus 1 of 2
B+ Bus 1 of 2
Module Power and Ground, Blower Control, Data Communication and Sunload
G301 1 of 2
Ground Distribution Schematics
Ground Distribution Schematics
Lighting Systems Schematic Icons
Lighting Systems Schematic Icons