GM Service Manual Online
For 1990-2009 cars only
Makes
🢒
Saturn
🢒
2007
🢒
OUTLOOK - FWD
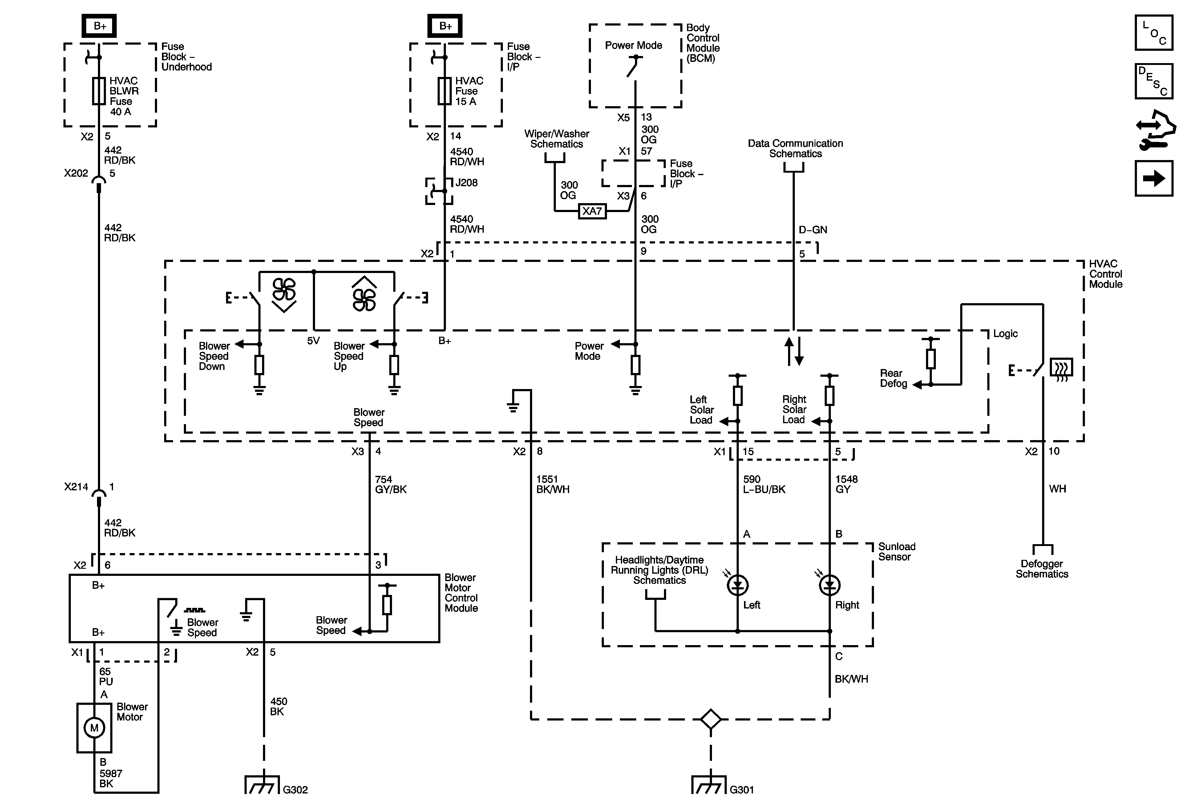
🢒 Module Power and Ground, Blower Control, Data Communication and Sunload
Module Power and Ground, Blower Control, Data Communication and Sunload
Module Power and Ground, Blower Control, Data Communication and Sunload
Master Electrical Component List
Air Delivery Description and Operation
Control Module References
Actuators
B+ Bus 1 of 2
BATT 3, DRL, DRL 2, DR/LCK, FRT/WSW, HVAC, and REAR WIPER Fuses, PWR/WNDW Circuit Breaker
Front Washers
Data Communication Schematics
G301 2 of 2
Low Beams
G301 1 of 2