GM Service Manual Online
For 1990-2009 cars only
Makes
🢒
Saturn
🢒
2007
🢒
OUTLOOK - FWD
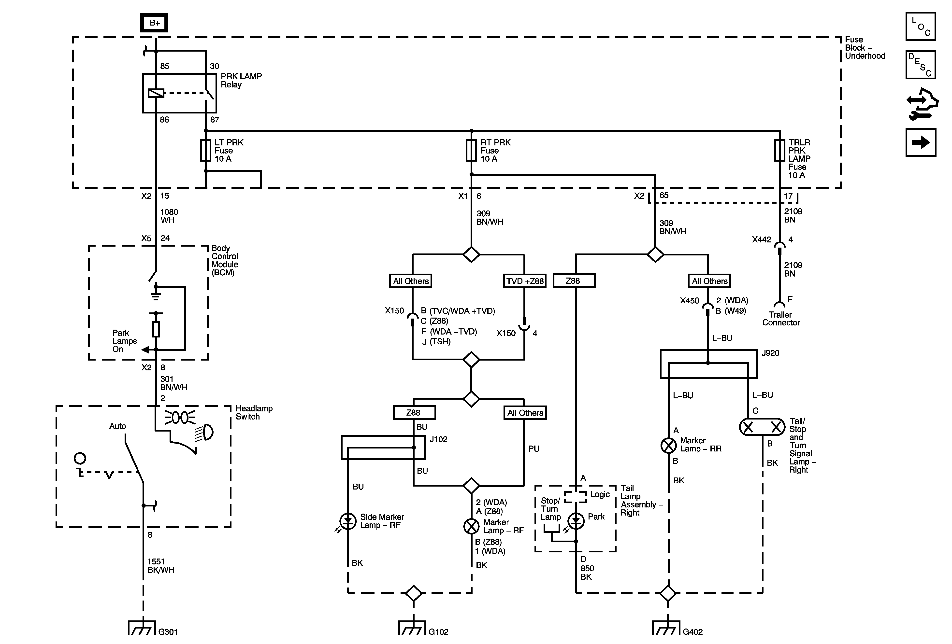
🢒 Park Lamp Control and Right Park Lamps
Park Lamp Control and Right Park Lamps
Park Lamp Control and Right Park Lamps
Master Electrical Component List
Exterior Lighting Systems Description and Operation
Control Module References
Left Park Lamps
B+ Bus 2 of 2
B+ Bus 2 of 2
B+ Bus 2 of 2
B+ Bus 2 of 2
G301 1 of 2
Ground Distribution Schematics
G402 1 of 2