GM Service Manual Online
For 1990-2009 cars only
Makes
🢒
Saturn
🢒
2007
🢒
OUTLOOK - FWD
🢒 Rear Doors
Rear Doors
Rear Doors
Master Electrical Component List
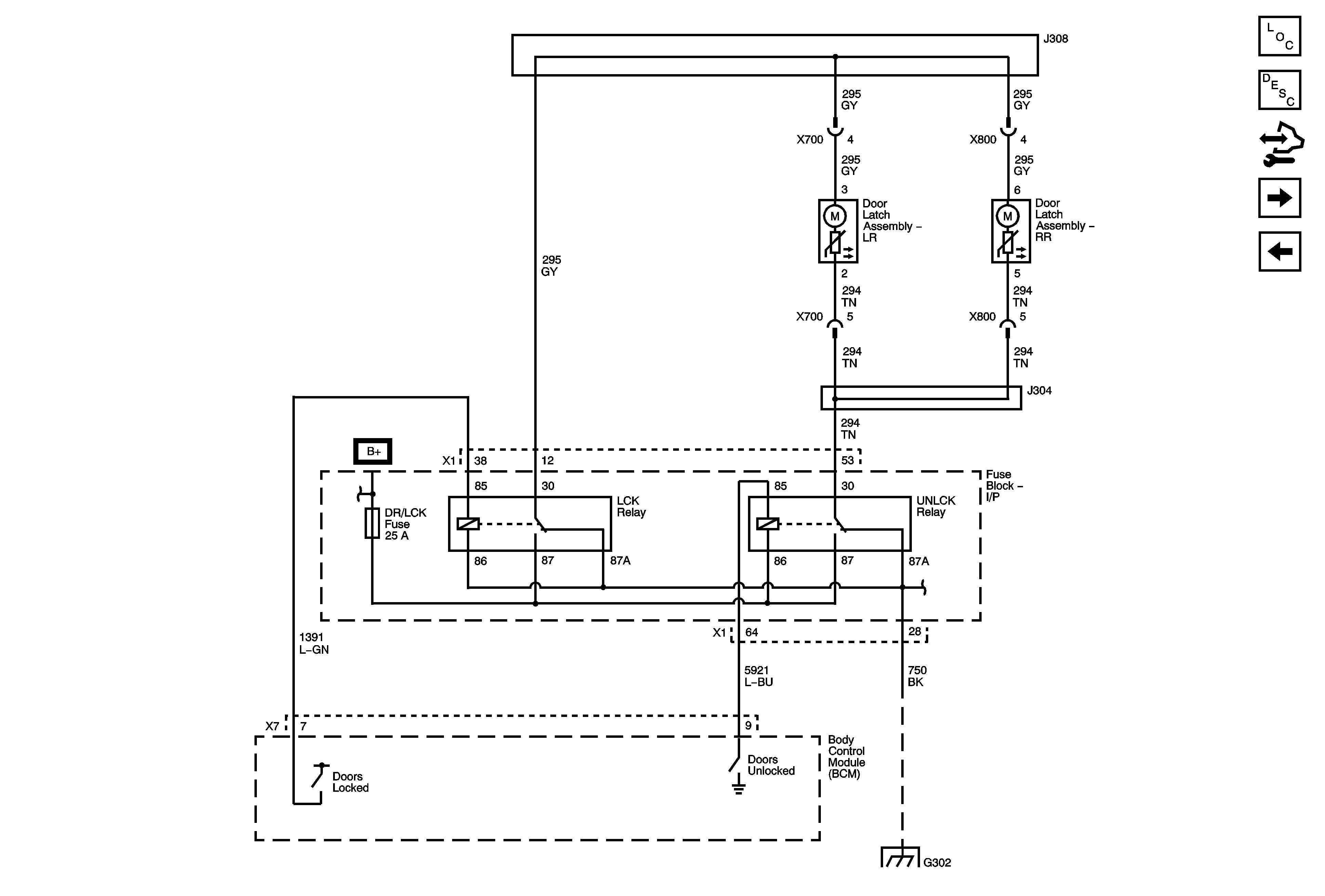
Power Door Locks Description and Operation (AXC/AXE)
Control Module References
Indicators
Front Doors
BATT 3, DRL, DRL 2, DR/LCK, FRT/WSW, HVAC, and REAR WIPER Fuses, PWR/WNDW Circuit Breaker
G302 1 of 3