GM Service Manual Online
For 1990-2009 cars only
Makes
🢒
Saturn
🢒
2007
🢒
OUTLOOK - FWD
🢒 Indicators
Indicators
Indicators
Master Electrical Component List
Power Door Locks Description and Operation (AXC/AXE)
Control Module References
Rear Doors
Data Communication Schematics
Data Communication Schematics
Data Communication Schematics
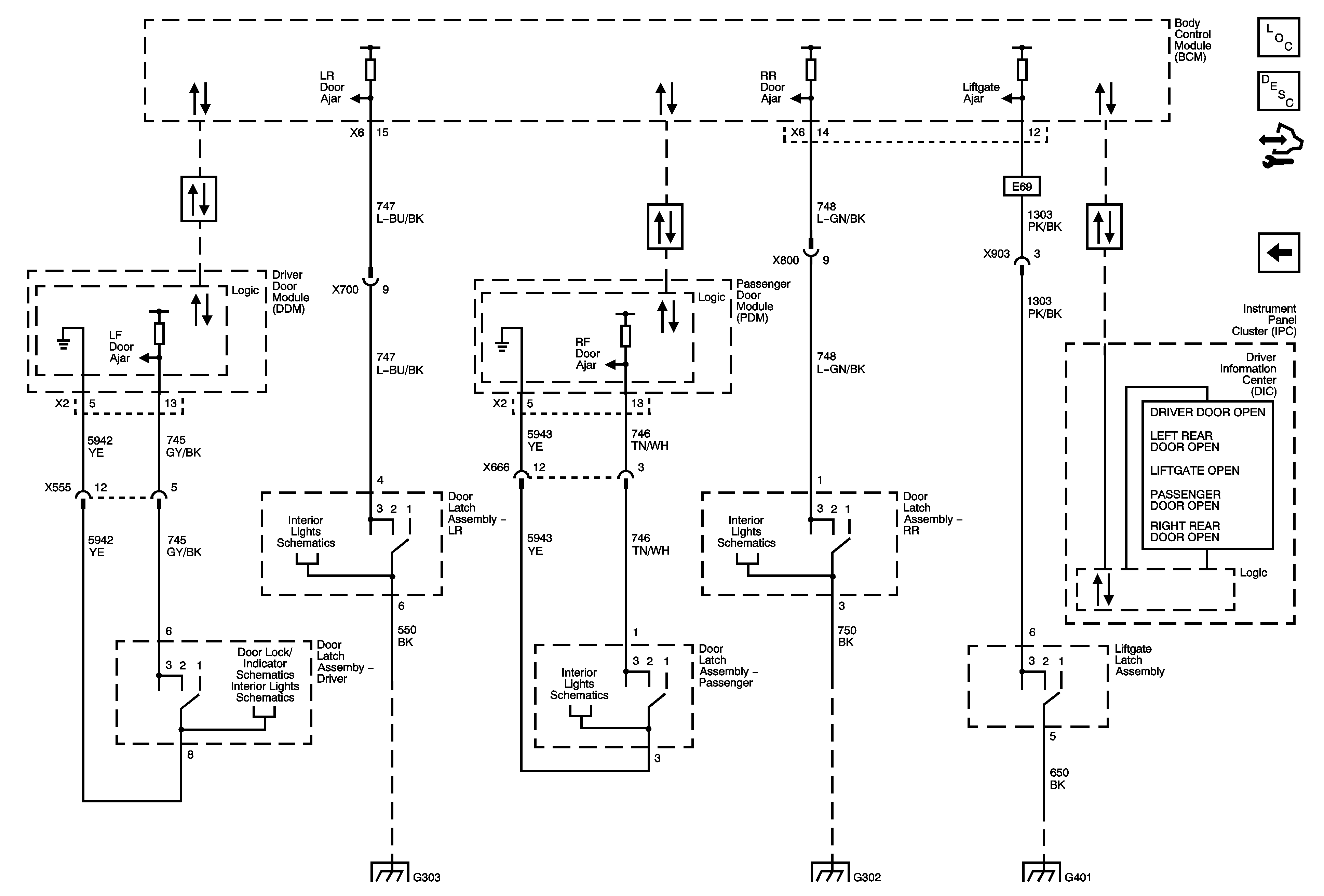
Door Open Switches
Door Open Switches
Front Doors
Door Open Switches
Door Open Switches
G303 1 of 2
G302 1 of 3
G401 1 of 2