GM Service Manual Online
For 1990-2009 cars only
Makes
🢒
Saturn
🢒
2007
🢒
OUTLOOK - FWD
🢒 Rear
Rear
Rear
Master Electrical Component List
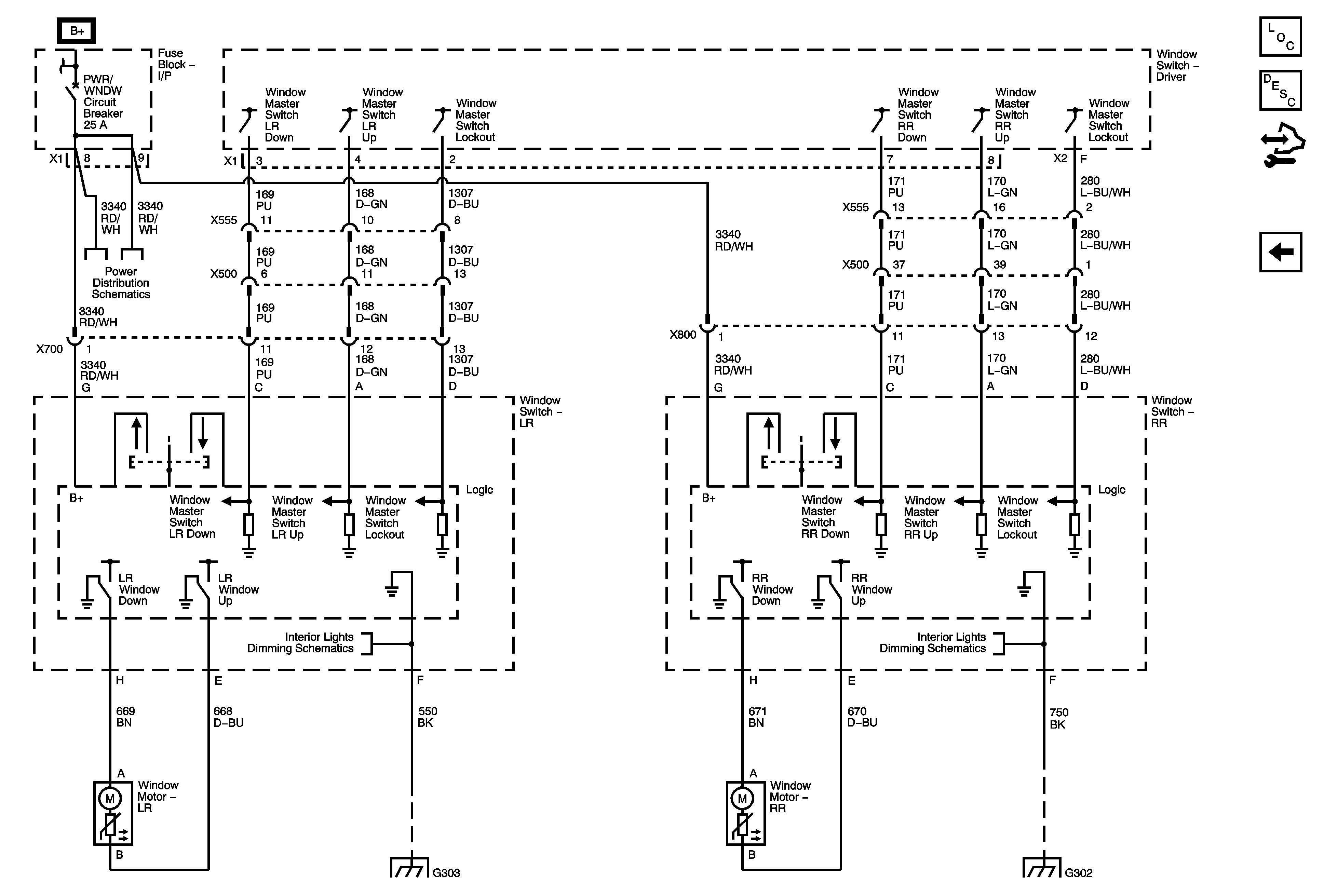
Power Windows Description and Operation (W/O AXC/AXE)
Control Module References
Front
BATT 3, DRL, DRL 2, DR/LCK, FRT/WSW, HVAC, and REAR WIPER Fuses, PWR/WNDW Circuit Breaker
BATT 3, DRL, DRL 2, DR/LCK, FRT/WSW, HVAC, and REAR WIPER Fuses, PWR/WNDW Circuit Breaker
Driver, LR, and RR Door Lamps
Driver, LR, and RR Door Lamps
G303 1 of 2
G302 1 of 3