GM Service Manual Online
For 1990-2009 cars only
Makes
🢒
Saturn
🢒
2007
🢒
OUTLOOK - FWD
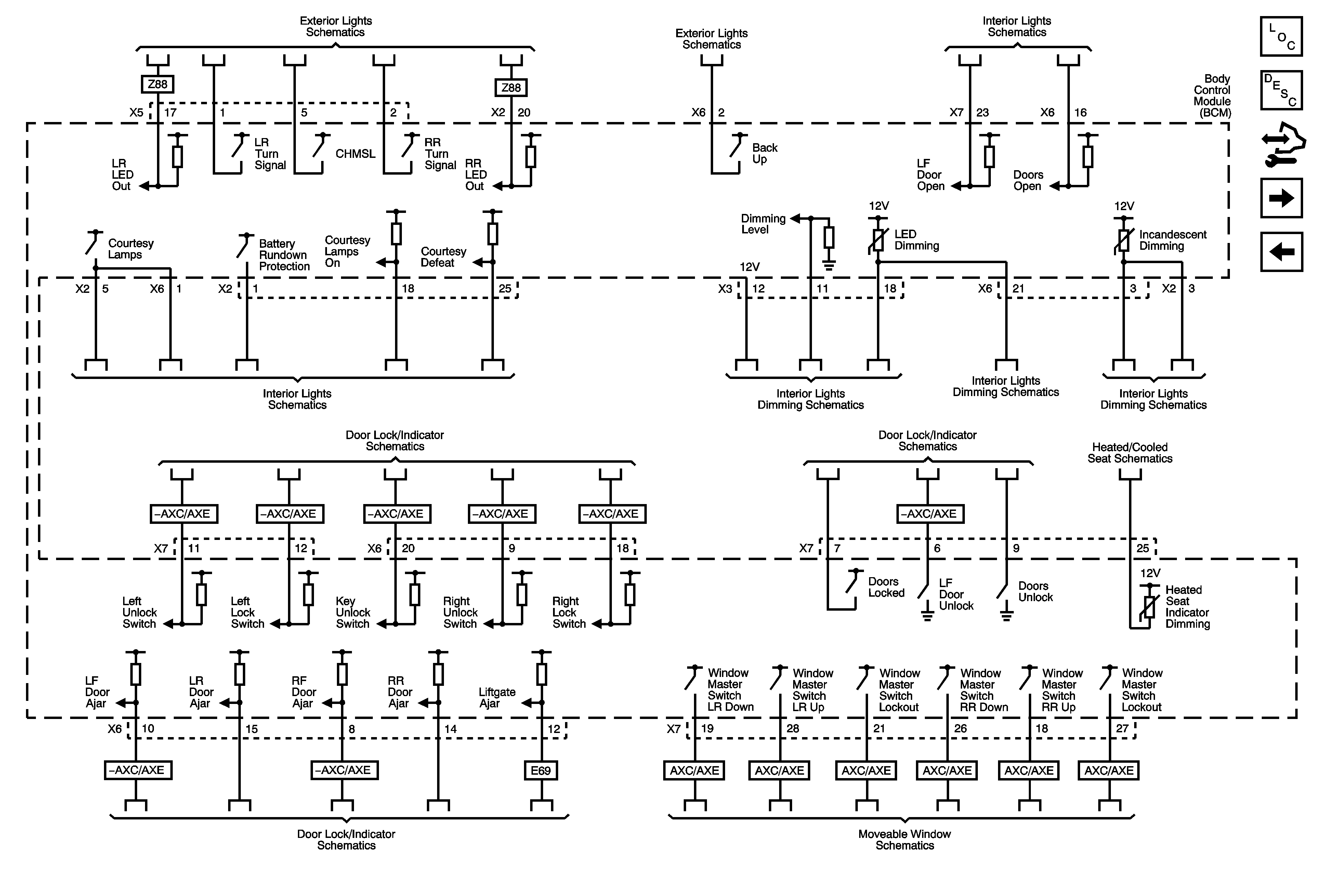
🢒 Subsystem References 2 of 3
Subsystem References 2 of 3
Subsystem References 2 of 3
Master Electrical Component List
Body Control System Description and Operation
Control Module References
Subsystem References 3 of 3
Subsystem References 1 of 3
Rear Turn/Stop Lamps and CHMSL
Back Up Lamps
Door Open Switches
Headlamp Switch and Power, I/P, Footwell, and Liftgate Lamps
Switches
Controls, I/P, and Steering Wheel LEDs
Actuators
Console and Driver Door LEDs
Console, I/P, Passenger Door, and Roof Lamp
Indicators and Switches
Indicators
Rear