GM Service Manual Online
For 1990-2009 cars only
Makes
🢒
Saturn
🢒
2007
🢒
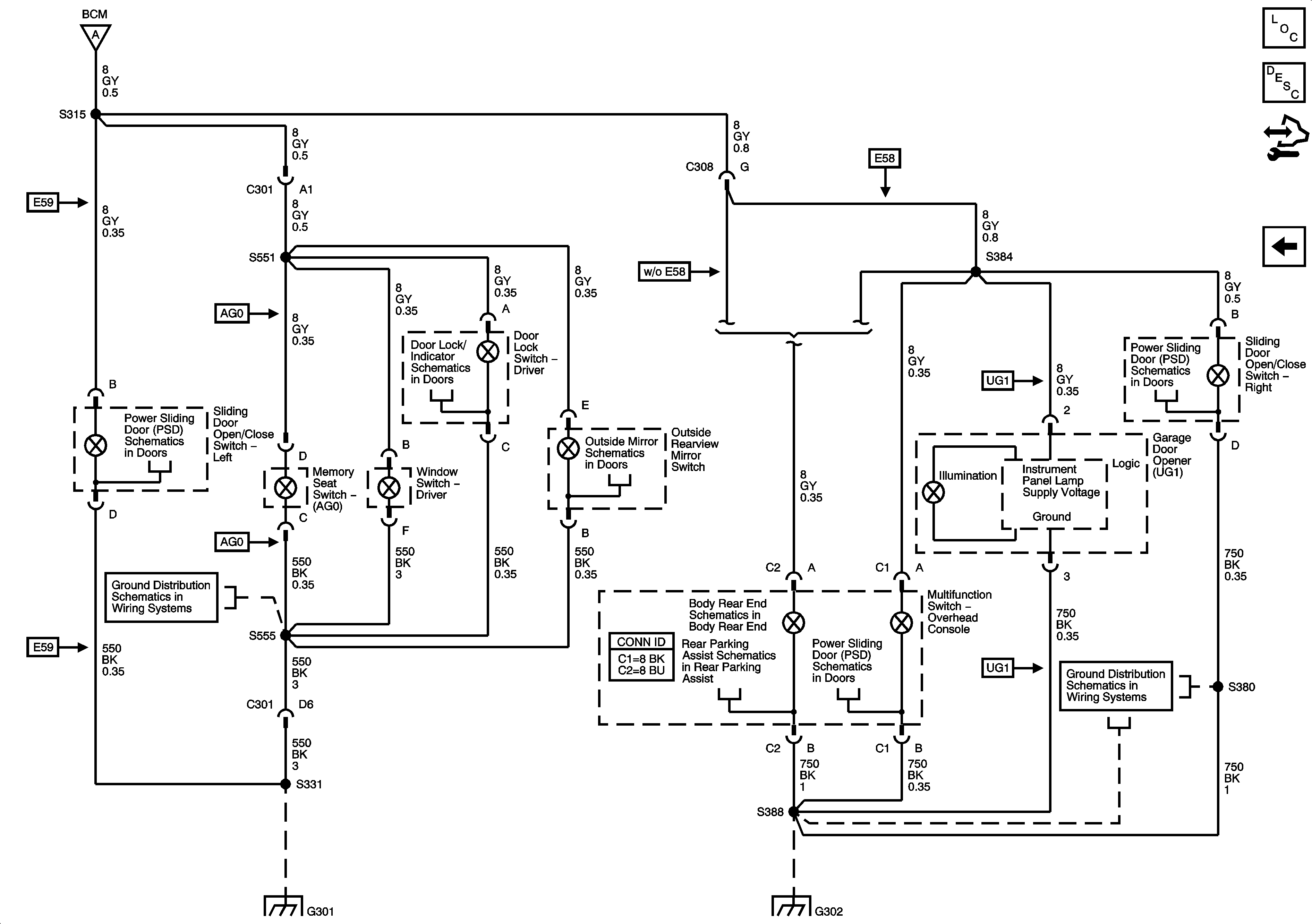
RELAY Ext.
🢒 Left Door and Roof
Left Door and Roof
Left Door and Roof
Master Electrical Component List
Interior Lighting Systems Description and Operation
Control Module References
Control, I/P and Passenger Door Lamps
Control, I/P and Passenger Door Lamps
Switches
Power Mirrors
G301
Body Rear End Schematics
Object Detection Schematics
Right Door Controls
G302 - 2 of 2
G301
G302 - 1 of 2