GM Service Manual Online
For 1990-2009 cars only
Makes
🢒
Saturn
🢒
2007
🢒
RELAY Ext.
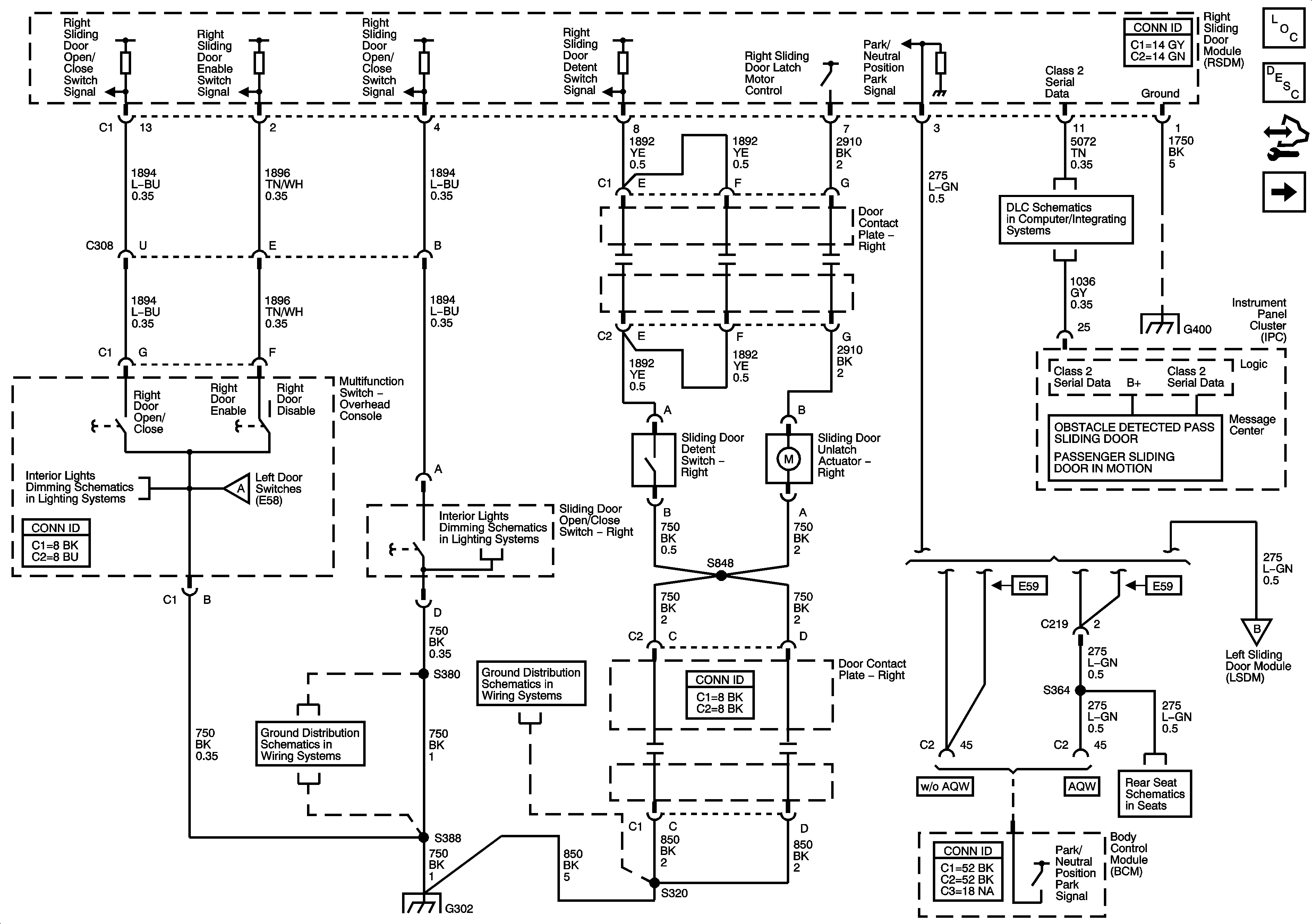
🢒 Right Door Controls
Right Door Controls
Right Door Controls
Master Electrical Component List
Power Sliding Door (PSD) Description and Operation
Control Module References
Right Door Motor
Control, I/P and Passenger Door Lamps
Left Door Controls
Data Link Connector (DLC) Schematics
G400
G302 - 2 of 2
Left Door and Roof
G302 - 1 of 2
G302 - 1 of 2
Left Door Controls
Sit-N-Lift Seat Door and PNP Interlocks, and Remote