GM Service Manual Online
For 1990-2009 cars only
Makes
🢒
Saturn
🢒
2007
🢒
RELAY Ext.
🢒 Left Door Controls
Left Door Controls
Left Door Controls
Master Electrical Component List
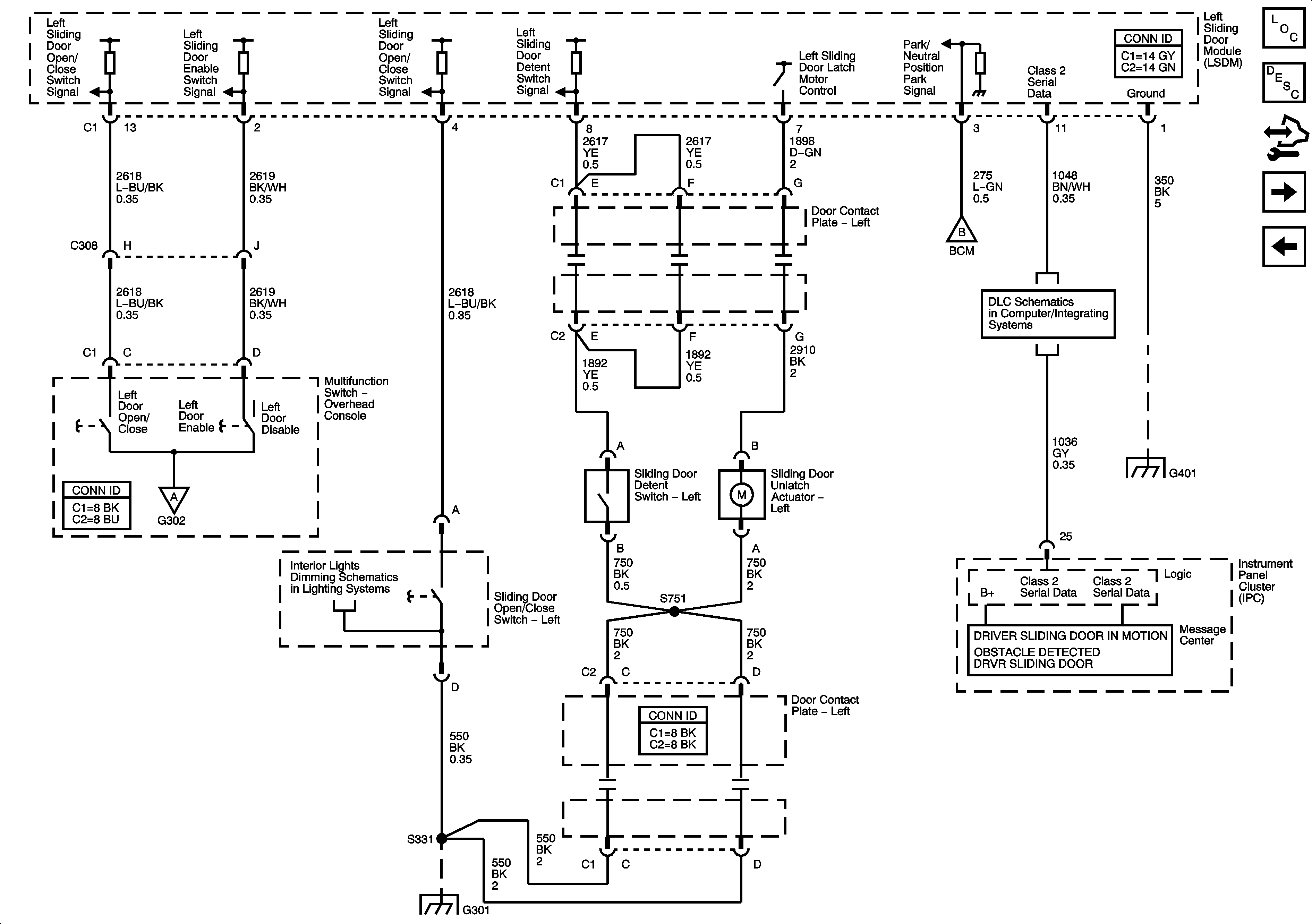
Power Sliding Door (PSD) Description and Operation
Control Module References
Left Door Motor
Right Door Motor
Right Door Controls
Left Door and Roof
Data Link Connector (DLC) Schematics
G401
Right Door Controls
G301