GM Service Manual Online
For 1990-2009 cars only
Makes
🢒
Saturn
🢒
2007
🢒
VUE - FWD
🢒
Steering
🢒
Steering Wheel and Column
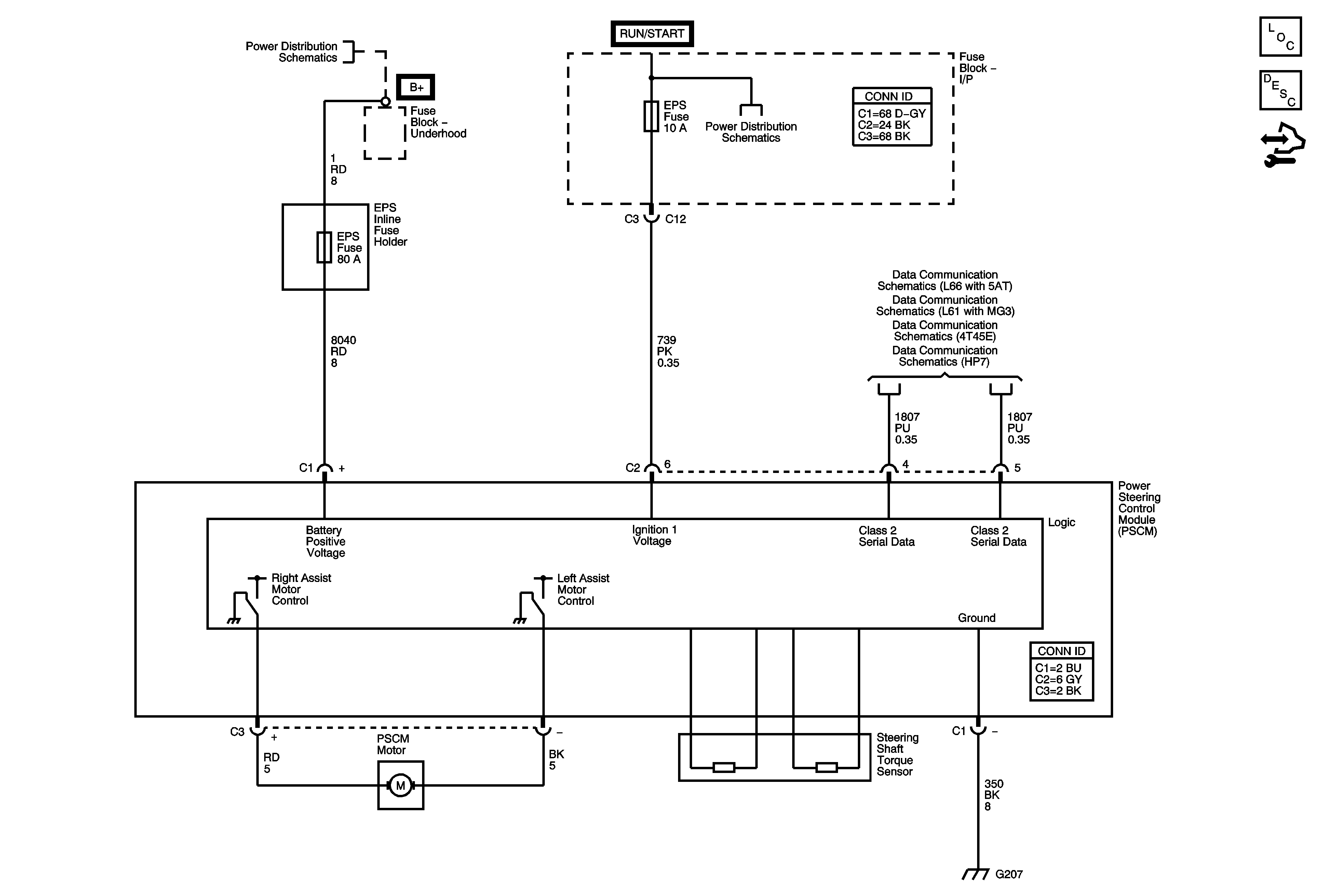
🢒 Power Steering Schematics
Master Electrical Component List
Power Steering System Description and Operation
Control Module References
B+ Bus and EPS Fuse
IGN Fuse and Ignition Switch Circuits
L66 with 5AT
L61 with MG3
L61 with 4T45-E
HP7