GM Service Manual Online
For 1990-2009 cars only
Figure 1:

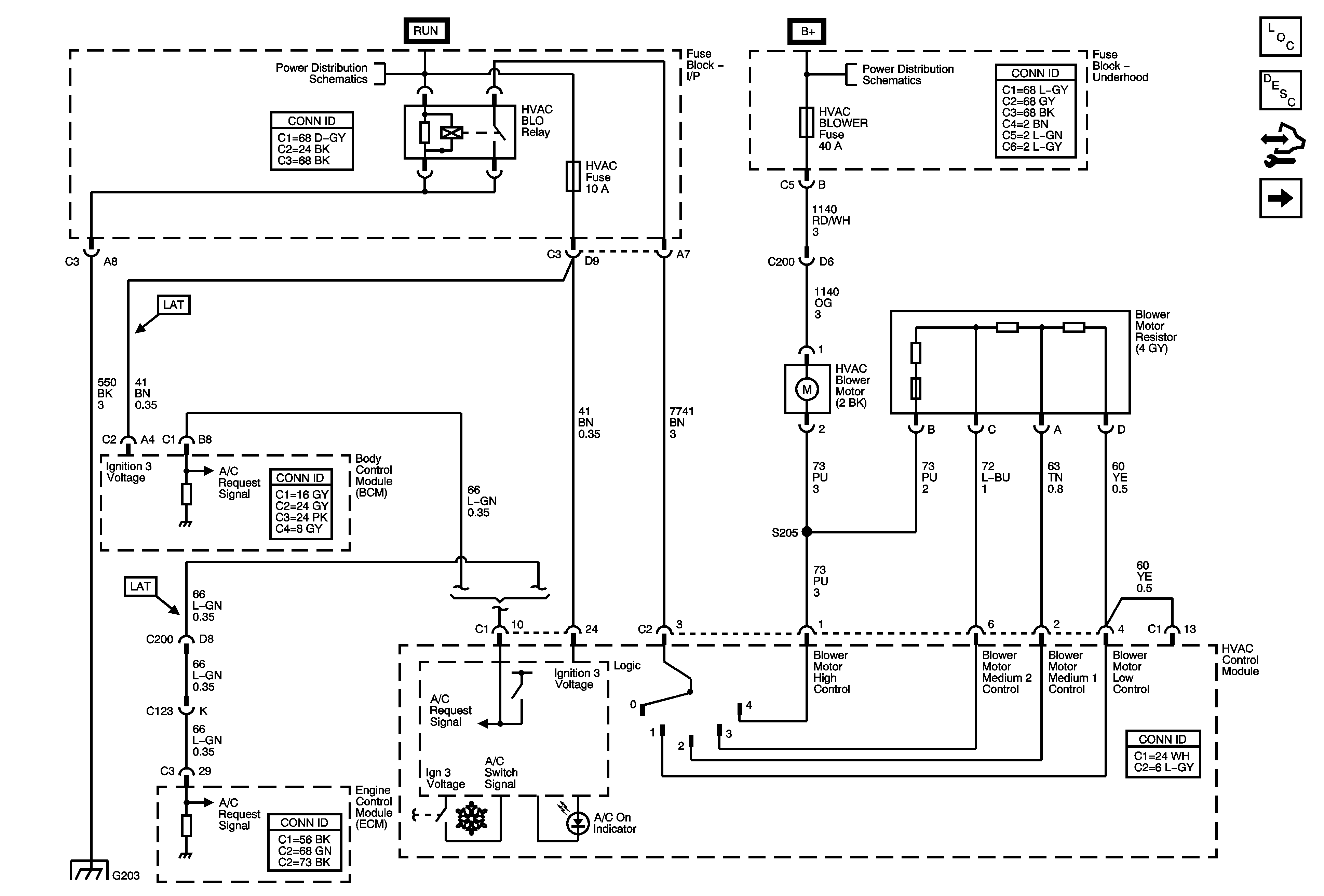
Blower Controls


Object Number: 1794958  Size: FS
Master Electrical Component List
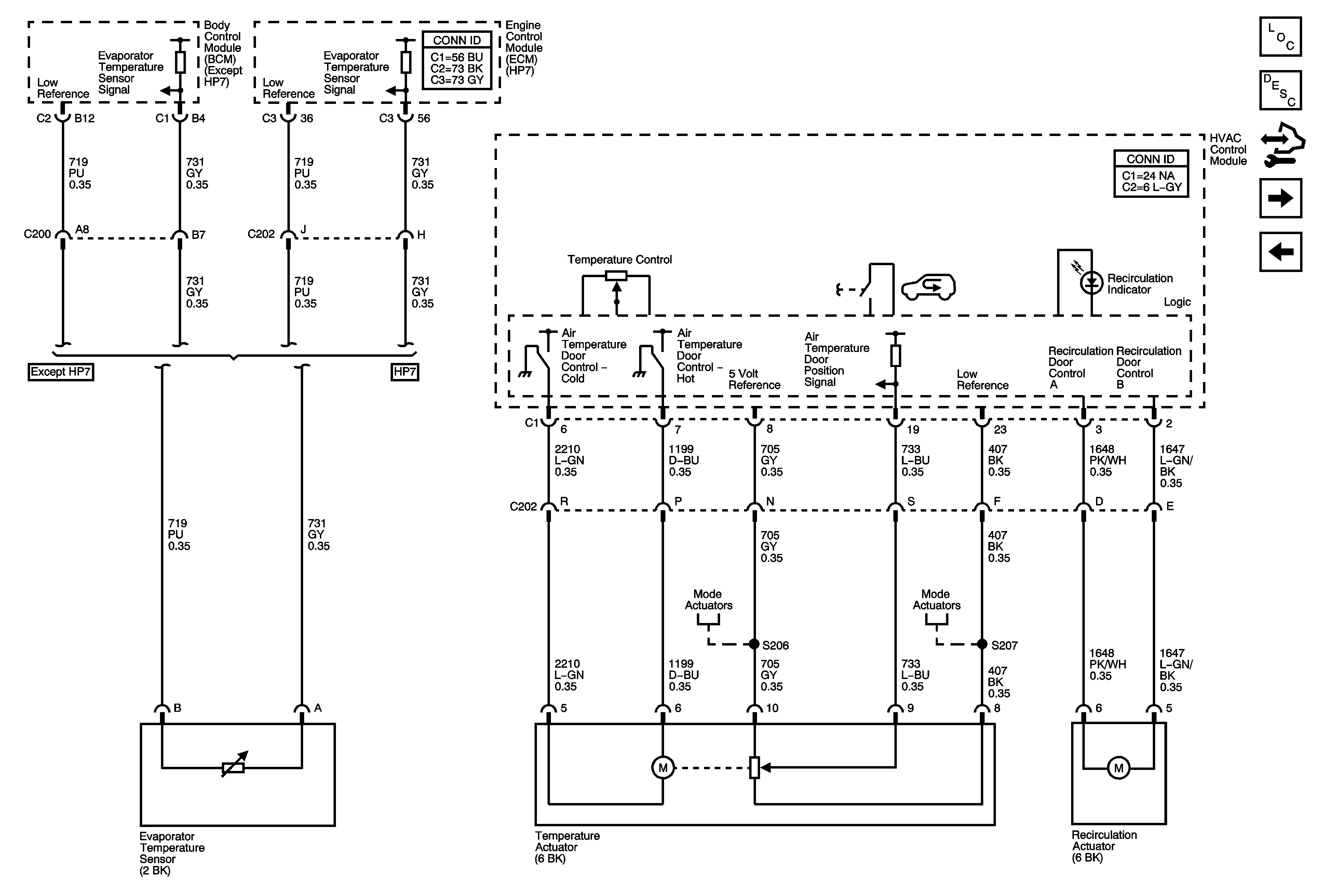
Air Temperature Description and Operation
Control Module References
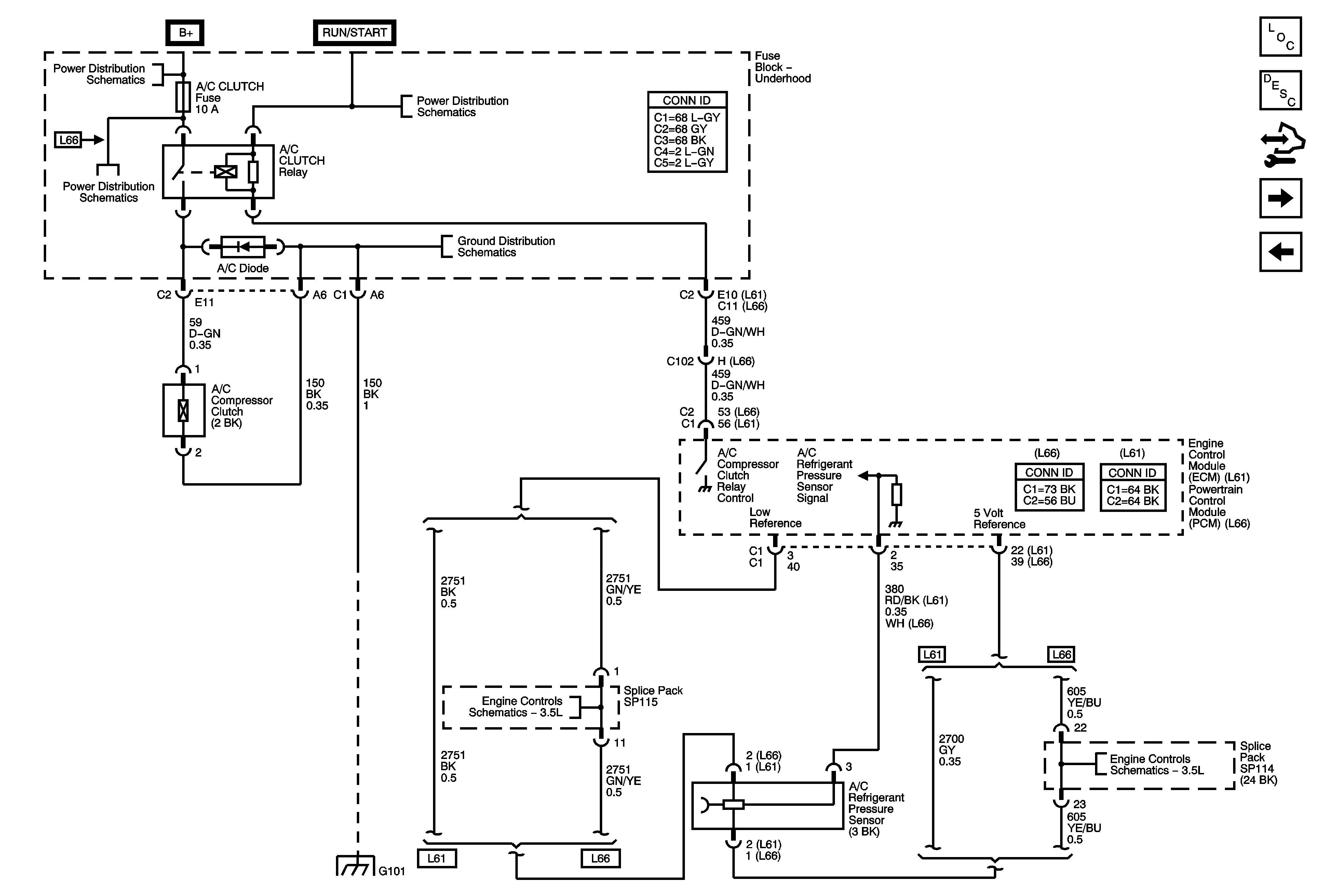
Compressor and Pressure Sensor Signals
IGN Fuse and Ignition Switch Circuits
B+ Bus and EPS Fuse
G203 and G205
Figure 2:

Compressor and Pressure Sensor Signals


Object Number: 1794964  Size: FS
Master Electrical Component List
Air Temperature Description and Operation
Control Module References
EVAP Temperature Sensor, Recirculation and Temperature Actuators
Blower Controls
B+ Bus and EPS Fuse
IGN Fuse and Ignition Switch Circuits
B+ Bus and EPS Fuse
G101
G101
5-Volt Reference
Figure 3:

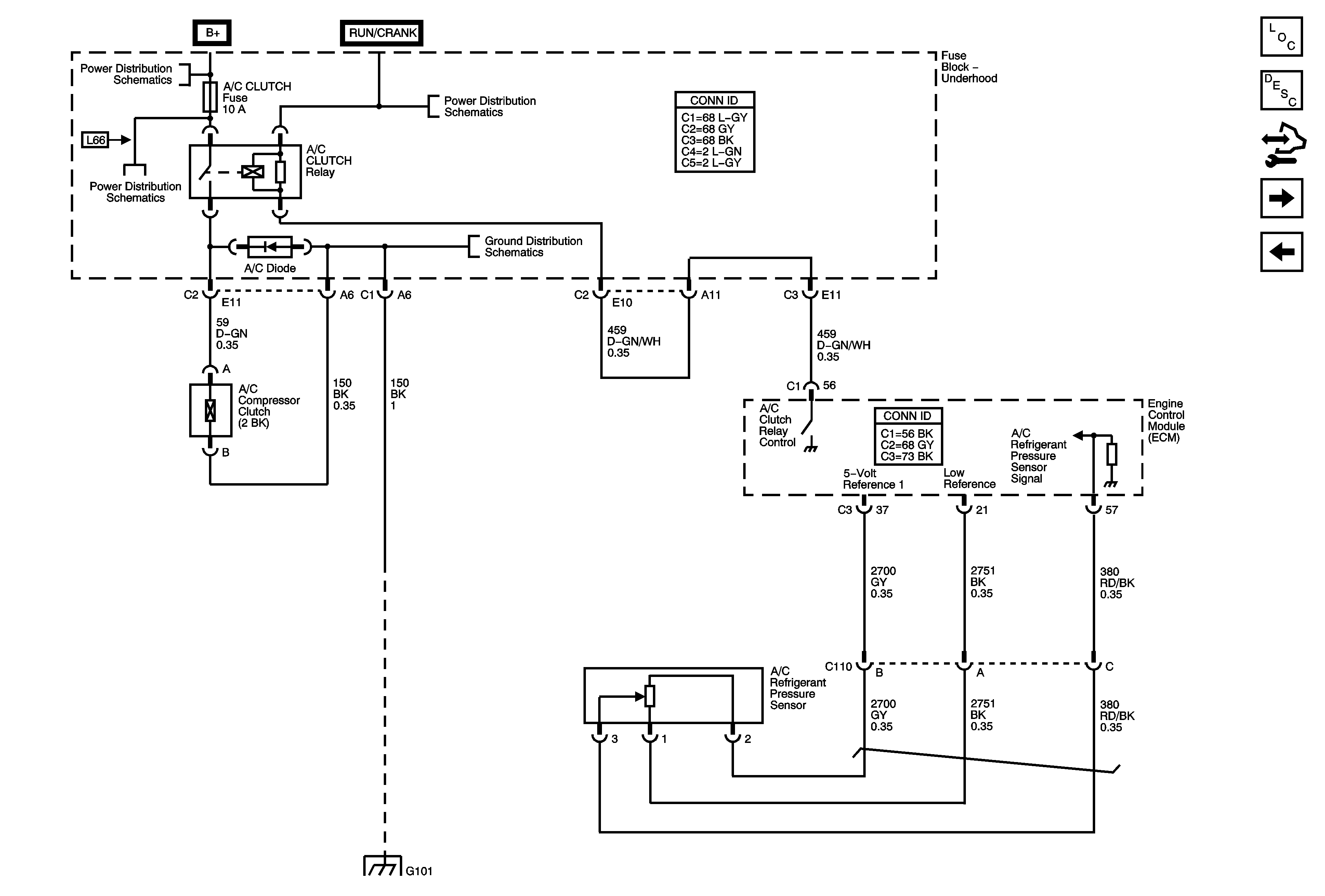
Compressor and Pressure Sensor Signals (HP7)


Object Number: 1858914  Size: FS
Figure 4:

EVAP Temperature Sensor, Recirculation, and Temperature Actuators


Object Number: 1794970  Size: FS
Master Electrical Component List
Air Temperature Description and Operation
Control Module References
Mode Actuators
Compressor and Pressure Sensor Signals
Mode Actuators
Figure 5:

Mode Actuators


Object Number: 1795477  Size: FS
Master Electrical Component List
Air Delivery Description and Operation
Control Module References
EVAP Temperature Sensor, Recirculation and Temperature Actuators
EVAP Temperature Sensor, Recirculation and Temperature Actuators
EVAP Temperature Sensor, Recirculation and Temperature Actuators