GM Service Manual Online
For 1990-2009 cars only
Makes
🢒
Saturn
🢒
2007
🢒
VUE - FWD
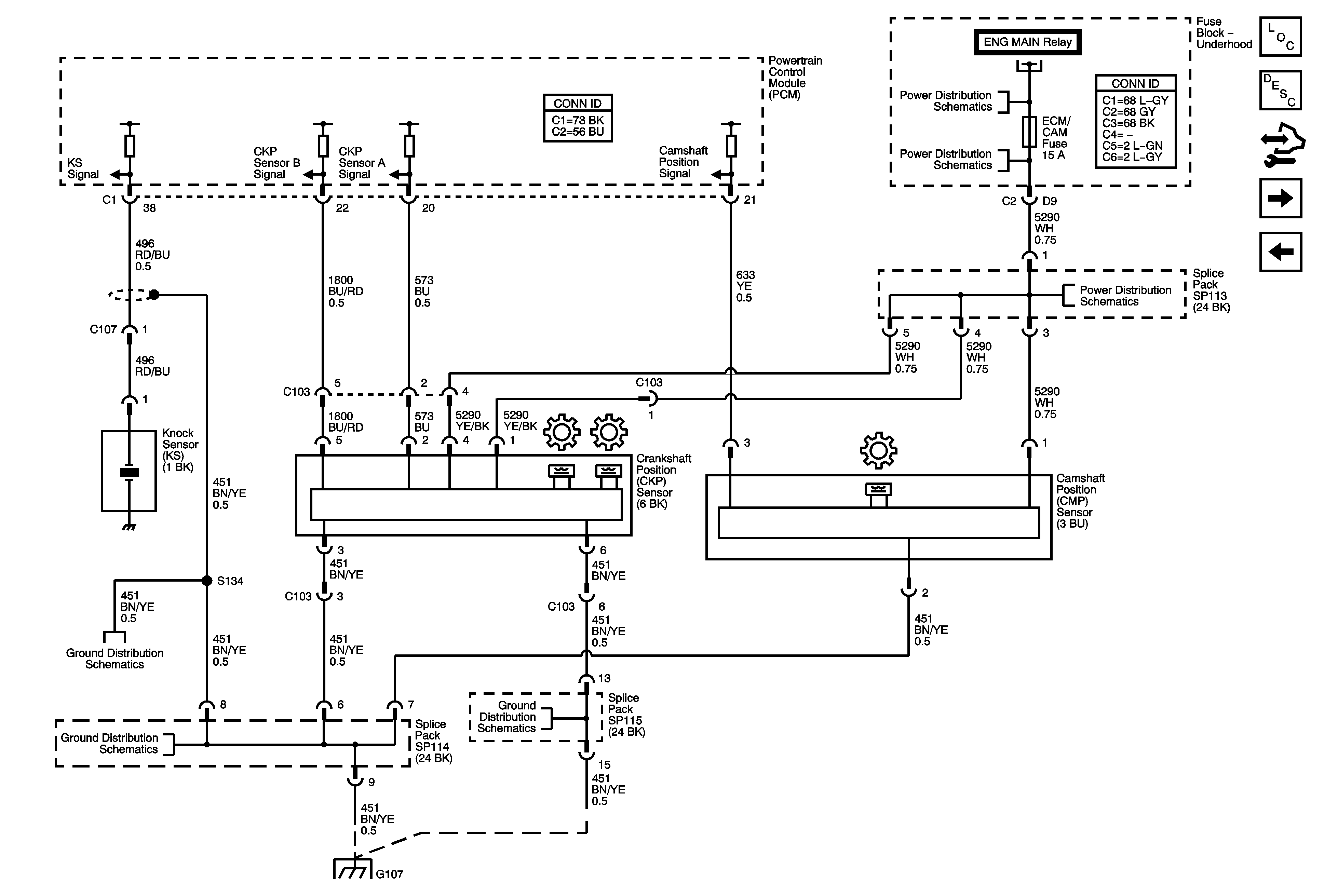
🢒 Knock, Crankshaft, and Camshaft Sensors
Knock, Crankshaft, and Camshaft Sensors
Knock, Crankshaft, and Camshaft Sensors
Master Electrical Component List
Electronic Ignition (EI) System Description
Control Module References
Fuel Injectors, Fuel Pump, Rocker Arm Oil Switch and Solenoid
Ignition Control Modules
ECM/CAM Fuse L66
ECM/CAM Fuse L66
G107 and G109 (L66)
G107 and G109 (L66)