GM Service Manual Online
For 1990-2009 cars only
Makes
🢒
Saturn
🢒
2007
🢒
VUE - FWD
🢒 L66
L66
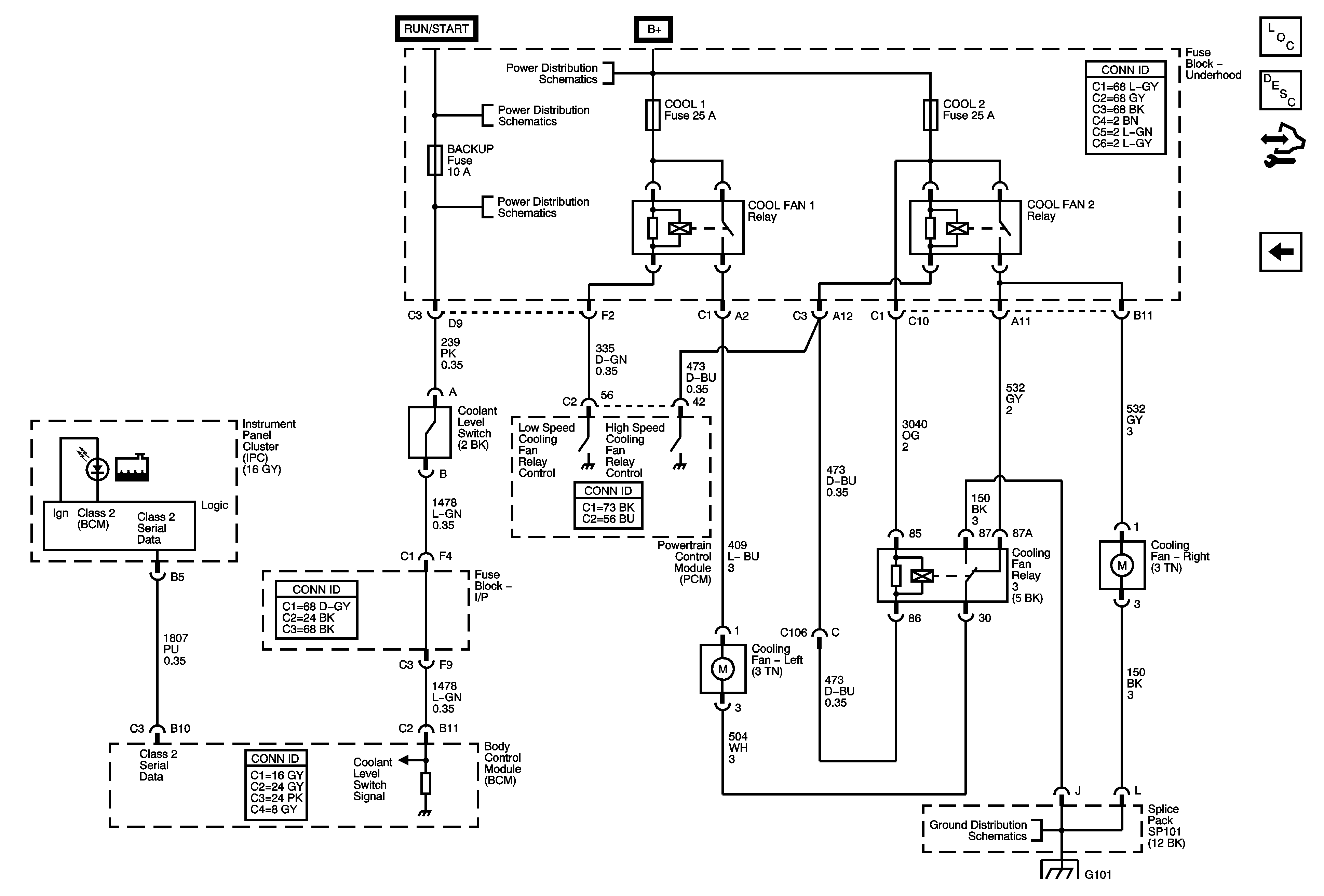
Engine Cooling (L66)
Master Electrical Component List
Cooling System Description and Operation
Control Module References
Except L66
B+ Bus and EPS Fuse
IGN Fuse and Ignition Switch Circuits
BACKUP, PWR TRAIN, 10A ABS, and INJECTOR Fuses (Except HP7)
G101
G101