GM Service Manual Online
For 1990-2009 cars only
Makes
🢒
Saturn
🢒
2007
🢒
VUE - FWD
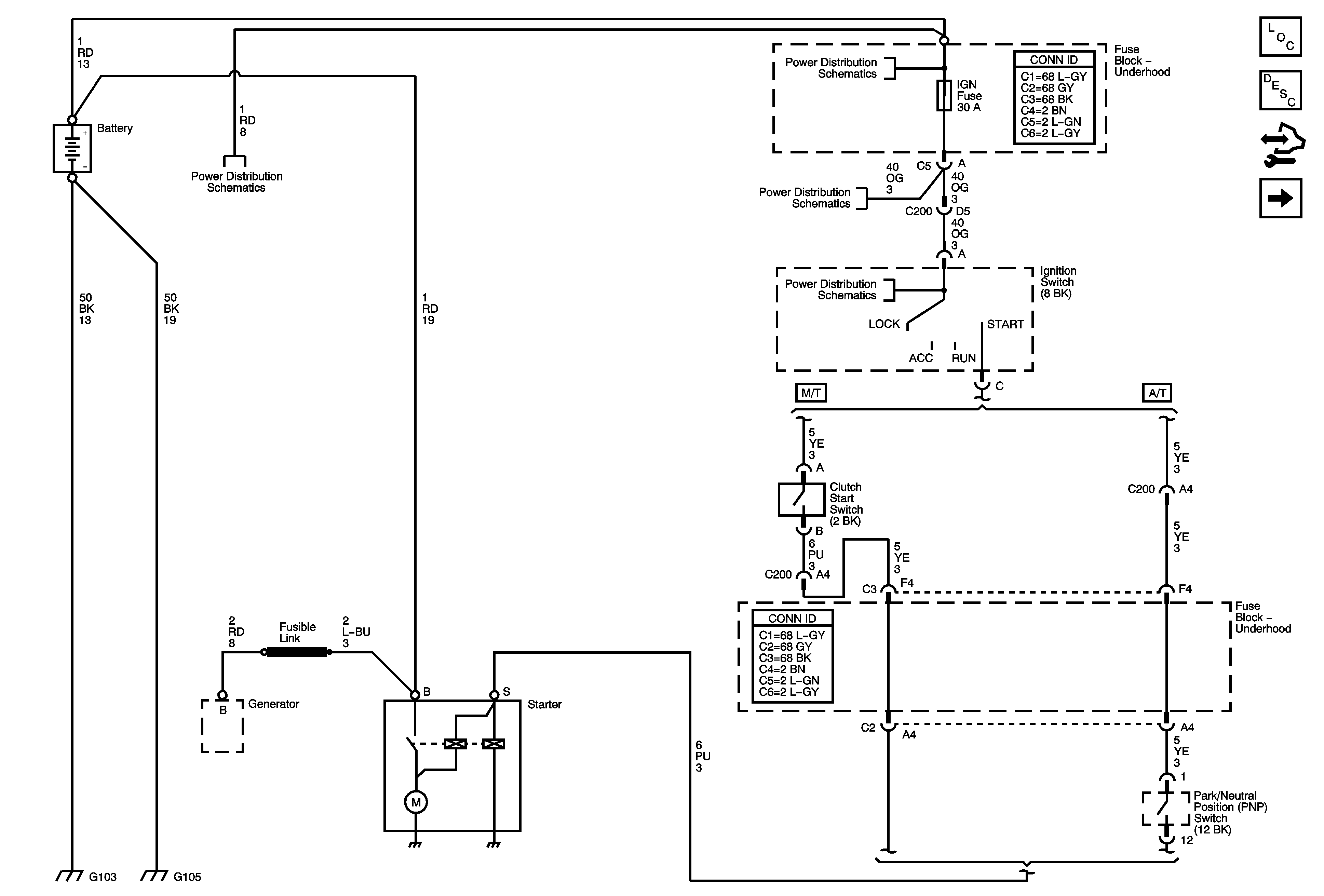
🢒 Starting (L61)
Starting (L61)
Starting (L61)
Master Electrical Component List
Starting System Description and Operation
Control Module References
Starting (L66)
B+ Bus and EPS Fuse
B+ Bus and EPS Fuse
IGN Fuse and Ignition Switch Circuits
IGN Fuse and Ignition Switch Circuits