GM Service Manual Online
For 1990-2009 cars only
Makes
🢒
Saturn
🢒
2007
🢒
VUE - FWD
🢒 Starting (L66)
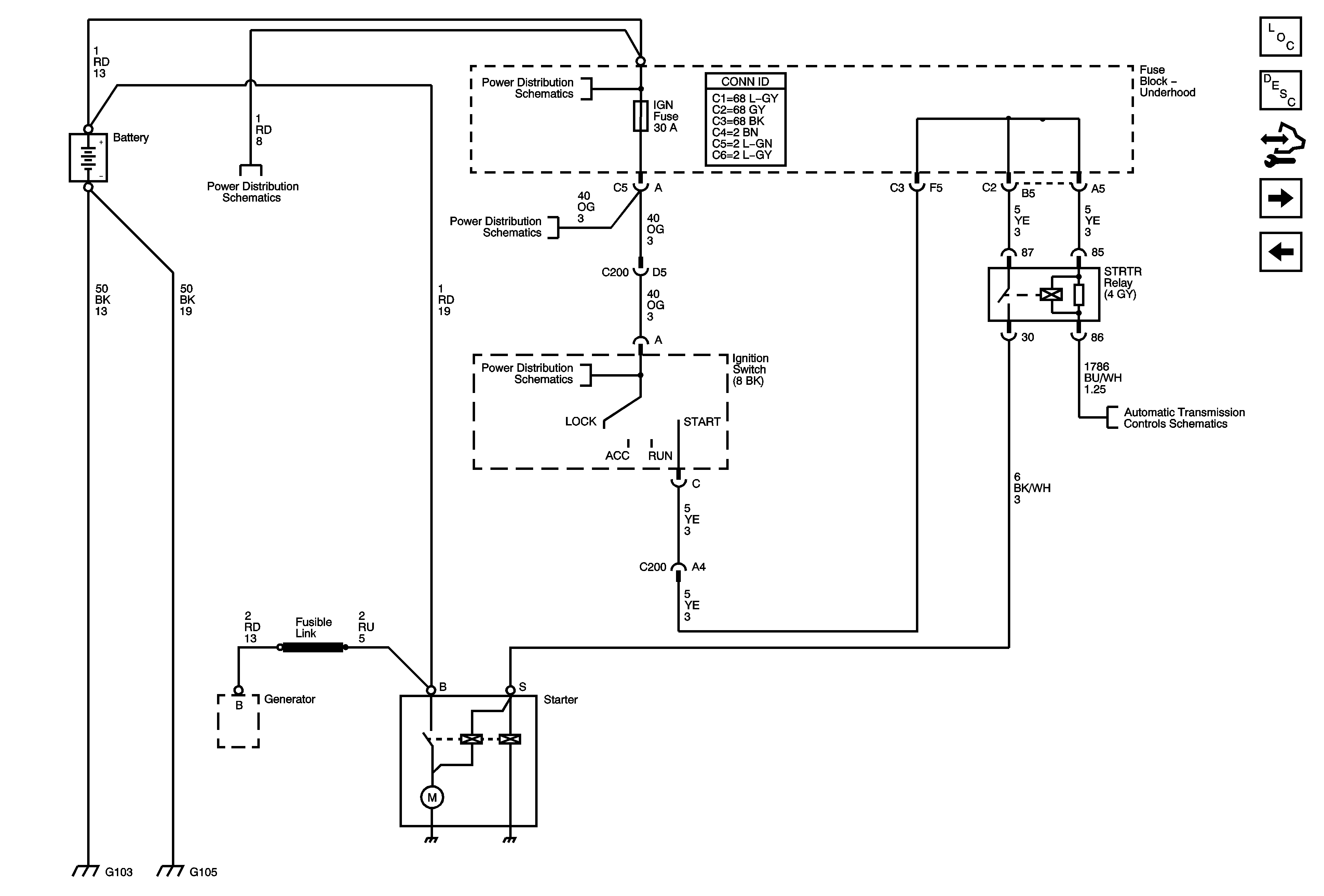
Starting (L66)
Starting (L66)
Master Electrical Component List
Starting System Description and Operation
Control Module References
Charging
Starting (L61)
B+ Bus and EPS Fuse
B+ Bus and EPS Fuse
IGN Fuse and Ignition Switch Circuits
IGN Fuse and Ignition Switch Circuits
PNP Switch, OSS, ISS, Indicators, and PCM Communication