GM Service Manual Online
For 1990-2009 cars only
Makes
🢒
Saturn
🢒
2007
🢒
VUE - FWD
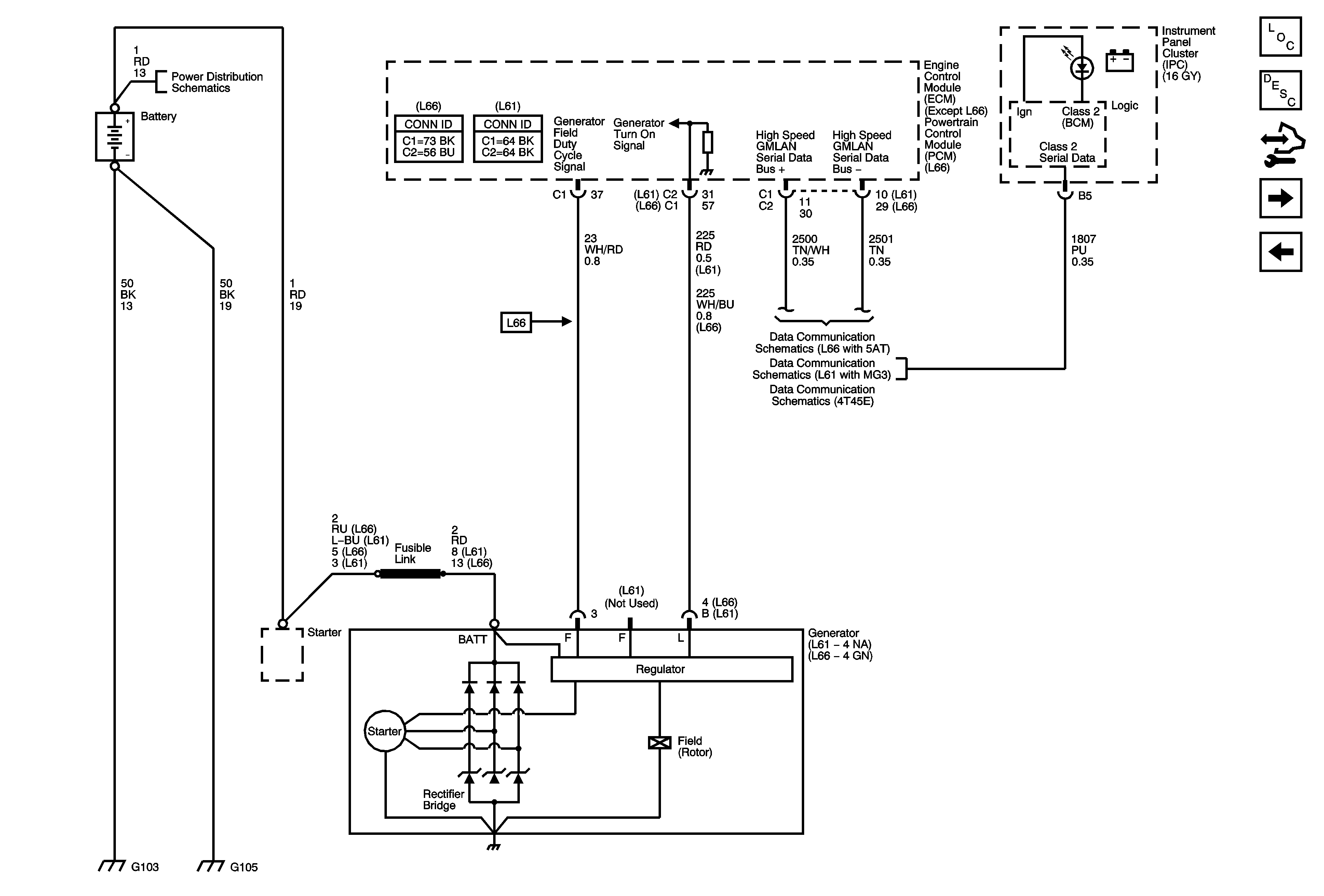
🢒 Charging
Charging
Charging
Master Electrical Component List
Charging System Description and Operation
Control Module References
Starting (L66)
B+ Bus and EPS Fuse
L66 with 5AT
L61 with MG3
L61 with 4T45-E
HP7