GM Service Manual Online
For 1990-2009 cars only
Makes
🢒
Saturn
🢒
2007
🢒
VUE - FWD
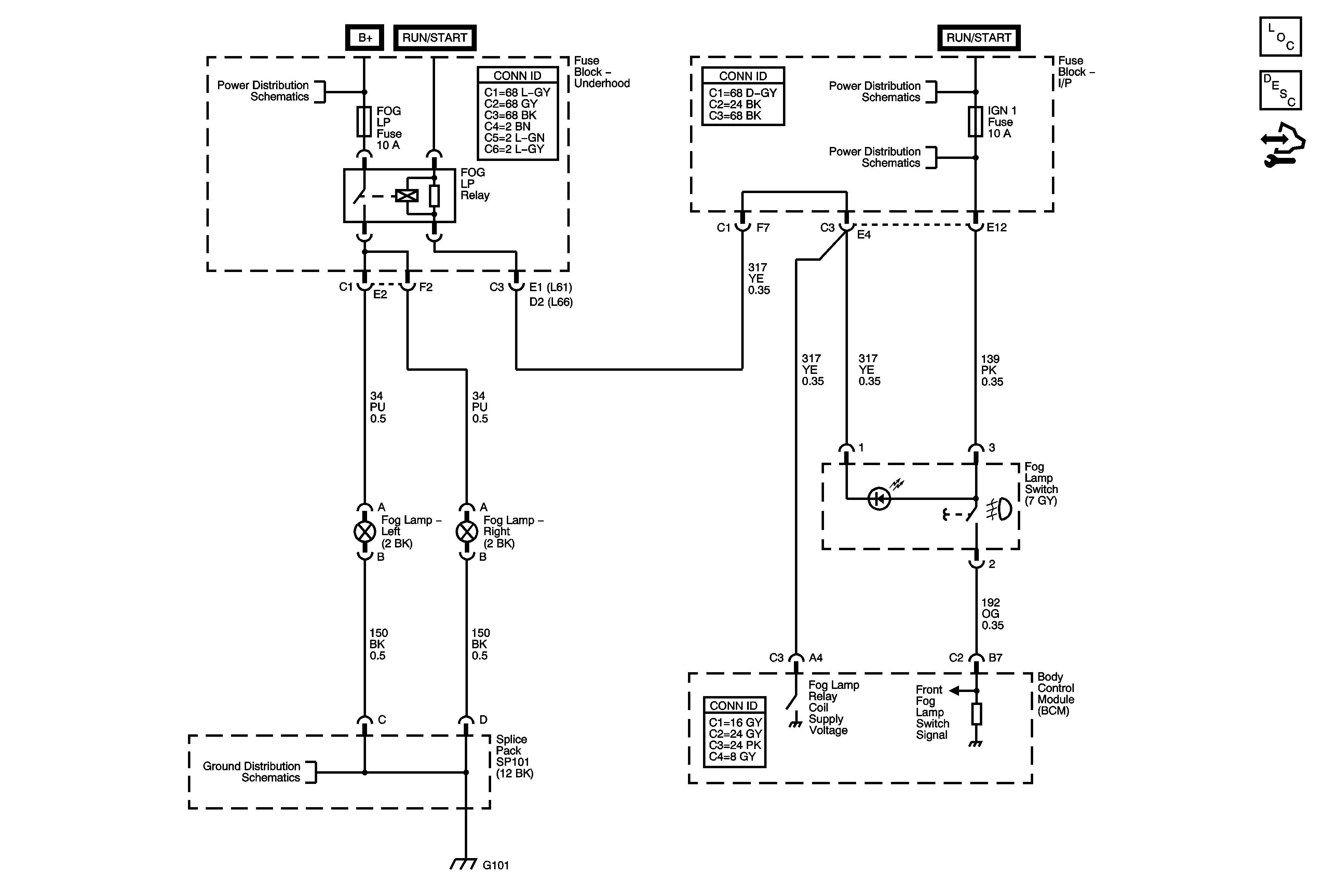
🢒 Fog Lights Schematics
Fog Lights Schematics
Master Electrical Component List
Exterior Lighting Systems Description and Operation
Control Module References
B+ Bus and EPS Fuse
IGN Fuse and Ignition Switch Circuits
IGN 1, BCM (IGN), AIR BAG, EPS, and CRUISE Fuses
G101